本刊1985年第6期,曾发表了本人所写的《新颖的触摸式收音机预选装置》一文,该文被评为《无线电》创刊三十周年征文二等奖。之后,收到不少读者来信,要求解答业余制作时遇到的一些具体问题,现就几个主要问题回答如下:
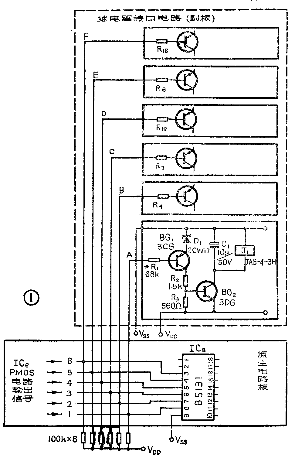
原电路中,接口电路采用变容二极管电调谐电路,由于读者对电调谐电路不熟悉,合适的变容二极管又不容易买到,所以会遇到困难。为此,改进后的电路省去了变容二极管,而改用大家熟悉的干簧继电器组和可变电容器组。通过继电器触点控制,将事先调好的适合不同节目需要的双连可变电容器接入收音机的输入和本振调谐回路,就可以收到不同的节目,达到选台目的。
改进电路介绍
有关收音机预选装置的完整电路详见本刊1986年第6期第10页图2,在这个电路的基础上,作了如下改动:
1.去掉了原文图2中的集成块IC\(_{1}\)0(B5113)、RK、R18~R\(_{23}\)及有关连线;
2.新增加了图1虚线框中的继电器接口电路。接口电路的六个输入端A、B、C、D、E、F分别与IC\(_{8}\)(B5131)的六个输入端即第8、7、6、5、4、3脚相接。考虑到IC6的输出端要同时接到IC\(_{8}\)和继电器接口电路的输入端,可能造成输入电平不稳定,为此,在六个输入端对电源VDD之间各串入了一个100千欧电阻。

整机调整和控制过程如下:开机后用手触摸任一键(自动轮换选台键除外)时,数码管在1~6之间显示出一个数字,此时相对应的一个继电器驱动电路开始工作,使相应的一个继电器吸合。此时由该继电器控制的一个双连可变电容器的两个“连”分别接入收音机输入和本振调谐回路中(参看图2)。用手调节这个可变电容器,若收音机工作在中波波段,则可在525~1605千赫频段中寻找到一个电台,电台调准以后就不要再动这一个可变电容器了。按照类似方法可以调好其它几个预选台。之后,当触摸1~6号键时,相应的继电器动作,收音机就会播出相应的电台节目。当触摸“自选”键时,收音机中的六个可变电容器依次逐一接通,电台就逐一播出。

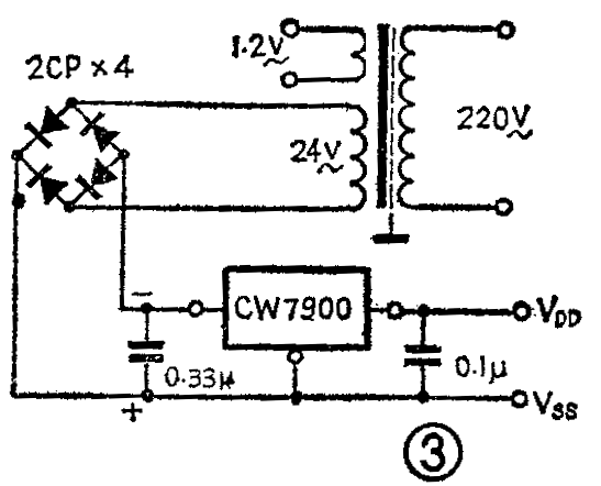
3.原文电路中的电源部分较简单,为了使PMOS电路能稳定工作,电源部分增设一级三端固定负压集成稳压器CW7924电路,该稳压器输出电流可达1.5A。也可以选用CW79M24(输出0.5A)和CW79L24(输出0.1A)电路。它们的共同特点是能输出负电压24伏,具有高指标的电压调整率和电流调整率,可使整个装置工作电压稳定。

电源部分的电路见图3,它也独立安装在一块电路板上,与其它板的连接采用插接件形式。图4画出了几种三端集成稳压电路的管脚排列法,可供使用时参考。

制作
本电路电源部分采用的集成块为CW7924;或采用CW79M24、CW79L24,它们输出24伏负压。有些PMOS集成块工作于负24伏电压时温度会升高,还因有的电源空载时能输出负24伏电压,接上负载后输出变为-24~-27伏,也会使PMOS集成块温度升高。改善办法是:换上输出负压为18伏的CW7918,或是CW79M18、CW79L18。由于电源板与主电路板之间采用插件连接,电源部分共有四条输出线(输出负电源线两条,供荧光数码管的1.2V灯丝电源线两条),所以我们利用了收录机中转录节目时用的DIN五芯插头(座)。电源部分线路简单,读者可自行设计印刷线路板。

图5为图1电路的印刷电路板又叫副板,采用双面敷铜板制作,也可以采用单面的,将敷铜箔的一面作为背面,无铜箔的一面作为正面,在正面安放零件,并用导线将电源V\(_{SS}\)端连起来。
继电器采用干簧继电器JAG—4—3H,它有三组常开触点,足够用来控制等容双连。继电器也可采用其它类型的,要求线圈直流电阻为460Ω,工作电流为26mA。
副板与主板之间采用插接件连接,至少需8条线(信号线6条,电源线2条),这里采用扩音板用的插接件,主板的8条线接在插座上,副板的8个输入端铜箔被腐蚀成8个线条,作为插头用。
原文中的定时器也自行用一块印刷电路板,与主板之间也采用扩音板用插件座连接。
调试
1.电源部分:只要线路连接正确,一般不需要调整。测量DIN五脚插头中的灯丝电压,应为交流1.2V左右。集成稳压器的直流输出电压应为24V左右。
②主板的调试办法见1985年第6期文章。
③副板:主、副板之间先不要连接,临时从电源处接出负电源,即将稳压器第1脚零伏接副板的V\(_{SS}\),2脚的负24V接副板的VDD端。此时测量副板上BG\(_{2}\)、BG4、BG\(_{6}\)、BG8、BG\(_{1}\)0、BG12这六个3DG管的集电极对V\(_{DD}\)的电压如都是24V左右,说明六个继电器未吸合。然后在VDD上焊一根导线,用导线另一端依次去接R\(_{1}\)、R4、R\(_{7}\)、R10、 R\(_{13}\)、R16的悬空端,再依次测上述BG\(_{2}\)、BG4等六只末级三极管集电极对V\(_{DD}\)的电压,如都为零伏左右,说明各继电器也都能工作。以第一个继电器电路为例,当R1的A端悬空时,BG\(_{2}\)集电极对VDD电压为24V左右;当R\(_{1}\)A端接在VDD上时,BG\(_{2}\)C极对VDD电压将为零伏,继电器J\(_{1}\)吸合,继电器的常开接点j1a、j\(_{1b}\)接通,双连电容C1被接入收音机调谐回路。此时测图1中流过R\(_{1}\)的电流,并且调节R1阻值,使电流保持在50μA~100μA。如果时间稍长继电器就发热,说明工作电压偏高,可在继电器线圈绕组回路里串上一只460Ω\(\frac{1}{2}\)W的电阻加以解决。继电器在吸合状态时耗电约几十毫安。各继电器的接点与外电路之间也采用插接方式。
④统调:拆掉副板上临时接的电源线,将副板插接在主板上,再将主板与电源部分的DIN五脚插件插好。接上220V交流电源,首先应测试工作电压,应保持在18~24V范围内,不可超过24V,如电压值严重不符,应迅速关机检查。
制作调试经验
MOS管比较娇嫩,焊接时电烙铁头应很好地接地,或拔掉电源用烙铁余热焊接。线路板不要带电进行焊接。关机以后,应该用金属镊子或导线将VSS和VDD短接一下,将滤波电容上的电压池放掉再进行焊接。以下是几种调试时常见的故障及解决办法:
1.数码管不亮,但有灯丝电压;这可能是人手触摸到了数码管,只需关机等待几十分钟再开机即可消除故障。在调试中,人体不要触及数码管。
2.集成块是好的,但当用手触摸面板上的金属片时,电路有时灵敏,有时不灵敏,有时失灵:根据我们的经验,交流220V电源插头方向插反时就常出现这种现象。将插头调一下方向即可排除故障。
3.数码管显示“6”以上的数字,例如显示“7”。经检查集成块是好的:这是由于在操作时人手同时触摸了两个键,或者是主板上的R8未调试好,使寄存器过分灵敏,就会出现上述现象。解决办法是:平时使用时禁止用手同时触摸两个或两个以上的键;如果是R8未调好,可触摸1~6中的任一键,同时调整R8,使灵敏度降低些即可。
4.开机后数码管显示零,无电台播出:刚开机时,可能逻辑混乱,但这不要紧,只要触摸任一键,即可正常。(北京联大电子工程学院 罗建华)