在普通彩色电视机上加装本文介绍的彩色电视机立体化附加器,再戴上一付特制的眼镜就可以看到有立体效果的彩色图象。该装置适用于任何制式或型号的彩色电视机。下边对它的电路原理和使用作一介绍。
电路原理
大家知道立体电影是在银幕上同时映出两幅左右稍稍错开的相同图象、观看时戴上特制的偏振光眼镜,使左眼看到的是左幅图象,右眼看到的是右幅图象,经过大脑的视觉合成就产生了立体效果。彩色立体电视也是在这个原理的基础上产生的。
彩色全电视信号经过解码器分解出红(R)、绿(G)、蓝(B)三个基色信号,分别送入三个视频放大器,最后加到彩色显象管上产生彩色图象。如果使进入视频放大器前的某一路基色信号进行一定时间的延迟,就会在彩色电视机显象管的屏幕上,同时看到被延迟的这个基色信号产生的图象和另两路未经延迟的基色信号合成出的图象,结果在屏幕上出现两幅左右稍稍错开的不同颜色的相同图象。再戴上与左右两幅图象相同颜色的眼镜,通过滤色作用使经过延迟的图象进入右眼,未被延迟的图象进入左眼,通过大脑的视觉合成,就好象景物从荧光屏幕向里面延伸了,而且有较多的层次及较强的空间深度感,因此产生了立体效果。
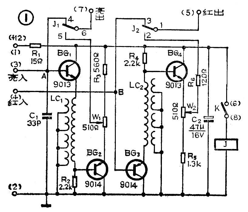
该附加器是采用延迟红色信号的方式,延迟的时间约为800毫微秒,延迟电路串接在彩色解码器与视放级之间,对解码器输出的红基色信号(R)或色差信号(R—Y)进行延迟。

彩色电视机立体化附加器电路如图1所示。BG\(_{1}\)与BG2同周围元件组成亮度信号延迟电路,亮度信号从BG\(_{1}\)的基极和J1的常闭触点4的交点A输入。BG\(_{3}\)与BG4同周围元件组成红色信号延迟电路,红基色信号或色差信号(R—Y)从BG\(_{3}\)的基极和J2常闭触点3的交点B输入。从图1看出两个延迟电路均采用射极输出器,使延迟信号幅度保持不变以保证图象原来的色彩。LC\(_{1}\)和LC2是延迟电路的关键元件,这是一个特制线圈使经过它的信号延迟约800毫微秒。当图1中开关K断开时,继电器J不动作。此时继电器中J\(_{1}\)的常闭触点6、4相接,而触点6又与亮度信号输出端7相接,这样从解码器来的亮度度信号由接点(3)进入经过A点后由触点4、6到接点(7)送出,不经延迟电路而直接送到视放级。同时继电器中J2的常闭触点1、3相接,而触点又与红色信号输出端(5)相接。同样从接点(4)输入的色度信号经过B点和3、1触点从(5)输出,也不经延迟电路直接送到视放级,这时在屏幕上看到普通电视图象。当K闭合后,继电器J动作,继电器中J\(_{1}\)的常开触点5、6接通,从A点输入的亮度信号经BG1从它的射极输出又经延迟线LC\(_{1}\)后,从BG2的射极输出,经W\(_{1}\)的中心点及触点5、6,从输出端(7)输出,加到视放级。同时继电器中J2的常开触点1、2接通,从B点输入的红色信号从BG\(_{3}\)的射极输出,再经LC2延迟后,从BG\(_{4}\)的射极输出,经W2的中心点及触点1、2从输出端(5)输出到视放级。这样就对亮度信号和红色信号进行了延迟,此时在屏幕上可以看到立体图象。电位器W\(_{1}\)和W2可以调整接延迟电路的视放级的工作点,从而调整视放级的增益。
使用方法

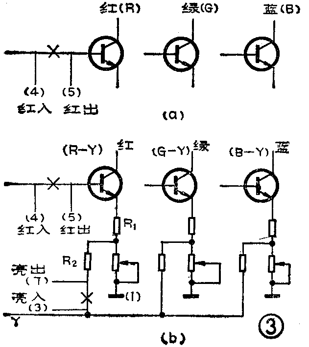
彩色电视机立体化附加器的印刷电路板如图2所示,可供安装与维修时参考。图上引线端数字为引入(出)线的脚码,同时在图1电路图上标出。附加器在接入电视机前,先要搞清楚要装附加器的彩电的解码器输出的信号,是三个色差信号还是三个色度信号。输出色度信号时是解码器直接从全电视信号中,解调出红(R)、绿(G)、蓝(B)三基色信号送到视放级。而输出色差信号时是解码器输出(R—Y)、(G—Y)和(B—Y)三个色差信号,同亮度信号(Y)按照一定的比例在视放级内混合后输出R、G、B三基色信号。

如果解码器是三个色度信号输出时,亮度延迟电路不用,只将图3(a)中红(R)信号视放管连基极的铜箔断开(图中打×处),将附加器的红色延迟电路的(4)、(5)脚按图3(a)上标注分别接入,再将附加器的“地”与电视机的“地”相接。如果解码器是三个色差信号输出时,则按图3(b)将(R—Y)信号视放管连基极的铜箔及发射极电阻R\(_{2}\)与亮度信号(Y)相接处(图中打×处)断开,将附加器红色信号电路的(4)、(5)脚及亮度信号电路的(3)、(7)脚按图3(b)上标注分别接入,再把附加器的“地”与电视机的“地”相连。由于附加器的功耗很小(工作电流在开关K断开时为13mA左右,在K闭合时为30mA左右),其12伏工作电压可由解码器的供电电路上取得。附加器的全部元件装在一块65×65mm\(^{2}\)的印制板上,在电视机内找个适当位置固定好,开关K引出机外,也可以在电视机外壳后边找个适当位置装好。
按照上述方法接入电视机后就可通电试看,先不闭合开关K而打开电源后,屏上即显示出与普通电视机一样的图象。再把开关K合上,此时屏上出现一青一红两幅左右稍稍错开的相同的图象,这时再调一下电位器W\(_{1}\)和W2使红信号视放管的基射之间电压与未接入延迟电路时一样。这时戴上专用眼镜(左青右红),稍适应一会就在眼睛内出现形象逼真的立体图象。需要购买此彩色电视机立体化附加器者,请看48页邮购消息。(路玉民)