录象机的视频电路的作用是在录象期间,将输入的彩色全电视信号分离为亮度信号和色度信号。然后将亮度信号进行窄带调频,对色度信号降频,再把亮度调频信号和色度降频信号线性混合。在放象期间视频磁头从磁带上拾取所记录的信号,以同记录时相反程序处理恢复成原来的彩色全电视信号输出。NV—450MC录象机视频电路由亮度信号记录、亮度信号重放、色度信号记录和色度信号重放电路组成,以下分别介绍这些电路。
亮度信号的记录与重放
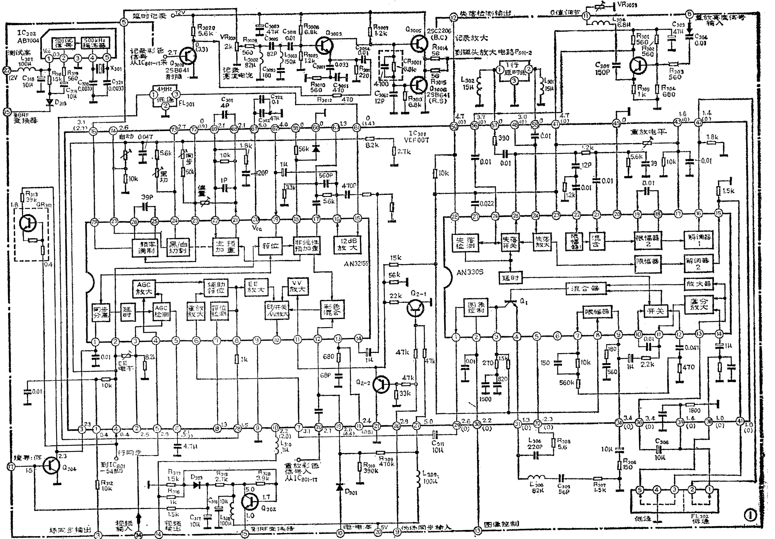
亮度信号记录和重放主要由复合集成电路IC\(_{3}\)01完成,其中包括两块集成电路即AN3215S和AN3320S,如图1所示。

1.亮度信号的记录:从线路输入的视频信号经印制板的34脚和IC\(_{3}\)01的5脚,从集成块AN3215S的4脚输入送到AGC放大电路,由AGC检测电路检测同步信号幅度的变化,送到这个电路,经调整使视频信号的电平保持稳定。从AGC放大电路输出的视频信号送到辅助箝位电路,使视频信号中的同步顶箝位在固定的直流电平上,箝位脉冲是从输入视频信号中分离出来的行同步信号。箝位后的视频信号分两路,一路从8脚输出通过IC301的28脚送到低通滤波器FL\(_{3}\)01的1端;另一路经EE放大器放大后再经EE/VV选择开关,从10脚输出经IC301的10脚及L\(_{31}\)0从印制板14脚输出接到录象机视频信号输出插口。低通滤波器FL301仅允许0~4MHz的亮度信号通过而滤除色度信号(色度信号的载频率为4.43MHz)从滤波器3端输出的亮度信号经IC\(_{3}\)01的61脚从AN3215S的15脚输入加到12dB放大器进行放大,经放大的亮度信号从16脚送出,经1μ电容从19脚输入后送到箝位电路进行箝位,箝位脉冲是由经IC301的4脚由AN3215S的2脚输入的行同步信号。经箝位的亮度信号送到非线性预加重再到主预加重电路进行处理,用以提升信号的高频分量来改善视频信号的信噪比。经预加重处理的信号中多余的上冲和下冲分量在黑白切割电路内去掉,避免以后在频率解调器中引起过调制。接在AN3215S的27脚的白切电位器可微调白色切割电平,接在24脚的黑切电位器可做调黑色切割电平。从主预加重电路输出的亮度信号从AN3215S的21脚输出,经偏置电位器从23脚输入加到频率调制器,将亮度信号变成调频信号。接在23脚的同步和偏置电位器用来微调频率调制器的偏置和工作状态,使视频信号的同步顶调制为3.8MHz,白峰调到4.8MHz。则亮度调频载波频率为3.8~4.8MHz,其调频后所占带宽为1~8MHz。亮度调频信号从28脚输出经IC\(_{3}\)01的76脚加到记录亮度电平电位器VR301,将亮度调频信号调到适当值,再经高通滤波器(由L\(_{3}\)002、L3003、C\(_{3}\)005和C3015组成)去除低频噪声和干扰,再加到混合放大管Q\(_{3}\)003的基极,同时从Q3003的发射器加入记录的彩色信号,经混合放大后从集电极输出,再经Q\(_{3}\)005和Q3006组成的记录放大器放大后,送到磁头放大电路经放大处理后,最后送到视频磁头去对磁带进行录制。
2.亮度信号的重放:录象机在放象时,从磁头放大电路来的重放调频亮度信号,由印制板的8脚输入加到Q\(_{3}\)01的基极,由Q301管进行频率补偿,接在Q\(_{3}\)01发射极的L304、C\(_{3}\)05和VR3051组成补偿电路,频率补偿量的大小由电位器VR\(_{3}\)051调节。经过频率补偿的信号从Q301的集电极输出经IC\(_{3}\)01的56脚从AN3320S的26脚输入,加到失落开关和失落检测电路。在重放调频亮度信号中往往存在失落现象,这是由于磁带质量不好、磁带表面磁粉脱落或其它原因造成的瞬间重放调频亮度信号的损失,如果这种失落得不到补偿,在重放图象上会有黑的或白的拖影,这就是重放信息的遗漏。失落补偿的工作过程是这样的:当没有失落存在的时候,调频亮度信号直接通过失落开关电路从AN3320S的25脚输出。当失落检测电路检测到有失落存在时,失落检测电路输出的信号一路经延时电路送到开关电路,另一路送到失落开关电路。通过这个电路的作用使25脚输出的调频亮度信号经0.01μ和390Ω从IC301的57脚输出加到1行延时线的1端,从延时线2端的输出信号经IC\(_{3}\)01的58脚和0.01μ电容从AN3320S的24脚输入加到失落放大器,经放大的信号送到失落开关电路,用前1行的信号来弥补这1行调频亮度信号的损失。从25脚输出的亮度调频信号,一路经高通滤波器(由12P、1.2k和0.01μ组成)将低频调幅信号去掉后再从22脚输入加到限幅器1;另一路经低通滤波器(由1.2k和0.01μ组成)去掉载波信号后再由21脚输入加到混合器,与限幅器1输出信号混合后再加到限幅器2。经过两次限幅处理后不仅去掉了重放调频信号的幅度变化,也没有损失调频成分。经双重限幅的调频亮度信号送到解调器1,再进行解调就不会发生黑白反转现象。经解调器1解调后的信号就恢复为原来的亮度信号,从AN3320S的16脚输出经IC301的42脚、低通滤波器FL\(_{3}\)02和C306又从IC\(_{3}\)01的36脚进去,通过13脚输入加到放大器和差分放大器将信号加以放大。另外从失落放大器输出的延时1行的信号送到限幅器限幅后送到解调器2也被解调变成亮度信号,从15脚输出经IC301的41脚加到低通滤波器FL\(_{3}\)02的3端,从FL302的5端输出的亮度信号经IC\(_{3}\)01的38脚和1μ电容从14脚输入加到差分放大器。当重放亮度信号中没有噪声时,差分放大器输出为0。如果存在随机噪声则差分放大器输出噪声信号。该噪声信号从11脚分两路输出,一路经2.2k和1μ电容从9脚输入加到限幅器,经限幅器后从7脚输出经10k、560k和0.047μ电容从12脚输入加到开关电路;另一路经0.01μ电容从10脚输入也加到开关电路,通过开关电路再加到混合器,在混合器中,该噪声信号将与放大器来的主信号相减,从而能消除主信号中的噪声信号。从混合器输出的重放亮度信号加到Q1的基极,Q\(_{1}\)与接在AN3320S的3、4脚的元件组成去加重电路,将在记录期间加在视频信号中的加重分量去掉。经去加重的信号送到图象控制电路,在录象机前面板安装的图象控制电位器与印制板13脚相接,用来调节图象控制电路的工作状态,使用户得到满意的图象。从控制电路输出的重放亮度信号从1脚输出经IC301的29脚送出,经C\(_{311}\)和7脚、6脚输入送到重放放大电路进行放大,再经辅助箝位电路箝位,从8脚输出经28脚加到低通滤波器FL301去掉高频噪声干扰。然后重放亮度信号经过61脚和15脚输入,经12dB放大器、箝位电路和非线性预加重电路的放大处理后,加到彩色混合电路与从12脚输入的重放彩色信号混合成视频信号,经VV放大器放大后通过两个10脚送出,一路直接从印制板的14脚送出经主印制板上的缓冲级,送到录象机后面板视频信号输出插孔。另一路经电阻R\(_{316}\)和R317分压后加到射随器Q\(_{3}\)02的基极,从该管射极输出的信号从印制板的15脚输出送到RF变换器。
当录象机置于测试方式时,12伏从印制板22脚送入加到IC\(_{3}\)03的1脚,使IC302开始工作,其内部振荡器产生500kHz信号加到测试信号发生器,产生测试信号从IC\(_{3}\)02的2脚输出经D319和印制板15脚送到RF变换器。当有测试信号产生的时候Q\(_{3}\)02管截止,仅有测试信号从射频插口输出。在搜寻和静象方式时,为了防止由于场同步期间存在噪声带而使重放图象场跳动。伺服电路产生的负极性伪场同步脉冲从印制板9脚送入并经26脚输入加到Q2—2的基极,在场同步期间使Q\(_{2—2}\)导通使AN3215S的11脚电位箝到0。这样就用伪场同步信号代替了从磁带上拾取的场同步信号,从而改善了搜寻和静象方式时的图象质量。(未完待续)(葛慧英)