4DH2型恒流管是一种新型集成电路恒流管,其特点是起始电压低,用二个外接电阻来调节电流值和电流温度系数。该管外接电阻后,仍呈二端形式,可以浮置,无需另配电源。使用时只要将它串入有关电路中即可。用4DH2型恒流管与铂电阻、硅PN结等感温元件配合使用时,则不仅性能优良,而且简单方便、成本低廉。
特性参数

4DH2型恒流管采用四引线B—3金属管壳封装,其外形图与电路符号如图1所示。图1(c)给出了连接方式,其中R、R\(_{C}\)为外接电阻。使用时将它串入电路,1端接电路中高电位处,2端接电路中低电位处,即可起恒流作用。按图1(c)连接后,只要把1端作为正极,视2端为负极,用测试普通半导体二极管相同的方法,在JT—1图示仪上可观察到它的伏安曲线如图2所示。其主要技术参数由表中给出。其中IH为恒定电流值;V\(_{S}\)为起始电压(维持恒流管电流恒定所需最小压降);Z为动态阻抗(定义为一定温度下恒流管伏安曲线斜率的倒数),VB为击穿电压;C\(_{TI}\)为电流温度系数(定义为温度变化一度所引起的恒定电流的相对变化。4DH2型恒流管的电流大小取决于外接电阻R及RC的阻值。不论R或R\(_{C}\)的阻值减小时,电流都增大,反之亦然。4DH2型恒流管的电流温度系数取决于外接电阻R、RC的比值。温度传感器所需恒流源要求低温度系数,可以用查图线的方法,给出|C\(_{TI}\)|≤1×10\(^{-}\)4/℃时不同电流下对应的R、RC值。R/R\(_{C}\)比值增大,CTI减小;R/R\(_{C}\)比值减小,则CTI增大。适当调节使|C\(_{TI}\)|达到1×10-5/℃是不难的。


在数字温度计中的应用
硅PN结感温元件是常用温度传感器之一。当它通过恒定电流时,其压降随温度升高而降低,选取合适的工作电流是获得良好感温特性的关键之一。

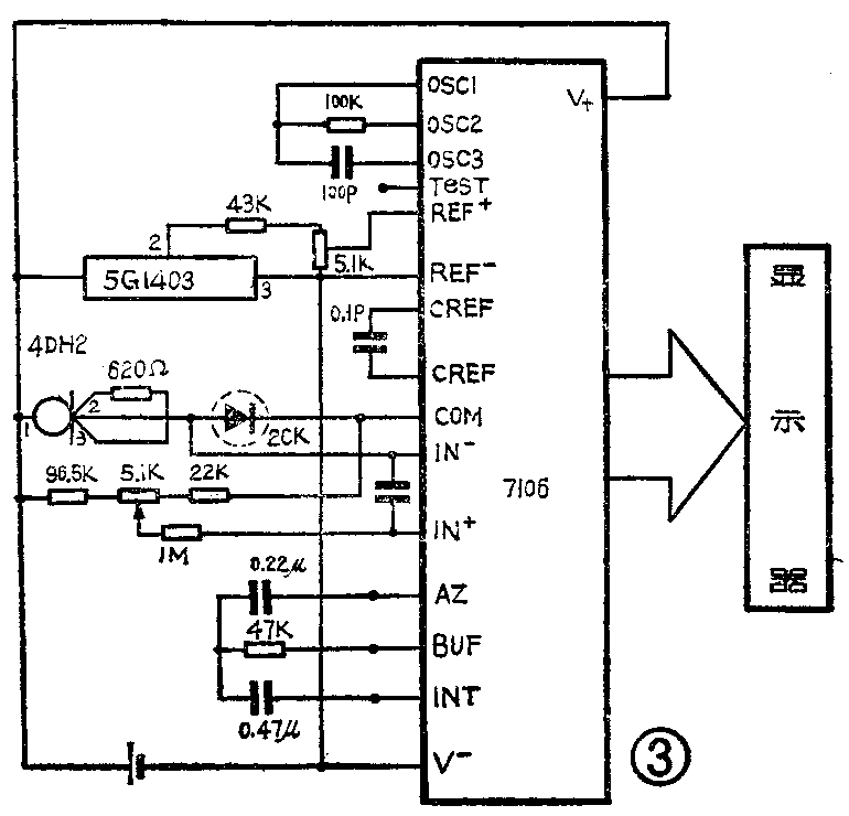
SW型数字温度计是采用经老化筛选的PN结感温元件与4DH2型恒流管装置而成的,其电原理图如图3所示。其中电源采用9伏层迭电池。4DH2型恒流管的二只外接电阻为R=620Ω,R\(_{C}\)=6.2kΩ。从传感器得到的模拟信号,经国产单片双积分型CH710(A/D)转换器变换成数字信号,再经锁存、译码和显示驱动电路送给3\(\frac{1}{2}\)显示器显示出数字。这种数字温度计可应用于渔业生产中,效果很好。
顺便指出,将4DH2型恒流管应用于其它需要恒流供电的传感器,如铂电阻、扩散硅压敏传感器、霍耳传感器等也同样可以改善性能、简化电路,降低成本。(陈连子 郭明忠)