铁弹走迷宫
走迷宫是大家喜爱的一种游戏,因为它体现了人类勇于探索的进取精神。这种玩具是一个直径约140毫米,高约35毫米的精致圆盒。通过透明的盒盖,可以看到里面有一座六角形的迷宫模型,见图1。象征探迷宫勇士的是一个直径5毫米的铁弹。游戏时不得揭开盒盖,而是靠倾斜盒子的办法来控制铁弹滚动的。当铁弹从入口滚进迷宫时,迷宫中央大厅里的红灯就发出光来;铁弹从出口闯出迷宫时,红灯会自动熄灭,并发出历时几秒钟的“号角”声,庆贺这次探索获得成功。由于在玩具里加装了用电子线路控制的灯光、音响效果,使游戏者感到分外有趣。

CO36集成块简介
玩具的电子线路,主要由一片CO36型2输入端四与非门构成。
图2(a)是2输入端与非门的符号。它有二个输入端A、B和一个输出端Q。它和与门符号不同的地方,是在小方框后面又加了个小圆圈,这个小圆圈就用来表示“非”——即电位高低相反的意思。与非门传输信号的规律,可用下面的真值表(表一)全面地表示出来。概括起来说,与非门仅仅在所有输入端全部为“1”时,输出才是“0”(真值表第1行);只要其中有一个输入端为“0”,输出就是“1”(真值表2至4行)。上述规律,可以编成两句便于记忆的歌诀,就是:“见0出1,全1成0”。


一片CO36型集成块里,包含着四个2输入端与非门,引出线的排列见图2(b)所示。
电路原理
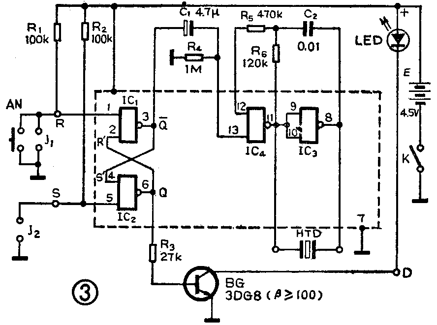
整个电路见图3所示。主要可分RS触发器和音响器两个部分。

RS触发器由IC\(_{1}\)和IC2两个与非门构成,它有两个输入端R、S,以及两个输出端Q、Q-。仔细观察一下,IC1的输出端Q-又与IC\(_{2}\)的一个输入端S'相接,IC2的输出Q又与IC\(_{1}\)的一个输入端R'相接,形成一个正反馈环路。正常应用时,Q和Q-两输出端电位的高低恰恰相反,即在Q端为高电位时,Q-端为低电位,我们把电路的这种情况称做置“1”状态;在Q端为低电位时,Q-端为高单位,称做置“0”状态。由于R、S两输入端都有一个100千欧的电阻接VDD,均处于高电位,所以在开启电源时,电路究竟是出现置“1”状态还是置“0”状态,那是没有一定的。游戏开始前应按一下置“0”按钮AN,使R端的电位下降至0,于是电路里就产生了如下的链锁反应—

在几微秒的时间里,电路便翻转为置“0”状态;电路翻转后,由于R’端已变为低电位,放开AN,仍能保持置“0”状态不变。
在电路处于置“0”状态下,如果让S端的接点J\(_{2}\)闭合一下,使S端的电位下降至0,那么电路里就产生相反方向的链锁反应

顷刻间电路就翻转为置“1”状态,同理,J\(_{2}\)脱开后,电路也能保持置“1”状态不变。
在玩具中,J\(_{2}\)装在迷宫入口处,铁弹进入迷宫时,接通J2,RS触发器就跳变为置“1”状态,Q端输出为高电位,BG导通,LED发光。J\(_{1}\)装在迷宫出口处,铁弹滚出迷宫时,接通J1,RS触发器就翻转为置“0”状态,Q端跳变为低电位,BG截止,LED熄灭;同时Q-端跳变为高电位,经C\(_{1}\)向音响器发送一宽达数秒的脉冲,使它发出“号角”声来。
音响器由IC\(_{3}\)和IC4两个与非门组成。这里IC\(_{3}\)的两个输入端被合并在一起,当作非门来使用。IC4的两个输入端,一个(12脚)用来构成音频振荡器,另一个(13脚)作为控制端,在控制端为高电位时,振荡器才会产生振荡,控制端为低电位时,振荡器就立刻停振。产生的音频信号为矩形波,重复频率f与R\(_{6}\)C2的乘积成反比——f=0.625/R\(_{6}\)C2(Hz)在本设计中,f约为520赫兹,音调接近于C调的i。用来发声的器件HTD是一片直径20毫米的压电陶瓷片,直接跨接在IC\(_{3}\)和IC4的输出之间。
制作和调试
电路的装置可参考图5进行。J\(_{1}\)、J2和AN暂不接入,用一根长约100毫米的临时接线来代替一下,临时接线一端接电源负极,另一端剥出线头让它悬空。焊接后,再仔细检查无误,即可开启电源按下列步骤进行调试:

1.RS触发器的调试 用临时接线的悬空端去接触印制板上的R端点,电路就翻转为置“0”状态可测得Q-端(3脚)的电压约等于V\(_{DD}\),Q端(6脚)的电压为0伏,LED熄灭。然后用临时接线的悬空端去接触印制板上的S端点,电路就翻转为置“1”状态,测得Q端的电压约等于VDD,Q-端电压为0伏,LED发光。试下来如果情况正是这样,说明RS触发器、指示器部分电路都是正常的。如果Q端Q-端的电压不能作正常的跳变,很可能是集成电路的某个接脚没有焊好,应重点检查1至7脚和第14脚。如果Q、Q-两端电压正常,而LED不会发光或不能关熄,那么故障就只能在R\(_{3}\)、BG、LED这部分电路里。
2.音响器的调试 在RS触发器跳变为置“0”状态时,音响器应当能发出历时几秒钟的叫声。如有异常情况,先应检查C\(_{1}\)的质量是否有问题:C1内部开路,就不会产生叫声;C\(_{1}\)容量不足,叫声极短;C1漏电较大时,叫声就不会自动停止。如果完全没有声音,可把集成电路的第13脚与14脚连接在一起试试,如果试下来没有声音,可以确定故障在音响器电路内。可重点检查集成电路8至13脚,看有没有脱焊。
印制板、电池都装在玩具盒底的夹层里,电源开关K和置“0”按钮AN可装在盒子的一侧。由于压电陶瓷的音量较小,在盒底夹层里要做一个横截面约20×20(毫米)\(^{2}\),长约140毫米的共鸣腔,共鸣腔一端开口,一端装压电陶瓷片。(华川)

