·编者按·为配合本刊与《电子世界》联合举办的“555时基集成电路应用制作竞赛”,更好地开发“555”的应用,我们特组织了这篇详细资料,供广大爱好者制作时参考。
自1972年首先由Signetics公司推出时基电路555以来,“555”得到了很快的发展和推广应用。继NE555后,美、日等国相继生产了LM555、RM555、CA555、SE555、SN72555、XR555等同名产品。1974年Signetics公司又推出了将两个555集成在同一硅片上的双时基电路NE556。1978年美国Intersil公司利用CMOS工艺研制成了ICM7555单时基电路、ICM7556双时基电路,它们与NE555和NE556在功能和外引线排列上完全相对应,形成了双极与CMOS两个电路系列。
1981年上海元件五厂仿制成双极时基电路5G1555,以后又相继制造了CMOS单、双时基电路5G7555和5G7556,完成了两个系列国产化的工作。本文向广大读者介绍的是“555”的有关技术资料及一些应用电路。
一、555和556的应用资料
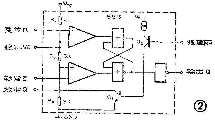
1.等效电路和封装:双极型555和556的等效电路示于图1。两者不同之处在于前者仅一个单元,后者内含两个图1单元。

在图1电路中,Q\(_{1}\)~Q6构成上比较器;Q\(_{9}\)~Q13构成下比较器;Q\(_{14}\)~Q18组成一个类似的R—S触发电路,它可用二个门互耦反馈的逻辑单元来等效;Q\(_{19}\)~Q21是驱动级,用来扩大输出能力;Q\(_{7}\)作主复位控制管;Q8是电荷放电管,起开关作用。图1电路可简化为图2所示的等效功能电路。显然555电路(或者1/2556电路)内含二个比较器,一个触发器,一个驱动器和一个放电晶体管。两个比较器分别被电阻R\(_{1}\)、R2、R\(_{3}\)构成的分压器设定的\(\frac{2}{3}\)Vcc和1;3V\(_{cc}\)限定比较阈。

图3示出CMOS555和556即ICM7555和ICM7556的内部等效电路,与图1比较,除了图3中用MOS晶体管取代图1的双极型晶体管外,其余完全类同。十分明显,图3电路的比较器以及复位控制管的输入阻抗较图1高出几个数量级,因此,可作长延迟的应用。图4示出图3的简化方框图,它与图2实为同一性质。必须说明,CMOS时基电路和双极型时基电路在驱动能力上不能相比,后者可直接驱动线圈之类低阻负载,前者则只能驱动阻抗高的负载。


图5示出NE555的封装与引线排列,单时基有圆形和双列直插两种封装,双时基556仅一种双列直插式封装。

2.电参数与外引线功能:555和556就单一时基单元来说,电参数类似,但双极型与MOS型不同工艺的时基电路在电参数指标上有较大差别。为简便,我们在表1中列出555(双极型单时基)与7556(CMOS双时基)二种不同工艺的时基电路的参数。

CMOS时基电路输出驱动电流与工作电源相关,在5V、10V、15V下输出端对地的瞬间短路电流为1mA、8mA和16mA,而对电源(V\(_{dd}\))的瞬间短路电流为4mA、30mA和80mA。
实际应用时视需要选用,在负载轻、要求功耗低和定时长(定时电阻>10MΩ)时,一般应用CMOS型,相反在负载重(如继电器、扬声器等)电压高场合、则选用双极型,某些场合也可利用各自的特点两者兼而取之。
555和556作为一个时基单元,有相同的引出功能端,归纳起来有:
(1)输入功能端
(a)复位端R——用\(\frac{2}{3}\)V\(_{cc}\)(或2;3Vdd)以上的电压输入,可使电路复位,即输出端处于逻辑“0”电位(放电管导通)。
(b)置位端S-——用低于\(\frac{1}{3}\)V\(_{cc}\)(或Vdd)的电压输入,可使电路处于置位,即输出端处于逻辑“1”电位(放电管截止)。
(c)强复位端MR-———该端加一个逻辑“0”电平时,不论R、S端处何种电平,电路均处于复位状态,即输出为“0”。
(d)电位控制端VC——此端加入外部电压,可以改变电路内部两个比较器的比较阈值,从而控制电路翻转门限。
(2)输出功能端:
(a)输出端Q——电路连接负载端。
(b)放电端Q’——接电路内部放电管的集电极(或MOS管的漏极),用来控制外部定时电容放电与充电。
(3)工作电源端:
(a)V\(_{cc}\)(或Vdd)——外接正电源端;
(b)GND(或V\(_{SS}\))——外接负电源端。
表2列出这些引出端的真值表。显然,与一般数字电路不同,其S-和R的输入不一定要逻辑电平,可以是模拟电平,因此电路兼有模拟与数字的特色。

二、555(或556)的应用例举
1.555的三种基本应用模式:无论是双极555或CMOS7555,其应用都可归纳于下面三种基本模式,通过外部元件的不同配置与组合,可演变出各种各样的实用电路。
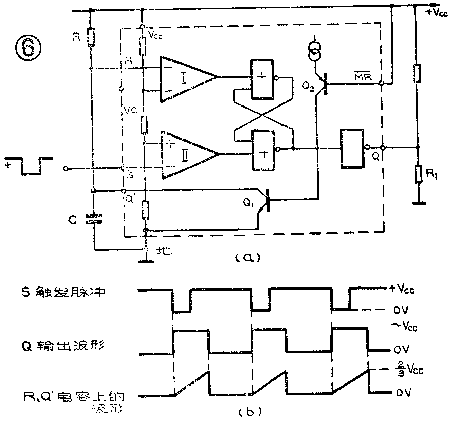
(1)单稳态多谐振荡器模式:
将555按.图6连接,只要在外部接入定时R和C,即可构成一个高精度的单稳态多谐振器。当S-端受负向脉冲触发后,电路进入暂稳态,Q端呈现高电平,暂稳时间t\(_{d}\)等于定时电容C上电位从0上升到\(\frac{2}{3}\)Vcc的时间。
t\(_{d}\)=1.1RC(秒)。
由此可见,t\(_{d}\)与Vcc无关,仅决定于R和C且是线性的。图6中波形说明了单稳态的工作过程。

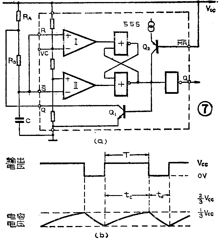
(2)无稳态多谐振荡器模式:
将555按图7的形式连接,可构成不需外部触发的无稳态多谐振荡器模式。这个电路输出是脉冲或方波,如果在VC端加上控制电压,可构成调制形振荡器。振荡频率为:
f\(_{o}\)=1.44(RA+2R\(_{B}\))C(Hz)。

(3)双稳态多谐振荡器模式:
图8示出利用555的S-和R(或MR-)端组成的电平触发器,它具有高和低两个输出电平,如同一个R-S触发器。利用这一模式,还可将555组成电平转换器,施密特触发器和长线驱动器等。

2.555应用十例:
(1)曝光定时电路:见图9。微动开关K按下后松开,定时计时启动。从图可知,K按下时,定时电容C两端被短接,使S-端的电位为“0”电平,555电路处于置位状态,Q端为高电平,继电器J无电流流过,其常闭触点将曝光灯点亮,进入曝光定时阶段。K断开后电容C经场效应管3DJ7组成的电流源以恒定电流充电,当R端电位达V\(_{cc}\)时,555被复位,Q端输出“0”电平,继电器吸合,常闭触点断开,曝光结束。定时时间为:
t\(_{d}\)=\(\frac{2CV}{3I}\)c。

(2)长延迟电路:见图10。当555的S-端受到负向脉冲(或开关闭合)触发时,Q端输出高电平,使模拟开关CC4066中S\(_{1}\)闭合,导致S2断开,定时电容C\(_{t}\)被充电。为了获得长延迟时间,电路采取二个措施:用高阻抗运放CA3140作缓冲放大,另外尽可能取高值电阻Rt,但过大的R\(_{t}\)会影响精度,Ct漏电也会产生影响,为此用反馈自举电路使R\(_{t}\)两端在整个充电过程中,保持电压近似不变。图示参数可估算出充电电流Ic≈10nA延迟时间近似为:
t\(_{d}\)=2×15×10\(^{-}\)63×10-9≈1×10\(^{4}\)秒。
若R\(_{2}\)取20kΩ,则td约1小时左右。

(3)脉冲宽度检测电路:见图11。555接成单稳态延迟电路,输入信号经BG\(_{1}\)倒相放大后触发555的S-端。在被测脉冲持续期间(Vin为高电平期间)晶体管BG\(_{2}\)上等于加上集电极电压Vcc,此时,由于555被置位,Q输出亦为高电平,使BG\(_{2}\)基极同时被偏置,因此检测期间BG2集电极输出低电平;当被检测输入脉冲V\(_{in}\)的宽度大于555设定的延迟宽度(1.1R1C\(_{1}\))时,BG2集电极施加电压的时间大于基极偏置时间,V\(_{out}\)输出高电平,表示被测脉冲宽度超过规定宽度。

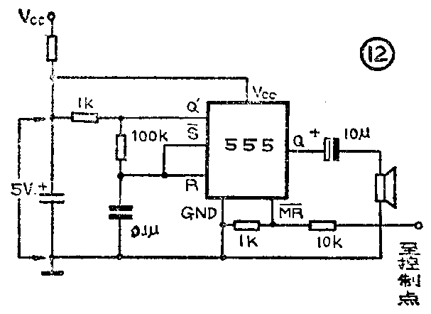
(4)报时信号发生器:将555接成多谐振荡器,并且主复位受定时信号控制,则可构成报时信号发生器,图12示出这一电路。

图中MR-端受外信号控制,平时呈低电位,它可接至电子钟的定时输出端,亦可接至防窃器的防护端,一旦MR-呈现高电平,扬声器便产生如闹钟的声音。
(5)液位报警监控电路:图13是用555构成的液位监控报警电路,图中555接成多谐振荡器,一对探测电极并接在定时电容C上,液体将电容短路,当液位低于电极平面时,电路开始产生振荡,扬声器发出报警声。

(6)节拍发生器:将555按图14连接可构成节拍发生器,速度可从每秒1拍到每秒几拍(调节W\(_{1}\))。发光二极管用来显示节拍速度,W2用来调节亮度。

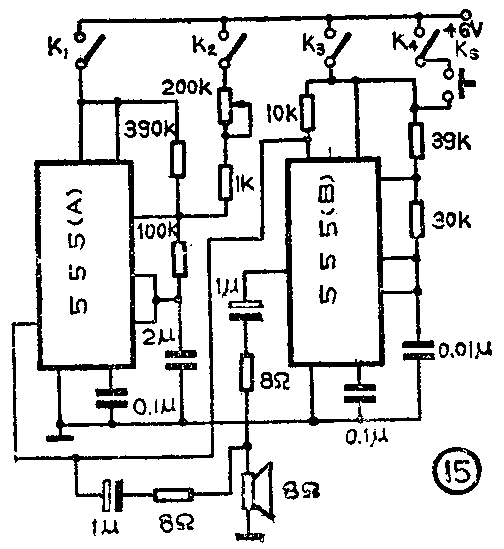
(7)多用途模拟音发生器:用二片555(或一556)可组成一个多用途模拟音发生器,图15示出这一电路。这个电路可用作莫尔斯电码练习器,电子催眠器或者变音发生器等。

当图中K\(_{1}\)接通时,仅555(A)工作,此时它是个频率约1Hz,占空比≈80%的振荡器,扬声器发出下雨般的催眠声,使人昏昏欲睡。当只接通K4时,555(B)工作,如用电键取代K\(_{s}\)开关可用于莫尔斯发报练习。当K1、K\(_{2}\)、K3都接通时,555(A)和555(B)都工作,形成变音发生器,此时555(A)用来对555(B)进行调制。
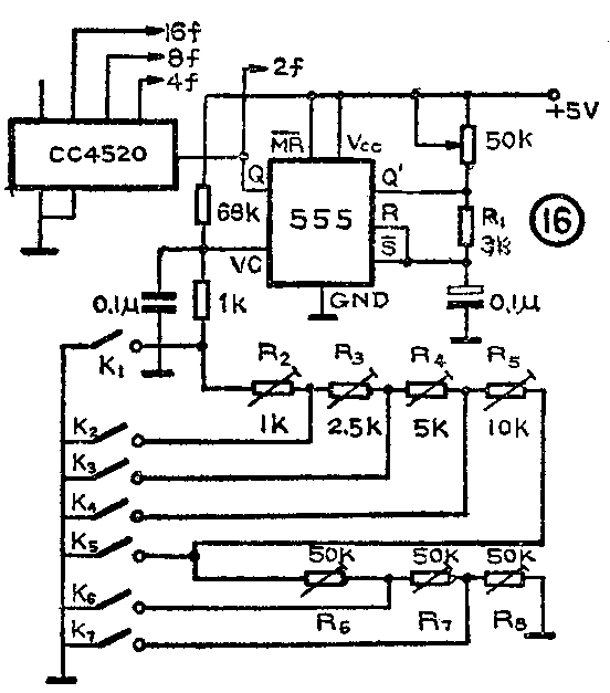
(8)音阶发生器:将555与计数电路组合,可组成一个简单的音阶发生器,图16示出它的原理图。图中555接成电压控制方波发生器,通过琴键开关的控制,改变555VC端的电压来改变振荡频率,计数器CC4520用来将555的输出分频成4个频率,使音调逐次降低8度,R\(_{2}\)~R8用来校准8个音符的音调。

(9)电压检测电路:将555按双稳态模式配置,可构成电压检测电路。图17示出这一电路。用一个稳压管接到被检测点上,当被检测电压低于(V\(_{z}\)+\(\frac{1}{3}\)Vcc)时,555的S-端被触发,使LED点亮。如将这个555的输出去控制另一个555的MR-端,还可组成报警电路。

(10)过电流保护电路:将555按图18连接,可实现对电机的过流保护。图中当电机过流时,555的S-端将高于13V\(_{cc}\)而使555复位,切断电机电流。

本刊1980年第12期第22页;1982年第7期第30页;1987年第3期第27页均刊有“555”及“556”的文章,请读者参考。(王国定)