问:我想为一台金星B35—2U型集成电路电视机加装一个机外音箱,现在手头有2VA、8Ω、6\(\frac{1}{2}\)英寸和2VA、8Ω、2英寸的扬声器各一只,不知能否使用?是否要用分频器?
答:B35—2U型机用的是YDI型IVA、16Ω、4英寸扬声器。为了使阻抗匹配,通常要求外接扬声器的阻抗也为16Ω左右。你的两只扬声器的阻抗均为8Ω,因此一般可以直接串联起来使用,不必使用分频器。但串联使用时要注意两只扬声器的相位,通常以同相连接效果较好。关于扬声器相位的判别可参阅本刊1983年11期24页上《扬声器相位对音质的影响》一文;也可以在实际试听时以音响效果的优劣来决定;现在有不少扬声器的引出线端均标有色点来表示同相端,这样就使得连接更为省事了。由于上述两只扬声器串接后使音箱的额定功率成了4VA,比原机内的扬声器功率大了不少,因此音箱的发音响度将受到影响。另外因为6\(\frac{1}{2}\)英寸扬声器及B35—2U型机伴音频响的限制,所以用音箱来改善音质,一般仅对中、高音有效果,对低音的作用就很小。(王德沅)
问:显象管装在电视机上后,图象亮度低,而且很不稳定。更换另一支管子后,图象恢复正常,该显象管是什么质量问题?
答:可作这样的鉴别:在显象管阴极回路里接直流电流表,放在1或2mA量程档。阴极接地,灯丝与加速极接额定工作电压,调制极接负偏压,其他电极都悬空。当接通电源后,调节调制极负偏压值,使阴极电流在500微安左右,如果阴极电流缓慢地上升,经过半分钟后尚没达到稳定值,说明该管制造过程中对阴极老练激活不够。管子使用的过程,也是继续对阴极进行老练激活的过程。使用一段时间后,电视图象会变亮并逐渐趋于稳定,这种管子可以装机使用。
当接通电源后,阴极电流很快地达到稳定的电流值,说明此管阴极已经中毒,只能提供低水平的发射电流,而且所提供的电流很不稳定。这种管子不可装机,可进行复活处理。(邹家祥)
问:有台湾产“雪莱”牌黑白电视机出现无伴音故障,经检查发现系集成电路56A101—1中前置低放电路损坏,请问有何办法可以修复。
答:针对故障现象,可以利用外接电路,例如在本电路中先断开56A101—1③、④脚与外部连线,然后接入一只高频小功率晶体三极管如3DG4或3DG6等,替代电路中的前置低放作用,便可将该机修好。(于世君)
问:一台三洋CTP—493SJ彩色电视机近期出了故障,查出是调整管2SD1365、行输出管2SD1425损坏,问有哪些国产管可代换?
答:2SD1365、2SD1425都是日本东芝公司生产的硅型开关管,其中2SD1425是含有阻尼管作用的复合管。这两种管的技术性能如下表所示:

2DS1365的外形如图1所示,2DS1425的外形如图2所示。在国产晶体管中能找到与这两管性能相同的管子,但由于外形相差太远,安装散热片有一定的困难,因此本文只介绍一些进口的代用管,2SD1365可用2SC3086、2SC3178、2SD3353代用,2SD1425可用2SD1396、2SD1453、2SD1439代用。(朱惠泉)

问:收看电视机时,亮度为什么不宜开得过亮?
答:因为显象管是靠电子束轰击荧光屏内荧光粉而发光的。阴极发射的电子经过聚焦轰击在荧光屏上,发射的电子数量越多,速度越快,荧光屏就越亮。若荧光屏经常处在过亮情况下,就容易过早老化,变暗。另外,若轰击荧光屏的电子越多,相应地耗电也越大,机内元件温度增高,也容易损坏,所以在收看电视机时,亮度不宜开得过亮,这样可延长显象管寿命,减小耗电,并且对视力也有好处。(周仁德)
问:我有一台夏普QT—94型收录机,其中的“END SENSOR”功能元件损坏,该元件在线路图中的符号见图1,请问这是什么元件?可用何种型号的国产元件代换?
答:“END SENSOR”是“录放终止传感器”,它是一种由发光和受光体制作在同一个密闭器件中的光耦合元件,作用是对光传感,其二极管符号是发光源,由砷化镓(GaAs)制成的发光二极管,作为器件的输入端。那无基极引线符号的是用硫化镉(CdS)制成的光敏三极管,为器件的输出端,最受光体。当输入端有电信号时,发光体点燃,受光器在光照后,因光敏效应产生了光电流,输出后去控制受控器件(如继电器)。这是一种以光为媒介的电信号的传输方式。
国内有上海半导体器件八厂生产的GH303B型光耦合器,外型为四脚双列直插的,该厂生产的GD14型光耦合器,外型是同轴的,这种外型见图2,它们可以代用。另外,苏州半导体器件厂生产的GO100系列的GO101~GO104光耦合器也可代用,它的外型也有双列直插与同轴的两种,前些年生产的双列直插式的是八脚排列,如下图。用万用表即可区分光耦合器的输入与输出端:用电阻档(所用电池电压高于1.5V),测量同边的两脚有二极管特性的即为输入端。(张国华)

问:我站有一台江苏泰兴生产的海燕B822—Ⅱ型调幅调频收转机,收听邻近几家调频电台信号很稳定,收转本县调频信号时,出现上次插音结束时收转正常,下次插音开始时声音很小,只要微调一下接收机频率旋钮就一切正常。请问是不是收转机有毛病?
答:海燕B822—Ⅱ型调幅调频收转机质量较好,逃台的情况很少发生。出现这种情况可能是你县调频广播机电气参数发生变化引起的。据我们所知,县级小调频台,大都采用电子管调频发射机,例如:TPF—Ⅱ型50瓦脉冲调相调频发射机,未级使用电子管FU—29,FU—19,全功率使用时衰老较快。这两级均处于高电压、大电流状态,工作起来不但电子管温升高,而且振荡回路电感电容温度也较高,初始状态和工作一段时间后(冷态和热态)电子管的极间电容和回路中的参数也不完全一样,所以刚开机时频率稍有漂移。这种情况对新机器和晶体管发射机来讲是很少发生的。(梁怀斌)
问:一台组合式双卡收录机中的功放集成电路TDA2009坏了。经多方设法没能购到这种型号的集成块,也查不到它的特性参数。不知有否性能类似的国产集成块可供代换?
答:TDA2009是一种性能优良的高保真立体声功放(双功放)集成电路,其主要特性参数如下:正弦平均输出功率10W+10W、负载阻抗4Ω、电源电压28V、开环电压增益大于85dB、3dB带宽优于15Hz~80kHz、输入阻抗典型值为70KΩ、总失真小于0.1%。国内目前已有同类产品,型号为XG2009,是由国营新光电工厂(四川青川县)生产的。XG2009可以直接代换TDA2009。(申薇)
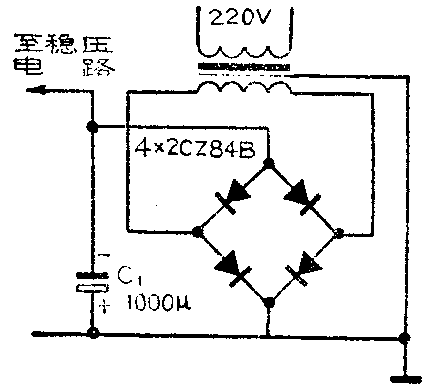
问:一台上海牌L—316型录音机中的整流桥堆QLIA30损坏过几次了。现在当地没法购到这种桥堆,能用其它元件来代替吗?怎样才能防止桥堆经常损坏?
答:QLIA30可用四个整流二极管按桥式整流方式连接后代替,如附图所示。二极管可选2CZ84B、2CZ84C、2CZ85B、 2CZ85C等型号;也可以用正向平均整流电流为0.5A、反向工作电压为30V以上的其它型号的二极管。

桥堆损坏的原因主要有本身质量不好和通过电流过大等。如查电路无过载现象,则一般就是由前者引起的。因此无论是用桥堆还是二极管,都应选质量好的,避免使用劣质处理品或副次品。另外,图中的四个二极管的正反向特性不能有大的差异。如果在每个二极管上都并联一个4700~10000PF的电容器,则能减小浪涌电流对二极管的冲击,起到一定的保护作用。当使用桥堆时也同样可并上四个电容器。(德沅)
问:我有一台日产三洋9994K收录机,走带速度较慢,但很稳定。怎样调整才能使带速正常。
答:带速慢说明主导轴转速变慢。此时若没有抖晃及转速不稳定的现象出现、说明机芯传动部分的基本功能正常,应重点检查电源、电机两部分。首先打开机壳。测量整流电压是否正常,如果电压不正常应立即排除电源故障;如电压正常,可用一把小起子伸进电机后盖封条下的小孔,调整一下电机转速,如果带速有变化可用转速表对电机转速进行调整。在无转速表的情况下,可用比较熟悉的一段音乐。在正常的收录机上放音并记下时间,再将这盒磁带在待调整的收录机上放音,反复调整,直至认为正常即可。如果调整时带速无变化,可能是稳速电路发生故障。这时应检查稳速电路中的元件,排除故障。
另外,电机缺油或污垢多,主传动皮带、电机皮带槽内和飞轮槽内有油污,也会使带速变慢,应立即清洗油污进行修理保养。(梁兵)