金星C47—312彩色电视机是由分立元件组成的,线路比较复杂,故障率高。在维修这种电视机时,首先要对故障现象有一个比较清楚的逻辑判断,然后循根求源,找出故障点,以免走弯路。本文仅就该机色不同步这一故障,介绍其检修方法。
色同步概念
我国目前采用的彩色电视广播制式是PAL—D制,即把带有彩色基色信号的两个色差信号正交调制在一个频率为4.43MHz的副载波上,并把V信号分量进行逐行倒相,为了减少彩色信号对亮度信号的干扰,这个4.43MHz的副载波必须抑制掉。在接收端,要重现彩色图象,可采用同步检波的方法,把两个色差信号从全电视信号中取出并进行分离。但是同步检波要求接收端把原来发射时所抑制掉的4.43MHz副载波再正确地恢复出来。也就是在接收端要产生一个频率和相位与发送端副载波完全一致的4.43MHz的副载波信号。如果产生的副载波与传送信号的副载波有相位差,则检出的色差信号要互相干扰,即所谓的串色干扰。怎样保证这两个副载波完全一致呢?通常的办法就是在发送电视信号的同时也传送一个基准的“零”相位副载波,把它安插在对图象内容无影响的行消隐脉冲的后肩上,如图1所示。这个“零”相位副载波用来作为定相信号。在接收端,可用一个行频选通脉冲,将这个定相信号选出来,加到接收机的副载波振荡器中控制其振荡的频率和相位,使之与发送端被抑制的副载波保持同步,以便从副载波上取出所需要的色差信号。

由此可知,如果接收机的基准振荡器不工作或是它的频率和相位不能锁定色同步脉冲,则会出现色不同步故障。
检修过程
彩色不同步现象,常见的大致有两种:一种是因为基准振荡器完全没有控制电位或是控制信号太弱,这时,黑白图象正常,彩色图象上有彩色水平带或框子在屏幕上向上或向下漂移;若收看彩条信号,则出现如图2(b)所示的不正常现象,图2(a)是标准的彩条信号所显示的颜色。另一种是基准振荡器有直流控制电位,但是副载波振荡的相似与色同步脉冲之间有一定的误差,这时不但引起色不饱和,而且还会引起“百叶窗式干扰”和“色调误差”,其故障现象如图3所示。


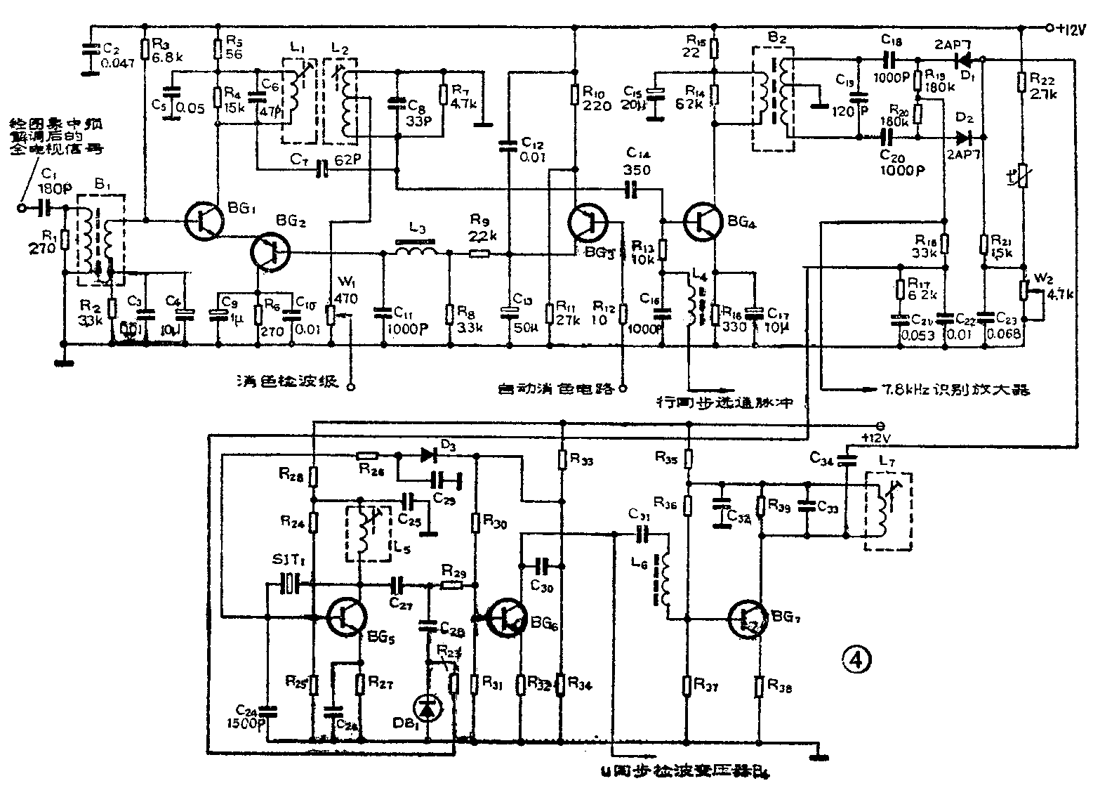
金星C47—312型彩电的解码部分的电路如图4所示,图中各晶体管各脚电压见附表。在检修时,首先要根据屏幕上反映的故障现象,判断故障属于哪一类。如果是属于“色调误差”故障,则说明色同步脉冲选通级BG\(_{4}\)(包括BG4)以前的电路工作正常,色同步脉冲已经被选通(否则不会出颜色),很大可能是基准副载波振荡器的频率和相位不能严格地与发送端被抑制的副载波同步而引起的色调失真,因此,应该仔细地检查基准振荡器的振荡级BG\(_{5}\)及其放大级BG6、BG\(_{7}\)。具体方法:首先把示波器接在BG7的集电极上,正常时,显示出来的波形如图5所示。如果要用频率计来测量的话,正确的频率应该是4.433619MHz。当变容二极管DB\(_{1}\),晶体STJ1或振荡管BG\(_{5}\)有故障,晶体振荡线圈L5或预置电位器W\(_{2}\)调节不妥当时,都会使其振荡频率偏离4.433619MHz,而引起色不同步故障。判别故障是否出在振荡级上的方法:将电感L4一脚与电路板脱离,把色同步脉冲除去,调节W\(_{2}\),可以使振荡频率准确地调在4.433619MHz上,如果调不到这个频率或是在该点上不稳定,则说明振荡级有故障,应该检查一下BG5\(_{1}\)、SJT1以及振荡级的外围电路元件。如果振荡频率正确而且稳定,再把色同步脉冲重新加上,使振荡频率同步锁定色同步脉冲,如果故障仍存在,则应该仔细地检查振荡器的放大级BG\(_{6}\)、BG7以及它们的外围电路元件,如:U同步检波变压器B\(_{4}\)失谐或鉴相推动线圈L7调偏,都会造成色同步不良故障。



如果判断是“随机漂移”故障,则说明色通道BG\(_{1}\)、自动色度控制电路BG2、BG\(_{3}\)以及解码器电路中的消色器BG14工作正常,引起故障的部位大多在振荡器(包括振荡器本身)以前的电路上。为了准确无误地找出故障出处,最好逐级检查。先检查色同步选通电路(BG\(_{4}\)),当图6所示的色度和色同步脉冲合成信号加到色度放大管BG1的集电极上时,信号经过电容C\(_{14}\)耦合到BG4的基极,由于BG\(_{4}\)没有直流偏置电压,因此,通常该管是处于截止状态,当色同步脉冲到达时,选通脉冲通过电感线圈L4和电阻R\(_{13}\)加到BG4的基极上,使BG\(_{4}\) 导通,这时色同步脉冲被选通。如果要用示波器检查的话,可将示波器的探头接在BG4的集电极上,当BG\(_{4}\)导通时,在示波器的荧光屏上可以看到图7所示的色同步脉冲信号。如果BG4没有导通,可用万用电表测量BG\(_{4}\)基极的电压,正常情况下,其电压为0.2伏,如果测到电压为零伏,则说明选通脉冲未加到选通级BG4管基极,应该检查电感线圈L\(_{4}\)有无断线或C16是否击穿或短路。如果BG\(_{4}\)基极电压正常,而色同步信号仍没有被选通的话,应该检查一下选通管BG4是否损坏。如果色同步脉冲选通电路工作正常,再进一步检查鉴相器电路,将示波器接在电容C\(_{22}\)的两端,观察脉冲鉴相器的输出波形是否正常,正常时,荧光屏上所显示的波形应该是方波。如果鉴相器的输出信号异常,应先检查鉴相器输入端的基准副载波信号的幅度是否太小,若输入信号正常,再进一步检查鉴相器电路中的二极管D1、D\(_{2}\)是否特性不良,电容是否失效等。如果鉴相器电路工作正常,故障仍然存在,可按上面所叙述的方法检查基准振荡器电路。

总之,在查找色不同步故障时,一定要有一个清楚的思路,要有合理的检修步骤,才能尽快查出故障所在。(屈梅)