RSD-2湿度传感器主要用来测量环境的相对湿度。其感湿元件是高分子薄膜式湿敏电容,它的容量与相对湿度呈线性关系。经过C/V转换器转换后,传感器输出的直流电压就与被测环境的相对湿度成线性关系。因此,使用十分方便。
基本原理
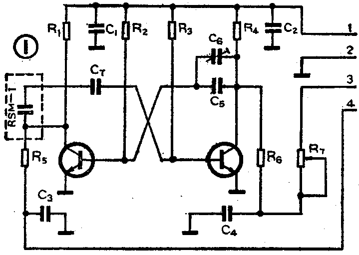
RSD-2湿度传感器主要由两部分组成:1.湿敏电容;2.C/V转换电路。C/V转换电路是一个1.5MHz多谐振荡器,其中湿敏电容作为多谐振荡器的一个时基电容。湿敏电容的容量随环境相对湿度的改变,这就引起多谐振荡器的输出波形的频宽比变化。测量频宽比的方法是用低通滤波器获得多谐振荡器波形的平均值。两个信号差值对应于湿度传感器的电压——湿度特性。电原理如图1所示。

传感器性能
一、技术指标:
1.测量范围:0~99%RH
2.测量误差:≤±2%(0~80%RH)≤±4%(80~99%RH)
3.使用温度:-20℃~60℃
4.响应时间:<10s(不加保护罩)<30s(加保护罩)
5.温度系数:≤±0.2%RH℃
二、输出特性:传感器以直流电压输出,其输出电压(毫伏数)与相对湿度的线性关系曲线见图2。

湿敏元件
RSD-2型湿度传感器是采用RSM-1型湿敏电容作为感湿元件的,它是利用感湿的高分子薄膜做电容器的介质,采用半导体平面工艺制作而成的。该元件具有良好的线性和一致性,易于互换,目前已能与芬兰Vaisala公司的6061型湿敏电容互换。
图3是RSM-1型湿敏电容的结构示意图。它的下电极是一梳状金属电极,上电极是一网状多孔金属电极,上下电极间是亲水性高分子介质膜。RSM-1型湿敏电容器是由二个梳状下电极、高分子薄膜和上电极构成两个并立的电容器串联而成的。环境相对湿度改变时,高分子薄膜通过网状上电极吸收或放出水份,水分子的高极化性,使高分子薄膜的介质常数发生变化,从而导致元件静电电容量改变。因此,湿敏电容的性能主要取决于感湿材料的选择。

使用注意事项
1.不能用手触摸湿敏电容的敏感表面。
2.避免在腐蚀性环境中使用,若在含SO\(_{2}\)或尘埃较多环境中使用,应戴上铜滤芯保护罩。
3.勿将湿敏电容直接浸水。
4.为保证测量精度,在正常使用情况下,传感器一年应重标一次。
(注:RSD-2湿度传感器是齐齐哈尔北方无线电一厂生产的)(梅良森 钱琴珠)