本刊1985年第9~11期发表了“业余制作复音电子琴”一文。笔者现将读者在实验中遇到的有关制作、调试问题及电路上的进一步改进做些补充,供广大读者参考。
一、音阶发生器和颤音发生器
在原电路图3中,电容C\(_{3}\)与电容C4、C\(_{8}\)的接线应断开,此处画错。颤音电路的输出信号接到各音阶发生器的调制方法如图1所示,这样可使12个音源振荡电路更加稳定,避免颤音振荡信号过强使音源频漂。在音源电路使用的C066集成块要严格测试波形。如果测出的波形前沿倾斜就不能使用,否则由音阶振荡出来的信号就会失真,出现“嘶嘶”的声音,也会使频率调不准,尤其是弹奏和弦时更为明显。所以,我们在选集成电路时,不仅要看功能,还得看波形。

有的琴键颤音加不上去,或者出现寄生振荡现象,这也是集成块质量不好造成的。在装配整机时,颤音的输出线应采用屏蔽线并良好接地。另外,音阶的频率准确性与+9V的稳压性能有很大的关系。要求选择内阻小,稳压性能好的电路作为音阶振荡电源。
下面介绍一种采用进口集成块作音阶、颤音发生器,来代替12个振荡音源电路。具体电路见图2。采用这种电路使音阶准确度高,颤音信号均匀,频率稳定性好,绝对音高可以适当调节,以便配合其他乐器一起演奏。电路的工作原理是这样的:电子琴专用音律发生器单片电路M082B1,它能给出最高一个音组的全部12个音名。M082B1的内部电路结构等效于13个分频器。当有时钟信号输入时,通过这些分频器就能得到所需要的音律频率。时钟脉冲发生器和颤音发生器的电路采用一块进口CD4069六反相器,利用其中三个反相器组成一个RC振荡器做时钟脉冲源,振荡频率在配49键盘时为500kHz,配61键盘时为1MHz即可。

时钟信号的频率准确度直接影响整个键盘的音准,调整音准时需调整电路中的微调电位器W\(_{1}\)和电容器C2的数值。在频率达不到要求时,可以并接电容解决。C\(_{2}\)应选用云母电容。在校准音阶音准时,若没有频率计,可以用A调定音笛检测键盘上第34键,即小字一组a'键,该键音律信号频率为440Hz。它与标准音律频率的相对误差可以调整到±0.2%(±3.4音分),只要这a'键频率调准了,键盘上其他键的频率也就都准确了。颤音电路是用一个反相器组成双T型的RC振荡器,这种电路波形近似正弦波,使颤音更柔和,它的频率范围在6.4Hz~8.4Hz连续可调,在装配时,需采用双列IC插座焊接,避免静电击穿集成块。音源板应远离放大器和电源变压器,以免产生干扰,必要时需加屏蔽。本电路的工作电压为+9V,需要有较好的稳压性能。
二、分频器和键盘开关余音电路
在原电路图6中,双D触发器C013集成块第10脚应接地,原板图漏画。在调试分频器时,音色出现“呼呼”的背景噪声,音阶信号也不准,则是由于集成块和印刷板上的分布电容大造成寄生振荡引起的,在分频器的各音源信号输入端对地并接一只150~300P电容即可消除。各键的余音长短不等主要是C\(_{1}\)~C4922μF电解电容的容量不够造成的。焊接前要筛选一致性好的电容。余音电容可在10μF~22μF之间选用,漏音的现象主要是二极管2CK质量不好。挑选二极管需用万用表10k档测量正反向差值,并且它的反压应大于25V。为了简化开关电路,可把余音可调改为固定余音,这样省去不少元器件,C\(_{1}\)~C49可在2.2μF~4.7μF范围选用。另外在键盘上有的键不响,主要是分频器集成块损坏或二极管击穿造成的。例如:四个八度音中有一个音不响,说明音源是好的。原因是分频器集成块里其中一部分损坏。在焊接集成块时,电烙铁必须良好接地。另外三极管的β值要一致。
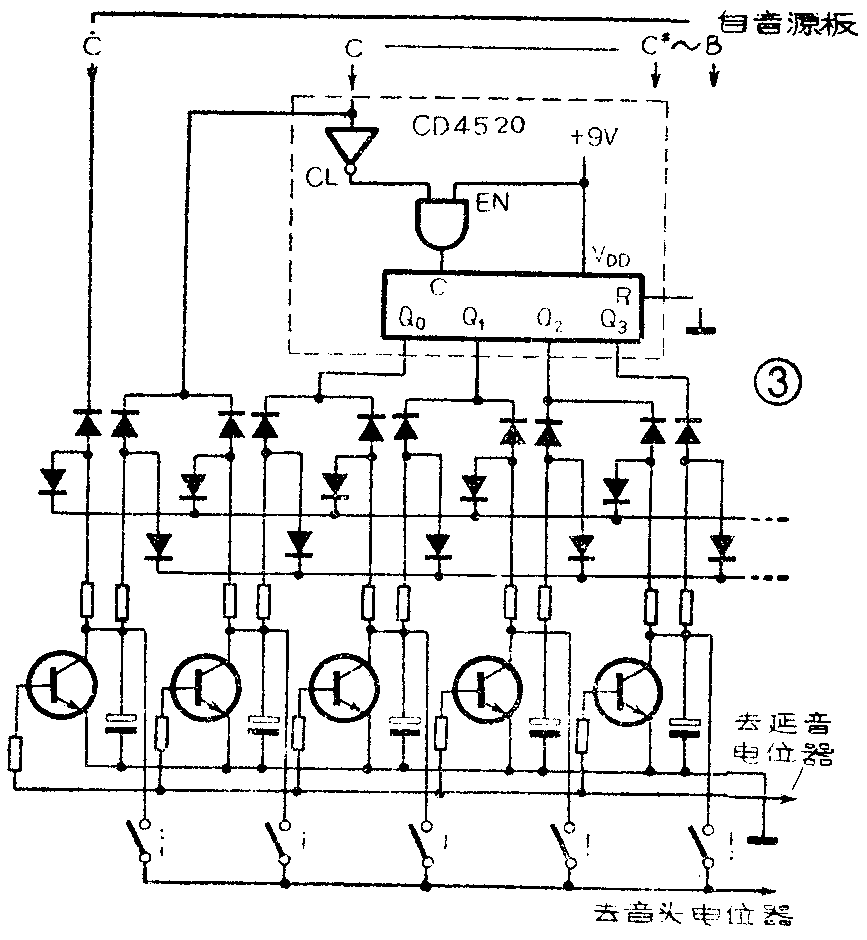
下面我们介绍一种采用进口集成块装配的分频器。它比原分频器板简单可靠,装配容易。其中49键盘采用集成块CD4520作分频器,61键盘采用CD4024作分频器,二种分频器的工作原理完全一样,只是两种集成块的输出端有所区别,49键盘分频器见电路原理图3。在电路中采用六块CD4520集成块作分频器,CD4520是一个双二进制加法计数器,为了使脉冲的上升沿和下降沿均能触发,时钟输入端和时钟控制端可以互换,在时钟输入控制端En保持高电平时,则每个时钟脉冲到C\(_{L}\)端的上升沿使计数器计数。R(复位端)输入高电平时,计数器清零。因用CD4520作分频器,故不需要清除功能,将R端始终接地。电路中的Q0~Q\(_{3}\)是四个输出端,分别接各音阶开关余音电路,在装配焊接CD4520时,最好采用双列插座焊接。当电路有寄生振荡时,可在各分频器的CL输入端并接电容解决。由于使用六块集成电路分频,它与M082音源板输出的12个半音阶C~B正好组成四个八度音。但49键盘的单白键音阶,无法从分频器分出来,它是取自于音源板M082集成块16脚C.端,通过一组二极管开关门余音电路直接至单白键开关上。而61键盘的分频器是采用CD4024,它是一个七级二进制计数器,所以就不需要接M08216脚C.端,单白键的音阶是从C分频器直接分出来的。61键盘共使用12块CD4024作分频器,这两种分频器板上的元器件只要筛选好,无虚焊、错焊,不需要任何调整。

三、音色和自动打击乐电路
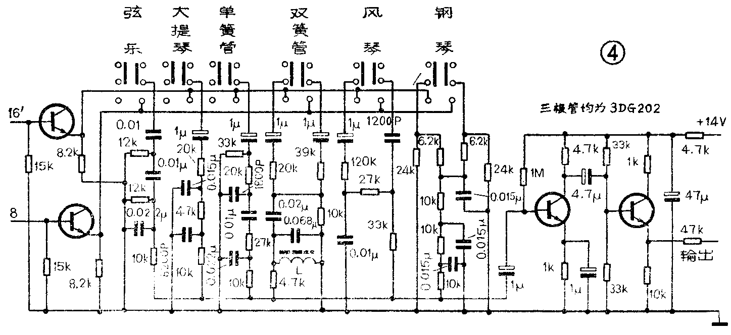
在原音色电路中去掉一组长笛电路,增加了一档钢琴音色模拟电路,这样保持原6位直键开关的功能,改进的钢琴电路是采用简单的无源RC滤波器来实现的。将音头电位器开至最大,使钢琴音头硬些。由于电路简化,没有敲击包络调制电路,所以就不能体现出钢琴弹奏时从发声到停止声音的响度变化效果。具体见电路图4。打击乐电路中,鼓的延音长短主要调整原图9中BG\(_{2}\)的发射极电阻,阻值应在50Ω~470Ω之间选取。

四、电源和功放电路
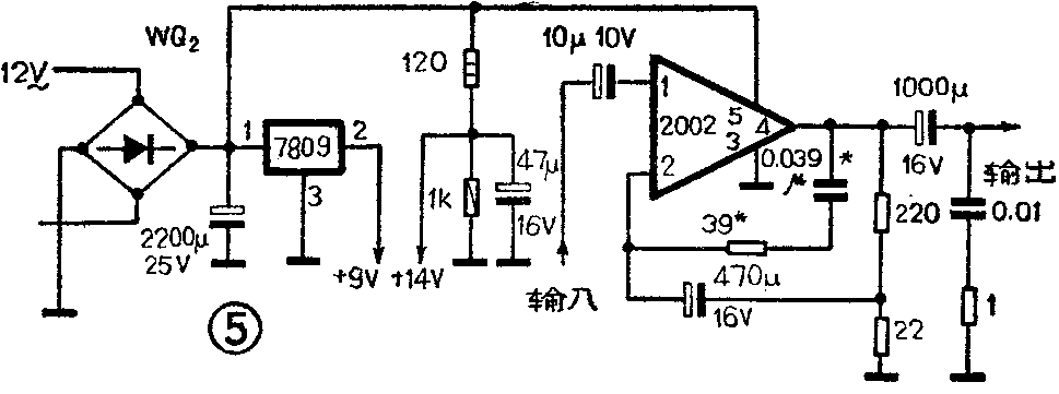
电源和功放电路见图5,整流采用1A全桥,稳压采用三端稳压集成块CD7809,功放用TDA2002,这两种集成块都有过流保护,故使用安全可靠。

本文所述电路已使用于MDQ-\(\frac{30}{36}\)型电子琴中,所配键盘为闽东产标准琴键。本文全套电路图及印制板图,均详见本期第48页邮购消息。(宁金铭)