随着人民生活水平的逐步提高,家用电器使用的品种和数量日益增加,安全用电就显得更为重要了。现向广大读者介绍一种自动复位触电保安器,该保安器设计新颖,使用方便,一旦发生漏电或触电时,保安器能立刻切断电源,防止事故发生,当故障排除或人体离开电源后,保安器能自动恢复送电。
主要性能
1.适用于220伏50赫兹单相交流电源,电压变化范围在170伏~240伏之间都能正常工作。
2.额定负载电流为3安,最大不超过5安。
3.对地漏电电流小于10毫安,能自动跳闸切断电源,排除故障后约10秒钟自动恢复送电。
电路工作原理
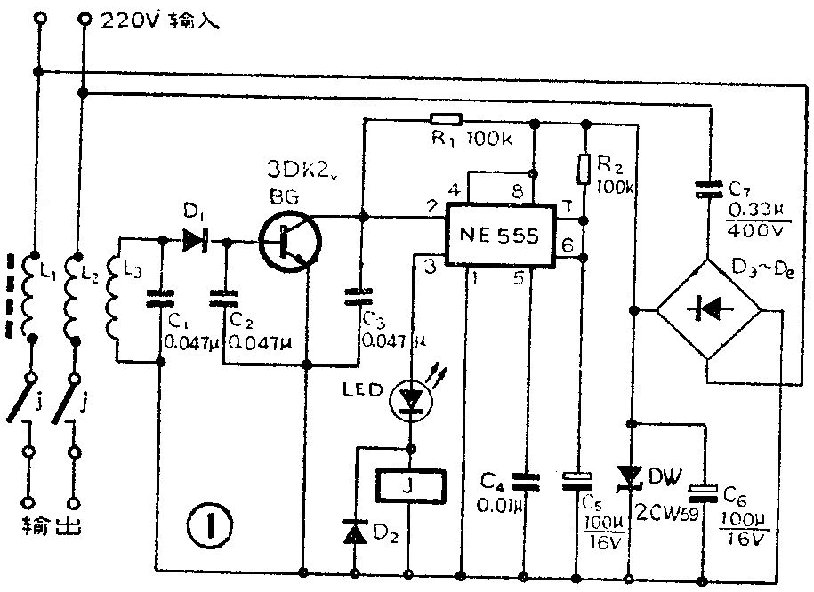
信号检测部分主要是“零序互感器”,它由L\(_{1}\)、L2、L\(_{3}\)和磁芯组成。在正常情况下,瞬时流过线圈L1和L\(_{2}\)的电流大小相等,频率相同,相位相反,因此整个互感器中总的磁通量为零,所以这个特殊的互感器就叫“零序互感器”。
电子开关部分主要由D\(_{1}\)、BG、C1~C\(_{3}\)等组成,其作用是将“零序互感器”检测到的触电信号加到集成电路NE555的2脚,使其翻转动作。
延时电路主要由NE555与R\(_{2}\)、C5组成单稳态触发电路,R\(_{2}\)、C5为定时环节,本电路定时的时间约11秒。
控制部分由继电器J与二极管D\(_{2}\)组成。交流电源由常闭触点j控制,一旦发生触电时,继电器立即吸合,常闭触点断开,切断交流电源,D2是为了吸收继电器线圈产生的高压。
整流电源部分,220伏通过C\(_{7}\)、D3~D\(_{6}\)的降压整流,再经过C6滤波及DW的稳压后获得12V直流电压。由于采用电容降压无杂散磁场,对“零序互感器”不产生电磁干扰。
整机工作过程
在正常情况下,单稳态触发电路处于复位状态,NE555的3脚输出低电平,继电器J不吸合,如果有人触电,电源通过人体与大地构成回路,L\(_{1}\)、L2中流过的电流不再相等,这时“零序互感器”中的磁通量不能完全抵消,就使线圈L\(_{3}\)两端感应出一个交变电压,经过二极管D1的整流,使得BG\(_{1}\)导通,相当于NE555 2脚接地,单稳态电路翻转进入暂稳态,3脚输出高电平,发光二极管LDE亮,同时继电器J吸合,常闭触点断开迅速切断电源。这时,延时电路中的电容器C5通过电阻R\(_{2}\)开始充电,并使NE555的阀值输入端电位不断上升,并最终使单稳态电路翻转复位,这时NE555的3脚又恢复低电平,继电器J再次释放,触点j接通,恢复送电。但触电者在脱离触电状态之前,田于有触电信号存在,继电器J不能释放,电源始终保持切断状态,只有触电者脱离电源,触电信号消失后,电源才能恢复送电。
元件选择和制作
继电器J采用JRX—13F,直流电阻300Ω,工作电压12V。BG可采用3DK或3DG型,β≥50。C\(_{7}\)工作电压≥400伏,可采用CJ10型。D1~D\(_{6}\)采用IN4002;其中的D3~D\(_{6}\)也可采用0.5A/200V的全桥整流。发光二极管LED采用BT201,要安装在外壳上。NE555也可采用5G1555,4脚可空着不用。
互感器制作是保安器的关键,采用20×10×5mm铁氧体磁环,先绕L\(_{3}\),再绕L1、L\(_{2}\)。L3用直径为0.2~0.5毫米的单股塑包线绕50圈。L\(_{1}\)、L2用φ1.2mmQZ漆包线双线并绕5圈,绕制时要均匀对称,相互绝缘且绕向一致。
安装与检测
本机在安装使用前一定要进行检测,检测方法是,接通220伏电源,有无负载均可,用一只1W10k电阻替代人体接在L\(_{1}\)的输出端与L2的输入端之间,或一头与自来水管连接,另一头与用电器的火线相碰,试验保安器能否“跳闸”。如不能跳闸断电,则说明保安器有问题,需要找出原因。检测时不宜采用接线直接短路上述两点去试验,以免造成不应有的损坏。安装保安器时要远离强磁场。
本电路已向国家专利局申请到专利,专利号为86200454。产品由中国家用电器工业标准化质量检测中心天津市检测站检测。
有关邮购事宜见本期第48页。(徐勇 李春先)

