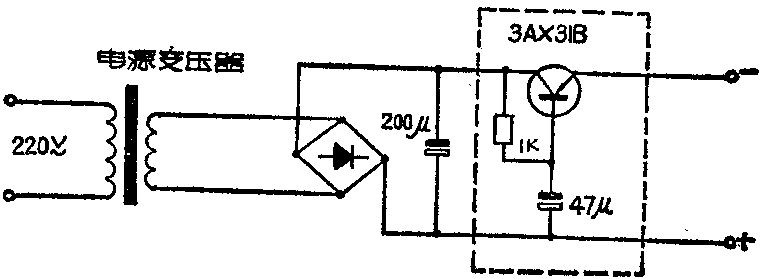
袖珍立体声放音机(又叫散步机)因耗电较大,在室内使用时采用交流电供电较为经济。在使用中发现,当采用市售的一种交直流变换器(容量大多数为200mA左右)供电时,放音机放出的声音交流声较大,音乐声却较小。其原因是由于这类变换器的输出滤波电容取值较小,仅有200μ左右,而且采用的是最简单的滤波方式,没有稳压功能,所以输出直流电压中交流纹波成分较大,对放音机干扰就较严重。特别是低电压(如3伏)放音机交流声更为严重。
一个较简单易行的解决办法是在变换器上加装电子滤波器。如图所示仅加装虚线框内的三个元件即可。改装以后,经试听放音清晰明亮,交流声基本消除。

晶体管最好选用饱和压降较小的锗管。如果改装后输出电压嫌低,可将输入交流电压调高一档。(刘庆丰)