计算机系统的电磁干扰是一个相当复杂的问题,解决起来往往很棘手。不过,如果能够对干扰噪声的来源、噪声的耦合途径和容易受干扰的电路做到心中有数,干扰问题也是可以解决的。
产生干扰噪声的来源简称噪声源,它大体上可分为系统外部噪声和系统内部噪声两大类。系统外部噪声源很多,如电动机启停、电焊机、可控硅和微波炉等,主要通过电网传导和空间辐射两种方式进行耦合干扰,解决的办法有加屏蔽,电源进线加低通滤波器和合理设计地线系统等。系统内部噪声源也很多,如反射噪声、串扰噪声以及TTL电路的圈腾电流峰(Icc尖峰)等,主要通过直接叠加、分布电容耦合,以及电源、印制线等公共阻抗耦合构成干扰,解决的办法有加阻抗匹配、采用扁平双绞线电缆、加滤波电容和改进印制板走线设计等。其中,阻抗匹配是一个增加可靠性的重要措施,不仅可以有效地消除反射噪声,对减弱串扰噪声也是十分有利的。本文介绍计算机接口信号线进行阻抗匹配的方法,其原理对于其它数字电路系统也是适用的。
信号线的阻抗反射现象及其危害
在计算机系统中,接口与外部设备之间需要通过电缆连接,印制极与印制板之间需要通过焊接线或绕接线等连接,而印制板上的集成电路与集成电路之间则通过印制线连接。这里的电缆、焊接线和印制线统称为信号线。信号线都具有一定的波阻抗(不是纯电阻)。波阻抗的数值与集成电路的输出阻抗和输入阻抗的数值各不相同,在它们互连之中势必存在着一些阻抗不连续点。当信号通过这些阻抗不连续点时便发生“反射”现象,造成波形畸变,产生反射噪声。为了能够形象地了解“反射”现象,可以按照图1电路进行实验,使用60MHz以上的示波器可以清楚地观察到:图1的与非门1的输出端在不接双绞线(电缆)时,其输出波形是无任何畸变的1MHz方波(图2a)。在接上3米长的双绞线后,该输出波形,也即信号线的始端波形便出现了如图2b所示的“振荡”和“台阶”;在3米信号线的终端不仅出现了“振荡”,还出现了幅度达到-6V左右的“过冲”(图2c)。实验还证明,信号线愈长,这些畸变愈严重,当信号线长度达到10米时,信号波形已面目皆非,几乎无法区分那一个是真正的信号脉冲了。

对TTL数字集成电路来说,“过冲”超过-6V,对门输入端的p-n结有损坏作用。另外,从+3V至-6V的大幅度下冲,会对邻近的平行信号线产生较强的串扰。“台阶”会造成不必要的延时,给电路工作造成不良影响。“振荡”的危害就更大了,它在信号线的始端和终端直接构成噪声信号,虽然该噪声不一定都具有足够大的幅度,但与其它噪声信号进行随机叠加,就很可能构成有效干扰。也就是说,反射现象的存在从内部降低了计算机系统抗外界干扰的有效噪声容限。
图3是某机RS—232C双向接口使用RS触发器驱动长信号线的例子。由与非门1和2构成RS触发器。电路的简要工作过程是:接口时序电路先是发出请求发送负脉冲,使RS触发器a点通过与门3送出高电平表示处于发送状态,发送数据完毕,接口又发出清除发送负脉冲,a点再通过与门3送出低电平宣布处于停止发送状态。有人会问,为什么电路中设计一个与门呢?a点直接连长信号线行不行呢?回答是否定的。假如a点与长线始端直接连在一起,始端由于反射而形成的“振荡”或其它干扰就会通过ab这条线反馈到与非门1的2脚,由于门1的1脚在清除发送命令之后处于高电平,a点在低电平上的“振荡”(图2b)就很可能使门1输出3脚变低电平,进而又通过门2使a点电位翻转恢复成高电平。这样一来,在停止发送状态刚建立不久,就可能由于长线反射等原因将此状态破坏掉。因此,RS触发器绝对不能直接带长线。同理,各类计数器、移位寄存器等也不应当直接带长线,需要添加合适的隔离门或线驱动专用集成电路。如果需要驱动的信号线是印制板与另一个印制板之间不太长(小于0.5米)的焊接线,并且作为负载的门只有少数几个,隔离门可以采用四与非门7400、74LS00、六非门7404、74LS04、四与门7408、74LS08、四或门7432、74L32等。如负载较重(门数超过10个)或信号线长度超过0.5米,可以用四与非缓冲器7437、74LS37、四总线缓冲器74LS125、74LS126、六总线驱动器74LS368、八位长线驱动器74LS244、八总线收发器74LS245以及RS—232C接口常用的线发送器75150等。

在长线始端加隔离门,虽然可以防止反射噪声反馈到接口或计算机内部,但并不能彻底消除反射噪声,更不能防止线终端的接收门受到干扰。前面已经讲过,互连中的阻抗不连续点是产生反射噪声的根源,只要消除阻抗的不连续点,就可以彻底消灭反射噪声。阻抗匹配就是消除阻抗不连续点的简便易行的方法,是计算机应用中提高可靠性的重要手段。
信号线的主要特性及阻抗匹配
计算机系统使用的信号传输线有单线(焊接线、印制线等)、双绞线、带状平行电缆、带状双绞电缆、同轴电缆以及光导纤维构成的光缆等。信号线的特性很多,与本文有关的是信号延迟时间μ和波阻抗ρ。单线的信号延迟时间最短,同轴电缆的较长,双绞线居中。双绞线的μ为每米延迟6毫微秒。单线的波阻抗最高,约数百欧,双绞线约110Ω至130Ω,同轴电缆主要有50Ω和75Ω两种。从抗外界干扰特性上讲,同轴电缆最好,双绞线次之,带状电缆和单线较差。
计算机系统使用双绞线很普遍,下文分析均以μ=6ns/m和ρ=130Ω的双绞线为例。
1.多长的信号线需要进行阻抗匹配:
信号线最大的允许不匹配的长度Lmax由下式决定:
Lmax=t\(_{r}\)/4μ
上式中,t\(_{r}\)为电路转换边沿的平均宽度,常用中速TTL电路的tr≈25ns;μ为信号线对信号的延迟时间,对于双绞线而言,μ=6ns/m。不难计算出:当双绞线的长度超过1米时,必须进行阻抗匹配。在计算机系统中,由于STTL和LSTTL电路的使用也很普遍,它们的tr较小,在10ns至15ns之间,故分别超过0.4米和0.6米的信号线即应当考虑阻抗匹配,至于使用ECL电路的高速数字电路系统,阻抗匹配的要求就更严格了。
2.TTL电路的输入输出阻抗:根据德克萨斯公司的有关资料得知:TTL最基本单元是与非门电路7400,它的输出阻抗分别是135Ω(门的输出为高电平时)和14Ω(输出低电平时),其输入阻抗则分别为数十万欧(输入高电平时)和数百欧(输入低电平时)。
3.阻抗匹配的方法:
(1)始端串联匹配:TTL集成电路的输出端与双绞线连结时,阻抗是不匹配的。双绞线的波阻抗ρ= 130Ω,TTL的输出阻抗是14Ω(输出低)和135Ω(输出高)。使阻抗匹配的方法是:在TTL的输出端串一个电阻R,使R+14和R+135与130均相近,则R取56Ω至75Ω即可,如图4所示。实验表明,这种方法既简单,波形畸变也较小。缺点是由于门2的输入电流I\(_{1L}\)流经R,使线上低电平抬升,从而降低低电平的噪声容限。为此,规定低电平的抬升应小于0.2v,于是信号线终端门的个数n可由n·I1L·R<0.2求得,由于TTL的I\(_{1L}\)是1.6mA左右,可得n≤ 2。这就是说,始端匹配信号线的负载门应该限制在2个以内(LSTTL可放宽)。

(2)终端并联匹配:双绞线与输入阻抗较高的TTL集成电路的输入端相连时,阻抗不匹配的情况更为严重。解决的办法是象图5那样在接收门2的输入端并联一个电阻R,即相当于在线的终端并电阻。电阻R的数值应接近双绞线的波阻抗ρ,即130Ω至150Ω。这种方法仅限于门1采用功率驱动门75451、75452及75453等情况。普通TTL门的输出端如果接上130Ω这样小的电阻负载,会导致输出高电平降低到2.7v以下,从而降低高电平的噪声容限。

(3)有源终端并联匹配:图6方法可以解决图5的矛盾,它引进了5v电源和一支接电源正极的电阻R\(_{1}\)。对交流而言,电源可视为短路,R1和R\(_{2}\)相当于并联,因而R2不必要求取得很小,R\(_{1}\)和R2的并联值就可以等于或接近双绞线的波阻抗,达到阻抗匹配的目的;同时,R\(_{1}\)和R2从直流角度上可以看出是串联分压,分压点的电压可以满足高电平大于2.7v的要求。考虑到图6门1灌入电流的能力,有两组数据供选用:如7400等TTL门,取R\(_{1}\)=330Ω、R2=390Ω;而7437等功率门,可取R\(_{1}\)=220Ω、R2=330Ω。实践证明,这种有源终端匹配方式对波形改善作用好效果最佳(见图2d)。目前,计算机系统已经广泛采用这种方法,它既可以用于各类控制信号线的终端匹配,也可以用于各种数据总线的终端匹配,当门1采用OC门时,还可以借助电阻R\(_{1}\)实现负逻辑的“线或”功能。

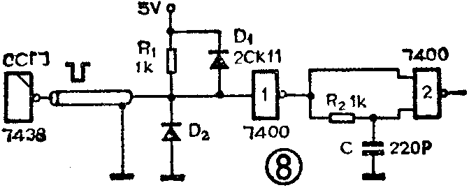
(4)阻容无源终端匹配:图6方法虽然使用很广,但由电源正极经R\(_{1}\)灌入门1(此时门1输出低电平)的电流达20mA,至使门1输出低电平略有抬升,使噪声容限有所下降。如果门1所带长信号线不是1根,而是2根,则会出现双倍的灌入电流,不仅噪声容限下降,而且门1也超负荷易损坏。图7的方法对门的直流工作状态没有上述影响,所以也称“交流匹配”,它的优点是不影响电路的直流噪声容限。该方法的缺点是波形边沿变缓,阻容数值不当则容易导致较大的时间延迟;同时门连接容性负载,还会造成门的延迟增加。图7中R取180Ω至220Ω,C取1000P至1500P,可使波形开始变缓之处超过开门电平,故引起时间延迟可以降至最小程度(实验为6.5ns以下)。这种阻容无源终端匹配方式虽然不宜在高速计算机内采用,但在大多数微型机中,特别是在微型机接口等处,可以与前面介绍的方法(3)一起配合使用。


(5)二极管终端:图8是一个可以在电磁干扰比较严重环境下工作的二极管终端,信号传输线是0.8米长的屏蔽线(ρ为70~90Ω),由于线长不足1米,不必采用完善的阻抗匹配措施,只要把OC门(7438)的负载电阻R\(_{1}\)(330Ω至1k均可)从OC门输出端附近移至屏蔽线的终端,这样,R1就兼有终端阻抗匹配(近似)作用了。二极管D\(_{1}\)的作用是将信号线上可能出现的正脉冲干扰箝位于5.7v以下,D2可以防止干扰负脉冲对门1输入端的击穿损坏,这两个二极管都是保护集成电路的。(许奇雄)