在某些便携式仪器设备中,常常需要较高的直流电压和较大的电流。一般是将直流变为交流,用变压器升压,然后再整流。这样,就需要较大的变压器和较复杂的电路。使体积和重量增大、制做工艺也很复杂。能不能找到一种电路不太复杂、输出电流又较大的升压电路呢?
下面给大家介绍一种能将直流12V电压升到接近60V、电流可达300mA的电路。而且,根据本电路的原理,电压还可进一步升高。这只要增加升压单元的级数,使用起来极为方便,并且体积可以做得很小。
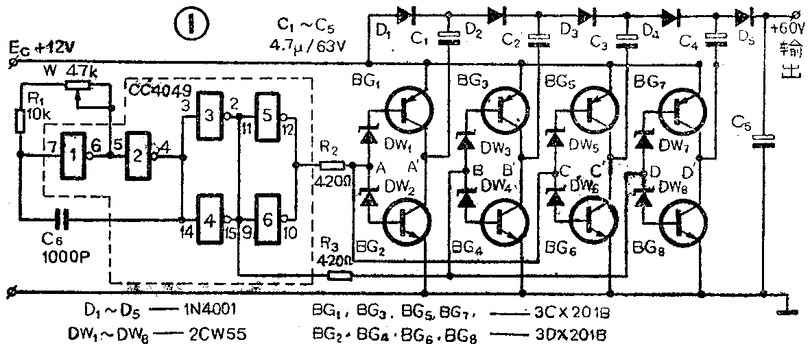
电路原理
电路如图1所示。本电路采用了特殊的PNP与NPN管互补输出,从图可以看出,两管的发射极分别接在电源的正负极上,而集电极连在一起作为输出端,升压电容就接在这点上。三极管工作在开关状态,基极回路上接有两支稳压管,稳压管的作用是为了提高两管的输入门限电压(如稳压管选用6伏,则门限电压为6+0.7=6.7伏),保证两管能一只导通,而另一只可靠截止。并且保证在导通管截止后,间隔一段时间截止管才导通。这是此电路的关键。

电路的工作原理是这样的:
CMOS IC的非门1、2组成自激多谐振荡器,产生方波脉冲信号,经非门3、4并联输出的反相脉冲加在第二单元的B点和第四单元的D点;同时经非门5、6并联输出正向脉冲,加在第一升压单元的输入端A点和第三升压单元的C点。例如:开始时,A、C点输入为高电平12V,B、D点为低电平0V,此时NPN管BG\(_{2}\)和PNP管BG3饱和导通,PNP管BG\(_{2}\)和NPN管BG4因反偏截止,电流由电源正极经D\(_{1}\)、C1、BG\(_{2}\)到地(电源负极)完成回路(另一路经D1、D\(_{2}\)、D3、C\(_{3}\)、BG6到地),电容C\(_{1}\)被充电到电源电压EG,其极性为上正下负,当A、C点输入脉冲幅度下降到小于BG\(_{2}\)管的门限电压6.7V时,BG2管开始退出饱和并转为截止,而这时加在PNP管BG\(_{1}\)的脉冲电压为12V-6.7V=5.3V,小于BG1管的门限电压6.7V, BG\(_{1}\)管仍然截止,所以这时两管都截止。当输入电压继续下降到5.3V时,BG1管开始由截止转为导通,当A点电压再继续下降到0V时,B点电压同时上升到12V,此时,PNP管BG\(_{1}\)和NPN管BG4同时饱和导通,因二级管D\(_{1}\)反偏不导通,这时的充电回路是,电源正极→BG1发射极、集电极→C\(_{1}\)(和以前所充的电压串联,电压值为2Ec)→ D2→C\(_{2}\)→BC4的集电极、发射极到地,所以C\(_{2}\)上的电压为2EC。这以后,CC4049的输出端又反相,A、C点又转为12V、B、D点为OV;BG\(_{3}\)、BG6又同时导通,这时充电回路同样是,电源正极→BG\(_{3}\)发射极、集电极→C2→D\(_{3}\)→C3→BG\(_{6}\)集电极、发射极到地,此时,电源电压又和C2以前所充的2Ec电压串联为3Ec充到C\(_{3}\)上,这时C3上得到3Ec的电压,以后就重复上面的过程,4Ec充到C\(_{4}\)上,直到最后一极C5得到近5倍的电源电压,这样就可以在C\(_{5}\)上得到接近60V的电压。
元件选择
1.集成电路:可用上无五厂生产的CMOS集成电路CC4049或CC4069六反相器,这两种反相器的负载能力较强,用其中的两个非门接成振荡器,振荡频率为10kHz左右。两反相器接成并联输出可提高输出电流。
2.三极管:电容上的高电压因有二极管隔离,所以不会加到三极管上,因此三极管耐压只要高于电源电压即可。因三极管是电流控制型器件,提高β值可提高输出电流。NPN、PNP两管β值要尽量一致。由于两管工作在开关状态,所以管子的功耗是很小的。只要选择集电极电流Ic等于输出电流即可。本电路BG\(_{1}\)、BG3、BG\(_{5}\)、BG7采用塑封3CX201B;BG\(_{2}\)、BG4、BG\(_{6}\)、BG8采用塑封3DX201B,β>120。
3.二极管无特殊要求,反压只要大于12V、整流电流大于输出电流即可。
4.稳压管:稳压管的选择比较关键,必须使稳压值>\(\frac{1}{2}\)Ec,并比电源电压小4V左右。如果稳压值选得过高,就会使三极管导通门限电压过高,这样当电源电压下降时,输出电流将减小,甚至使电路停止工作;如果稳压值选得过低,就会使电路在某一时刻两管同时导通,而导致三极管损坏,这是绝对不允许的。
5.电容:升压电路的输出电流是通过电容输出的,因电流较大,所以电容取4.7μ/63V。
安装与调试
印刷电路板见图3,集成电路引出脚排列见图4。如果要得到更大的输出电流,可采用图2电路,此电路是采用分立元件作振荡源的。



先将三极管、二极管、电阻、电容焊完后最后焊上集成电路。仔细检查是否有短路的地方。
所有元件都焊完并检查无误后,可接通12V电源,用示波器观察Ic的2、3脚是否有方波输出。如果有,再检查A~D四点,是否有方波输出,这时波形幅度低些,大约等于7V左右。如果过低就应检查稳压管是否损坏,如果都正常再用万用表测试输出端电压,这时可达60V左右,然后用5只12V/300mA左右的小灯泡串联作为负载,用万用表直流500mA档串在负载电路里观察输出电流值,如果输出电流不够可调整一下振荡电路的47k可调电位器W,输出电流应有变化,直到直流输出约300mA左右。
注意事项
1.对脉冲源的幅度要求是接近0~Ec,如果过低,就会使下管导通不充分,使输出电压下降,电流减小。本电路采用CMOS集成电路和图2采用的振荡源电路,正是为了得到接近0~Ec的脉冲幅度和提供较大的驱动电流。
2.每种升压电路只对应一种电源电压,不能随便提高电源电压。比如电源电压由12V提高到15V就会使NPN、PNP两管同时导通,而导致管子损坏,如果要采用其它电压值的电源时,只要按本文介绍的原则更换稳压管即可。
3.如果使用一段时间后发现输出不正常,应首先检查电池电压是否下降过低,适时更换之。(盖天座)