1.小王和小李在测试图1所示的直流电路时,就电压和电位产生了分歧。小王认为所测电路中电压和电位的数值是一样的,小李则认为二者有区别。你能为他们解决分歧吗?

2.有位同志想:既然三极管的集电区与发射区是同一类型的半导体材料(或是P型材料,或是N型材料),便决定将三极管的集电极与发射极对调使用。同时,他还想将场效应管的漏极与源极对调使用。你认为他的这种做法正确吗,为什么?
想想看答案
1.我们应当明确,电压和电位的概念是不同的。在直流电路中,电压是指电路中任意两点间的电位差,而电位则是指电路中某点相对于电路的参考点而言的。物理学中曾指出:无限远处或大地的电位为零。所以,我们选定的参考点又叫接地点(但并不一定真到接到大地上),若电位比参考点高则为正,反之则为负。
在图1所示电路中,因没有选参考点,所以只能计算任意两点间的电压,而不能计算其电位。通过计算任意两点间的电压值分别为:U\(_{ab}\)=25V,Uca=8V,U\(_{da}\)=30V, Ucb=33V, U\(_{db}\)=55V。
若要计算电路中各点电位,则必须选定一点(只能选定一点)作为参考点。如我们选定b点为参考点,见图2。则可计算出电路中任一点的电位和任意两点间的电压(电位差)。电位V\(_{b}\)=0V,Va=+25V,V\(_{c}\)=+33V,Vd=+55V。电压U\(_{ab}\)=Va-V\(_{b}\)=25V,Uca=V\(_{c}\)-Va=8V、U\(_{da}\)=Vd-V\(_{a}\)=30V。
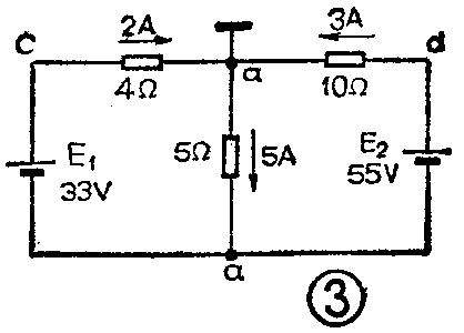
若选a点为参考点,见图3(下面的a应为b)。则电路中各点电位为V\(_{a}\)=0V,Vb=25V,V\(_{c}\)=+8V,Vd=+30V。任意两点间的电压U\(_{ca}\)=Vc-V\(_{a}\)=8V,Uab=V\(_{a}\)-Vb=25V,U\(_{da}\)=Vd-V\(_{a}\)=30V。
由以上分析可知,只有当参考点选定以后,电路中各点电位才能有一定数值,且具体数值与参考点的选取有关。而电压(或电位差)却与参考点的选取无关。所以,电路中各点的电位值是相对的,而任意两点间的电压值是绝对的。在图2、图3中,不论选a点或b点为参考点,a、b之间的电压恒为25伏,c、a之间的电压恒为8伏,d、a之间的电压恒为30伏。但是,如果电路中的电压值是对电路参考点而言的,单从这个意义上说,电位和电压的数值是一样的。(王世训)


2.虽然三极管的集电区与发射区是同一类型的半导体,但它们的掺杂浓度并不同。发射区属高掺杂区域,其杂质浓度要比集电区高得多。因此,集电区与发射区并不对称。若将集电极与发射极对调使用,三权管的β值将会降得很低。所以一般来说,三极管的集电极与发射极是不能对调使用的。
而场效应管的漏极和源极在结构和材料上是对称的,因此其漏极和源极可以对调使用。但应注意,有些管子的源极和衬底已在管子的内部短接,其漏极和源极就不能对调使用了。(苏宁)
场效应管有结型和绝缘栅型之分。图1是N沟道结型场效应管的结构示意图。它仅有三个电极而没有衬底,其漏极与源极是对称的,故可以对调使用。图2是N沟道增强型绝缘栅场效应管的结构示意图。它包括衬底共有四个电极,其漏极与源极也是对称的。由绝缘栅场效应管的工作原理可知,沟道的导电能力是受栅极与衬底之间的电压控制的,而实际运用时控制电压一般是加在栅、源极之间的,所以必须将衬底与源极相连。而衬底与哪一个N型区引出端相连,它就被指定为源极。所以对于有四个引出端的绝缘栅场效应管来说,其漏、源极是随意指定的。也就是说是可以对调使用的。对于仅有三个引出端的绝缘栅场效应管来说,因其衬底与源极已在管子内部短接,故其漏极与源板就不能对调使用了。
