场效应管是一种电压控制器件,其基本原理是利用栅极电压控制漏极电流,实质上也就是控制沟道电阻的大小。利用这种特性,可以把场效应管当作一只受电压控制的可变电阻应用在电路之中。下面我们就对场效应管的可变电阻特性及其应用作一介绍。
场效应管的可变电阻特性
图1所示为一N沟道结型场效应管的结构示意图。它是在一块N型半导体材料的两边扩散两个高浓度的P型区,从两个P型区引出两个电极连在一起为栅极G,从N型本体的两端各引出一个电极分别为源极S和漏极D。在P型区和N型区的交界处形成两个空间电荷区,也称为耗尽区或耗尽层。在耗尽层中,几乎没有载流子(电子或空穴),因此它是一个高阻区。当在场效应管的栅极和源极之间加上反向电压时,耗尽层的宽度将增大,使得两个耗尽层中间的N型导电沟道变窄,沟道电阻增大,当栅、源间反向电压达到某一数值时,两边的耗尽层合拢,沟道关闭,见图2。此时的栅源电压称为夹断电压U\(_{P}\),夹断以后,其沟道电阻相当大。


图3是N沟道结型场效应管的输出特性曲线,该曲线可划分三个区域,即可变电阻区、饱和区和击穿区。由图可见,在漏源电压U\(_{DS}\)较小时,如果栅源电压UGS不变,如U\(_{GS}\)=0V,则曲线的上升部分基本上是通过原点的一条直线OP,P点称为预夹断点,在预夹断点的左边,随着漏源电压UDS的增加,漏极电流I\(_{D}\)是线性上升的,此时场效应管漏源间的等效电阻可以看作为一个线性电阻。

应当指出,场效应管的这种电阻特性是随栅源电压U\(_{GS}\)的改变而变化的,即栅源电压越负,耗尽层越宽,导电沟道越小,电阻就越大。表现在输出特性曲线上,就是曲线的上升部分越平缓。由此可见,在预夹断点以前,漏极电流ID是随漏源电压U\(_{DS}\)的增加而线性上升的,但上升的速率,也就是曲线的斜率是受栅源电压UGS控制的,每有一个U\(_{GS}\)值,就有某一斜率的曲线与之对应。因此,在预夹断轨迹(所有预夹断点连成的曲线)的左边,场效应管的沟道电阻可看作是受栅源电压UGS控制的可变(线性)电阻。这个区域称为可变电阻区。
预夹断轨迹右边曲线的水平部分称为饱和区。在饱和区中,漏极电流已基本不随漏源电压而变化,这是因为在预夹断以后,漏源电压增加的部分,几乎全部降落在具有高阳性的耗尽层上,尽管U\(_{DS}\)增大,但沟道中的电场却基本不变,因此漏极电流也基本不变,表现为恒流特性。场效应管用作放大时,就工作在这个区域之中。应当指出,饱和区中,场效应管已变为受栅源电压UGS控制的可变电流源,已不在是线性电阻,而是一非线性电阻了。
当漏源电压U\(_{DS}\)增大到某一数值后,其漏极电流ID会迅速增大,这时管子就进入了击穿区。
图4所示是经实验测得的N沟道场效应管3DJ7F的可变电阻特性曲线,其测试电路如图5所示(图中的10应为10V)。由图4可见,当栅源电压U\(_{GS}\)=0V时,场效应管的漏源电阻RDS较小,约为200Ω左右,随着栅源电压U\(_{GS}\)的增大,RDS逐渐增大,且增大的速率逐渐加快。当然,管子的结构、性能不同,其可变电阻特性曲线也不同。


以上我们以N沟道结型场效应管为例详细地说明了场效应管的可变电阻特性,对于其他类型的场效应管,其特点基本相同,只是它们的结构和工作方式不同,工作电压的极性也不相同。在实际应用中,只要注意其控制电压的极性就可以了。在讨论了场效应管的可变电阻特性以后,下面我们举几个应用实例供大家参考。
场效应管可变电阻特性的应用
图6是一频率可在较大范围内调节的RC移相式振荡器电路。我们知道,一个放大器要变为振荡器必须满足两个条件:一是放大器的输出信号同相位地反馈到放大器的输入端,即相位平衡条件。二是反馈系数与放大器增益的乘积要大于1,即幅值平衡条件。由于幅值平衡条件一般来说容易满足,故不多述,这里仅对相位平衡条件作些说明。

图中的三极管BG\(_{4}\)及其周围的元件组成单级放大器,它本身输入与输出可有180°的相移,因此只要反馈电路再产生180°的相移,就能满足相位平衡条件了。由于单节RC移相电路可产生的最大相移为90°,故实际上至少要用三节RC移相电路才能满足移相180°的需要。在图6电路中,共采用了四节移相电路,左边的三只电容C与BG1~BG\(_{3}\)的沟道电阻组成三节移相电路,另一节是右边的电容C与BG4放大器的输入电阻构成。这样四节移相电路的接入就保证了振荡器的正常工作。我们知道,改变RC移相电路中的电阻值,可在小范围内改变振荡频率,但如果要在较大范围内调节频率,则必须采用多联同轴电位器同时改变各移相环节的移相电阻才能满足要求。本电路是通过改变电位器W触头的位置,来同时改变BG\(_{1}\)~BG3的栅极电位的,进而改变场效应管的沟道电阻,使振荡器的振荡频率能在较大的范围内得到调节。
图7是一具有自动稳幅电路的桥式振荡器电路。其中,运放F007是放大器,从放大器的输出端引出两条反馈支路;一条是由RC串联(Z\(_{1}\))、RC并联(Z2)构成的正反馈支路,接至运放的同相输入端。另一条是由R\(_{3}\)、C3、R\(_{4}\)、BG1、R\(_{5}\)、C4及二极管D\(_{W}\)、D构成的非线性负反馈自动稳幅电路,接至运放的反相输入端。由于RC串并联选频网络构成的正反馈支路的反馈系数为一复数形式(推导从略),故我们仅选用当ω=ω0=1/RC时,复数反馈系数等于1/3的这样一个结果,它说明在ω=1/RC时,正反馈支路的反馈系数最大相移为零,也说明此时放大器增益只要大于3,则放大倍数与反馈系数的乘积(3×\(\frac{1}{3}\))就大于1。这样电路就满足了振荡条件而起振。在实际运用中,电路中的各种噪声(如热噪声、电源干扰等)的频谱分布十分广泛,其中必有ω=1/RC这一频率成分的信号,这种微弱信号经放大器和正反馈电路后,输出幅度越来越大,电路便振荡起来。如果没有自动稳幅电路,电路起振以后振幅是递增的,只有受到放大器最大输出幅度的限制以后才能稳定下来,由于这是放大器非线性稳幅(实际上是限幅),所以波形失真较大。电路中自动稳幅电路的作用,就是将振幅稳定在放大器的线性工作区。其稳幅过程简述如下:

当振幅达到某一数值时,D\(_{W}\)被击穿导通,输出电压的负半周经二极管D,在滤波电容C4上得到上负下正的直流电压,此电压即为场效应管的栅源负偏压,这时使BG\(_{1}\)的沟道电阻增大,电路负反馈加强,放大器增益下降,振幅降低,从而起到自动稳幅的作用。在振幅较小时,因输出电压较小而不能击穿WD,C\(_{4}\)上也无电压,故BG1因栅源电压为零使沟道电阻很小,负反馈最弱,放大器增益较大,所以,电路能迅速起振。由上述分析可知,D\(_{W}\)的稳压值决定了稳幅电路对输出电压的起控幅度,所以应选适当的DW稳压值,使起控幅度在放大器的线性工作区内。R\(_{5}\)的作用是给G4提供放电回路。其时间常数R\(_{5}\)C4要根据振荡频率而定,R\(_{5}\)C4过小,BG\(_{1}\)栅极电位将随振荡频率而波动,R5C\(_{4}\)过大,会使BG1栅极电位响应太慢,不能及时反应振幅的变化,故稳幅效果不太理想。
图8是一压控振荡器的例子。图中,非门F\(_{1}\)、F2和电容C以及压控电阻(BG的沟道电阻R\(_{DS}\))组成多谐振荡器。其工作过程简述如下:假设某一时刻B点为高电平,则C点必为低电平,此时B点的高电平可通过BG管的沟道电阻向电容C充电,当C上的电压(下正上负)高于F1的翻转电压时,F\(_{1}\)则翻转使B点变为低电平,C点变为高电平。此后C点的高电平通过BG管的沟道电阻放电,当电容C下端的电平低于F1的翻转电平时,F\(_{1}\)又翻转,使B点变为高电平,C点变为低电平。于是B点的高电平又向电容C充电,如此周而复始,便输出一个一定频率的方波电压,其振荡频率f可由
f=1/2.2R\(_{DS}\)C
确定。其中,R\(_{DS}\)是受外部控制电压UC控制的,改变U\(_{C}\)可改变RDS,从而也就改变了振荡频率f。所以振荡频率f是控制电压U\(_{C}\)的函数,这种函数关系的线性度取决于场效应管BG的特性。

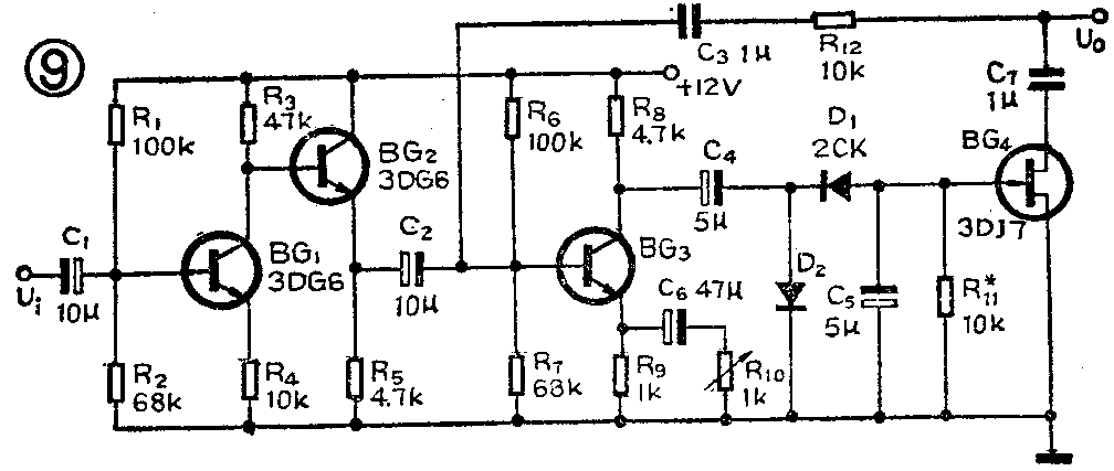
图9是一简单的噪声抑制电路,它能抑制音乐信号中的背景噪声。背景噪声是和有用信号同时存在的,但有用信号要比噪声信号强得多。在听音乐时,由于人耳的“掩蔽”效应,显得噪声很弱或者根本听不到。但在音乐信号的空隙间,背景噪声就显得比较明显。本电路就是根据这种噪声的特点,利用噪声和有用信号幅度上的显著差别,来抑制音乐空隙间的背景噪声的。

图中输入的音乐信号经BG\(_{1}\)和BG2组成的两级放大器后分为两路,一路经电阻R\(_{12}\)至输出端,另一路送至由BG3构成的放大倍可谓的(调节R\(_{1}\)0)放大器。BG3集电极输出电压在正半周时,可通过二极管D\(_{2}\)给C4充电。输出电压在负半周时,输出电压与C\(_{4}\)上的电压正向串联,通过二极管D1给C\(_{5}\)充电,于是C5上便得到极性为上负下正的直流电压,此时BG\(_{4}\)的栅极就有较高的直流负偏压,使得BG4的沟道电阻很大(R\(_{DS}\)》R12),R\(_{12}\)上的信号压降很小,基本上全部送到输出端。在音乐空隙间仅有噪声存在时,由于BG3输出电压很小,不能使D\(_{1}\)、D2导通,BG\(_{4}\)无负偏压,沟道电阻很小,使噪声信号绝大部分降在R12上,从而使噪声得到抑制。通过调节R\(_{1}\)0,可调节本电路进入抑制状态的门限电平。测试时,应使这个门限电平略高于背景噪声的电平。这样,只要输入的信号电平略小于门限电平(即没有音乐,只有背景噪声),电路就可进入抑制状态。此外,这种噪声抑制电路必须设在音响设备的音量电位器之前,因为这时背景噪声电平基本上是一个固定值,这样门限电平调好之后也就固定下来了。
以上所举场效应管可变电阻特性的应用例子,只是我们在实际应用中或实验中的一部分。其中,对它们的工作原理作了简单地说明,以供广大初学者参考。实际上,场效应管可变电阻特性在电子技术中的应用是相当广泛的。(苏长赞)