我用四块普通业余品CMOS集成电路,设计了一个新颖而实用的指触式音量控制电路,它的特点是不使用传统的音量电位器,而是在音响设备的面板上设置两个金属触摸点,即M点和N点。每用手指触摸一次M点,音量就增大一档;如果用手指触摸一次N点,音量就变小一档。音量调节范围设为8档,实践证明足以适应一般需要。为了使用方便,还用发光二极管组成了一个一位数的数字显示装置,可以形象地指示0~8各档的音量。
电路原理
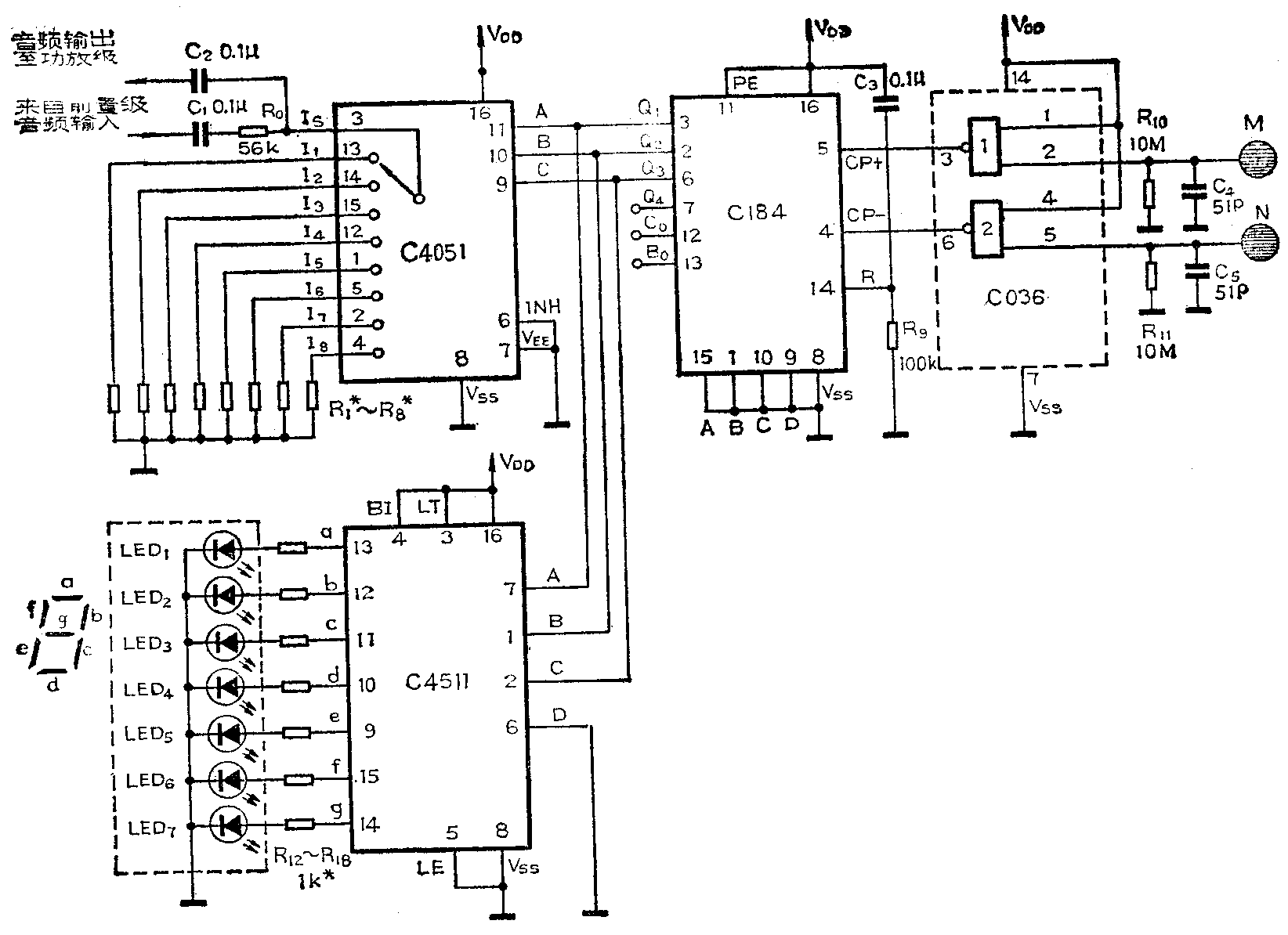
电原理见附图。图中输入信号取自音频前置级低放电路,经过本电路控制后的音频输出信号再送至功放电路。从图中可以看出,音量的分档变化是靠集成块C4051来完成的。图中还画出了C4051内部原理示意图,公共端Is连接到刀位上,通过转换刀位,可以使集成块C4051的公共端Is分别与R\(_{1}\)~R8相接。因为R\(_{1}\)~R8阻值各不相同,所以变化刀位时,R\(_{0}\)与R1~R\(_{8}\)的分压比也不同,从Is端经C2输出的音频信号就受到了不同的衰减。只要适当设计R\(_{1}\)~R8的阻值,就可以获得自己需要的各种衰减量。C4051是一个CMOS八选集成模拟开关,它相当于一只八档拨动开关。在实际工作中,开关的刀位究竟打在哪一档,则受到控制端A、B、C输入的000、001、010、……111八组三位二进制码的控制,使I\(_{1}\)、I2、……I\(_{8}\)八个端子分别与公共端Is接通。例如A、B、C端输入000码时,I1与Is接通。C4051集成模拟开关的导通电阻很小,既可以传送数字信号,又可以传送模拟信号。

集成模拟开关C4051的控制码为三位二进制数码,这个控制码取自二进制四位可逆计数器C184的输出端,只用了C184四个输出端中的三个输出端Q\(_{1}\)、Q2、Q\(_{3}\),分别与C4051的三个控制端A、B、C相接。C184具有两个计数输入端;CP+为加法计数,即0000→0001→0010……;CP\(_{-}\)为减法计数器,它对输入脉冲作减法计数,即……0011→0010→0001……。显然,C184与C4051共同作用,会使CP+输入脉冲时音量逐档增大,CP\(_{-}\)输入脉冲时音量逐档减小。另外,C184的置0端R经电容C3接到电源V\(_{DD}\)端,开机之后,由于C3和R\(_{9}\)的微分作用。在R端产生一个正脉冲,将计数器置0,即A、B、C为000,此时音量则自动预制在第一档。
C4511为十进制七段显示译码器,这种译码器具有驱动发光二极管LED的能力。其输入端为十进制BCD码,在本电路中将C4511的最高位D(第6脚)接地(始终为0电平),所以实际上显示的为八个数字即0、1、2、3、4、5、6、7,它与八档音量正好相对应。电阻R\(_{12}\)~R18为驱动LED的限流电阻,它们的阻值可根据V\(_{DD}\)值的高低在560Ω~1.5kΩ之间选取,只要保证流过每个发光二极管的电流约为5~7mA即可。发光二极管可选用一位共阴式数码块,也可根据自己的条件,用七只条形发光二极管拼制而成。为了简化电路和降低成本,显示电路也可以省略,并不影响音响调节功能。
前级的触摸转换电路只用C036的一半,即只用了两个二输入端与非门。输入端M和N平时为0电平,但是高阻抗状态(对地阻抗约为10MΩ),此时C184输出编码为000。假设用手触摸M点,则C036的第2脚受到感应电压的影响输入一个正脉冲,由于第1脚连接的是正电位,所以C036与非门1翻转,第3脚输出一个负脉冲。这个脉冲加到C184的CP\(_{+}\)端,使输出编码变为001,音量则提高一档;如果此时用手再触摸N点,则C184输出编码又变回到000,音量减一档。
实用举例:开机后,C184的R端加一个正脉冲,使Q\(_{1}\)=0、Q2=0、Q\(_{3}\)=0,于是编码A、B、C为000,C4051的刀位处在音量第一档,即接到I1端,从Is端经C\(_{2}\)输出的信号受到的衰减最大。C4511的a、b、c、d、e、f端输出高电平, LED1~LED\(_{6}\)亮,显示屏上显示出“0”;如果用手指触摸一下M,则C036的第2脚输入一个正脉冲,此时CO36第3脚输出一个负脉冲,此负脉冲加在CP+端,使C184的Q\(_{1}\)=0、Q2=0、Q\(_{3}\)=1,A、B、C编码为001,C4051刀位打在I2端,音量则处于第2档。此时C4511仅b、c输出高电平,显示屏上则显示出“1”;同理,如果再连续触摸2次M片,则音量跳到第4档,显示屏显示出“3”;如果音量在第4档时,用手去摸一下N片,则C036第5脚输入一个正脉冲,第6脚输出一个负脉冲,此负脉冲加到C184的CP\(_{-}\)端,使它的输出端Q1=0、Q\(_{2}\)=1、Q3=O,A、B、C编码变为010,则C4051的刀位打在I\(_{3}\),音量降到第3档,此时显示屏上应显示出“2”。
制作与调试经验
本电路可以加装在各种电声、电视等电器设备的音量控制部分。读者只要自己动脑筋,还可以将上述电路应用到其它场合。
如果要想将上述电路用于立体声设备中,只需增加一块C4051以及相应的衰减电阻即可。两块C4051的控制端A、B、C应相互对应地相连接起来。然后共同接于C184的输出端Q\(_{1}\)、Q2、Q\(_{3}\)。这时,左右声道的音量便可以实现同步调节了。
本文中的C4051和C4511均为国产C4000系列(也可用5G4000系列),C184和C036为C000系列产品。这些集成块均可使用功能齐全的业余品。在装配时应注意, CMOS电路末使用的输出脚可以空着。但未使用的输入端则应根据其逻辑功能分别接V\(_{DD}\)(1电平)或VSS(0电平),不可悬空,以免造成集成电路损坏。(许连生)