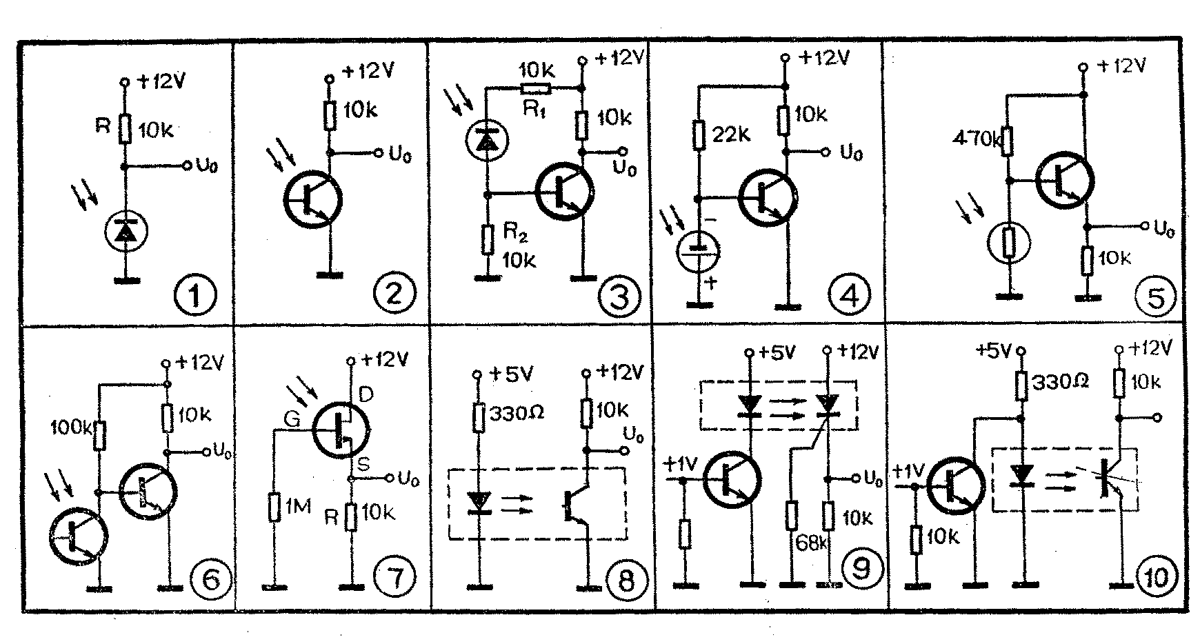
我们知道,光电控制装置一般由光源和接收部分组成。光源通常有:自然光源、白炽灯以及红外发光极管等。而接收部分则主要是光电二极管、光电三极管、光电池、光敏电阻、光敏场效应管、光可控硅以及光电耦合器等。在上述光的接收器件中,除了光电池具有受到光线照射时会产生电压这样的特性外,其余的光电器件的特点是,当有光线照射时,其电阻值会变小。
在下列图1~图10的电路中,假设光电器件都是理想的,即有光线照射时,内阻为零;而无光线照射时,其内阻为无穷大。在这种情况下,当光线照射到这些光电器件上时,你能判别电路的输出电压(忽略了管压降的情况下)是高电平(12V),还是低电平(0V)。

想想看答案
在图1~图10的电路中,由于已知各光电器件都是理想的,即有光线照射时,内阻为零;无光线照射时,内阻为无穷大,这就为我们分析电路状态提供了很好的条件。下面我们就分别判断下列电路输出电平的高低。
1.图1所示电路的输出电压U\(_{0}\)为低电平。由于光电二极管受到光线照射时,其内阻为零,+12V的电压全部加在电阻R上,故输出电压U0为低电平。
2.图2所示电路的输出电压U\(_{0}\)为低电平。
3.图3所示电路的输出电压U\(_{0}\)为低电平。原因是当光线照射时,光电二极管的阻值为零,+12V的电压经电阻R1、R\(_{2}\)分压,使得三极管的基极为正电压,故三极管导通。其集电极输出电压U0为低电平。
4.图4所示电路的输出电压U\(_{0}\)为高电平。由于光电池是反向并联在三极管的基—射极上的,无光线照射时,光电池不产生电压,使三极管得到偏压而导通。当有光线照射时,光电池产生的反向电压使三极管基极电位降低而截止,故输出为高电平。
5.图5所示电路的输出电压U\(_{0}\)为低电平。由于在光照时,光敏电阻的阻值为零,使三极管因基极接地而截止。因发射极无电流流过,射极电阻上没有压降,因此输出为低电平。
6.图6所示电路的输出电压U\(_{0}\)为12V。由于在光线照射下,光电器件的内阻为零,因三极管的基极对地电压为零而截止,故其集电极输出电压U0为12V。
7.图7所示电路的输出电压U\(_{0}\)为12V。当光线照射时,光敏场效应管的源极(S)和漏(D)导通,+12V电压全部降在电阻R上,故其输出U0为高电平。
8.图8所示电路的输出电压U\(_{0}\)为0V。图中虚线方框为光电耦合器。光照时其内阻为零,故U0输出为低电平。
9.图9所示电路的输出电压U\(_{0}\)为12V。外接三极管因得到正偏压而导通,故使光电耦合器内的发光二极管发光,从而使光可控硅受到光照而导通,输出U0为高电平。
10.图10所示电路的输出电压U\(_{0}\)为12V。因外接三极管得到正偏而导通后,使光电耦合器内的发光二极管短路,其接收管因无光照射而截止,故输出U0为高电位。(康一)