CMOS(互补金属氧化物半导体)集成电路具有微功耗、使用电源电压范围宽和抗干扰能力强等特点。其发展日新月异,应用范围十分广泛。本文介绍的CMOS模拟开关集成电路,在音频和视频范围可以使增益控制数字化,和微处理器配合使用可以简化自动控制电路的设计。下面就MOS场效应管及CMOS模拟开关作一介绍。
MOS场效应管的工作原理
金属氧化物半导体场效应三极管是通过光刻或扩散的方法,在P型基片(衬底)上制作两个N型区,在N型区上通过铝层引出两个电极,即源极(S)和漏极(D)。漏源两个扩散区之间的硅表面上生成一层绝缘的氧化膜(二氧化硅),在氧化膜上也制作一个铝电极,即为栅极(G),两个扩散区和P型衬底分别构成PN结。如果把源极和衬底相连接,并在栅源极间加正电压U\(_{GS}\),就会在衬底表面形成一个导电的反型层,它把漏源两个N扩散区连接起来,成为可以导电的沟道,见图1(a)。若在漏源之间也加正电压UDS,则源极与漏极之间将有漏电流I\(_{D}\)流通,且ID随U\(_{DS}\)的增加而增大。我们把开始有漏电流产生时的电压叫做开启电压UT,把在P型衬底上形成的导电反型层的场效应管叫做N沟道增强型MOS场效应管。其符号见图1(b)。MOS场效应管的漏极特性曲线及漏极电流I\(_{D}\)随栅极电压UGS变化的特性曲线如图2所示。


由以上分析,我们可以把MOS管的漏极D和源极S当作一个受栅极电压U\(_{GS}\)控制的开关使用,即当UGS>U\(_{T}\)时,漏极D与源极S之间导通,相当于一个开关接通,导通电阻约几百欧姆。当UGS<U\(_{T}\)时,漏极D与源极S之间不导通,没有电流流过,则如同开关断开一样。
同样,也可在N型基片上制作两个P型区,以形成P沟道增强型MOS管,见图3。典型的P沟道增强型MOS管的特性曲线如图4所示。比较图2和图4 我们可以看出,P沟道和N沟道MOS管的特性曲线是相反的。在了解了MOS管的基本工作原理和特性曲线以后,下面谈谈CMOS开关。


简单的CMOS开关
如果将P沟道MOS管Q\(_{1}\)和N沟道MOS管Q2的衬底,漏极和源极连接在一起,将它们的栅极分别接到反相器JC1的输出端和输入端,JC1的输入端再由开关S\(_{1}\)控制接正电压或接地,见图5。当开关S1接地时,Q\(_{2}\)的栅极是低电位,使UGS2<U\(_{T2}\),因它是N沟道MOS管,由前面分析可知,Q2应截止。同时开关所接低电位经反向器JC1反相变为高电位,使得U\(_{GS1}\)>UT1,因它是P沟道MOS管,此时Q\(_{1}\)也截止。其结果是A、B两端处于断开状态,即相当于一个开关断开。

当开接S\(_{1}\)接到正电源时,Q2的栅极为高电位,因U\(_{GS2}\)>UT2,故Q\(_{2}\)导通。同样,高电位经JC1反向变为低电位,使得UGS1<U\(_{T1}\),故Q1也导通。其结果是A、B两端呈导通状态,即相当于一个开关接通。
图5电路是建立在P沟道和N沟道MOS场效应管两者对称的情况,但在实际中并非完全如此。如果它们之间的参数有差异,那么从A点到B点的信号通道与从B点到A点的信号通道就有可能不完全相同,若差别较大,则可能引起信号失真。
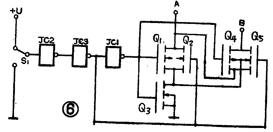
图6是一种改进了的CMOS开关电路。与图5相比,在开关的输入端又加了两个反向器JC2和JC3,因反相再反相其方向不变,故所加反相器只起隔离控制电压和CMOS开关的作用。除此而外,在Q\(_{1}\)和Q2上又并联了两只分别与它们相同的MOS场效应管Q\(_{4}\)、Q5,还加接了一只N沟道MOS管Q\(_{3}\)。Q1和Q\(_{2}\)并联上Q4和Q\(_{5}\)以后,因并联的原因,跨过A、B两端的电压降将小于简单开关电路的情况,电压降减小,意味着导通电阻的减小。

当开关S\(_{1}\)接地时,Q1、Q\(_{4}\)P沟道MOS场效应管因栅极高电位而截止,Q2、Q\(_{5}\)N沟道MOS场效应管因栅极为低电位也处于截止状态,其结果使A、B两端呈断开状态。Q3是N沟道MOS管,此时因栅极接高电位,使栅极和源极(接地)的PN结正偏置而导通,且导通电阻比较小,如果有来自控制部分的外来干扰信号,就会被Q\(_{3}\)旁路。因而提高了A、B两端处于断开状态时的稳定度。当开头S1接电源高电位时,分析同图5故不多述。
近年来已将CMOS开关设计成中规模集成电路(MSI),可以解决很多电路中的开关问题。下面举几个例子加以说明。
CMOS模拟开关集成电路及应用
图7所示是一个具有四个单刀单掷开关的CMOS集成电路,型号为4016。其中每一个开关都是由图6所示的电路组成的。图中的引出脚①、②相当于图6中的A、B两点,引出脚相当于图6中的开关S\(_{1}\)。在实际使用中并没有开关S1,而是加上一个幅度相当于电源(+U)的正脉冲。当未加正脉冲时,相当于S\(_{1}\)接地(低电位)。开关处于断开状态。当正脉冲到来时,相当于S1接正电压(高电位),开关处于导通状态。我们称图中的引出脚①和②;③和④;⑧和⑨;⑩和组成四个CMOS模拟开关。它们之间的串音很小,其隔离系数约为50db。

图8是一个由4016组成的增益控制数字化电路。其中的IC是一个线性放大器,在它的输出与输入之间接上4016CMOS开关,用来控制反馈电阻R\(_{1}\)、R2、R\(_{3}\)及R4是否接入电路。由于控制输入端是低电位时,CMOS开关处于断开状态,故线性放大器的反馈电阻未能接上。只在控制端为高电位时,因CMOS开关导通而接通反馈电阻网络。如果在控制输入端输入不同的低电位和高电位信号,就可使反馈电阻因不同组合而得到改变。在控制输入端为4输入端的情况下,共有16级增益变化,见表一。


采用数字增益控制给我们带来很多好处。我们知道,音频范围内的电源交流声是比较难以解决的问题,采用屏蔽电缆也不易彻底解决。如果使用数字信号控制增益,导线中只传输数字信号,上述问题就很容易得到解决。
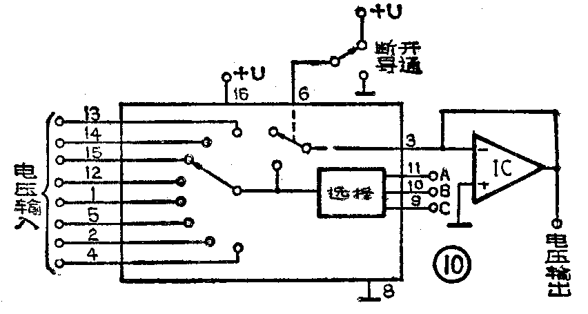
图9所示为另一种CMOS集成电路,其型号为4051。它是一种单刀8档开关,引出脚③是开关的刀,它接到哪一档由加到控制脚⑨、⑩和的电压来决定。表二列出了输出脚与控制脚的关系。如果控制脚都为低态(A=B=C=)0,输出脚是。若A、B接地,C接正电压(A=B=0,C=1),输出脚则是。引出脚⑥是禁止脚,如果它是高电位,则全部输入脚和输出脚均呈断开状态。引出脚⑦是模拟/数字,它是专为开关用在模拟或数字两种情况而设计的。在模拟情况时,信号有正负方向,在数字情况时,则只有高态“1”和低态“0”。如果4051用于数字电路,则引出脚⑦接地,若用于模拟电路时,引出脚⑦与系统最低电平连接,这个最低电平即是模拟电压摆动的下限(往往是负值)。

图10所示是使用4051CMOS开关选择放大器的输入信号。在控制脚⑨、⑩和输入数字信号,根据表2所指输出脚,即可选择不同的输入通道。


由于CMOS模拟开关在导通情况下,信号可以沿不同方向流动,而且使用在模拟情况下,我们可以把4051CMOS开关倒过来使用,见图11。这时,放大器的输出接到引脚③输入信号,这样就变成一个分配放大器。如果加在控制脚上的数字信号以一定的速率重复交替变化,则分配放大器的输出端也相应地以一定的速率重复交替变化,实现扫描输出。4051CMOS开关集成电路可以在2MHz的速率下扫描输出。用它作分配放大器,可用一个放大器推动八个输出负载,每个输出端都不会有明显的信号损失。

使用CMOS开关应注意以下几点
(1)CMOS开关与其他CMOS集成电路一样,由于MOS场效应管衬底上的氧化层特别薄,故容易被一定强度的静电荷所击穿。因此在使用时要采取一定的防静电措施,决不能在通电的情况下接插集成电路,否则电路将被损坏。
(2)通过开关的电流,在使用不同电源电压时有所不同。在正常情况下,工作电压为3伏到15伏,电流不超过25毫安(图5电路)或15毫安(图6电路),不可强行使开关通过更大的电流,否则会影响电路性能以致烧毁开关电路。
(3)不要把控制引出脚悬空。记住CMOS电路设计必须遵循的规则,所有的输入端一定要和相关的地方连接好。由于控制引出脚在集成电路的内部是与反相器相连的,如果将控制引出脚悬空,使CMOS开关处于不稳定状态,反相器很可能将MOS场效应管偏置到线性工作区,这也有可能使电流剧增而烧坏集成电路或其他有关电路。
(4)必须限制输入电压,使输入电压的变化范围不超过电源电压的最大值或低于地。由于CMOS集成电路能够安全工作的电压可到15伏,一般来说不会出现什么问题。在必要的时候可以先减小输入信号,通过开关后再增大信号。
CMOS模拟开关集成电路的种类很多,用途十分广泛,只要掌握了基本原理、性能,必将给我们的工作带来极大的方便。(彭定武)