语言集成电路是继音乐集成电路之后,新发展起来的一种CMOS大规模集成电路。目前它已有许多品种型号,这里仅向读者介绍一种最常见的CIC560系列语言集成电路。
语言集成电路简介
CIC560晶片和音乐集成电路一样,实际上它也是一片ROM记忆系统,它内存一句中文(英文)语言,触发一次能演播一声或两声,语言逼真清晰。该电路外围元件较少,线路简单,工作电压2.4V~5V。
目前有邮售的CIC560系列集成块有下列几种:CIC5603(NS5603),欢迎光临(中文); CIC5604(NS5604)谢谢光临(中文);CIC5606,I Love You(英文);IC5607,Happy Birthday(英文)。

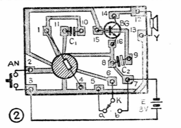
CIC560系列集成电路采用黑胶封装,即晶片直接用黑胶封装在一块小印制线路板上,其外形见图①所示。它的印制板上打有NS268字样。印制板上共有16个焊盘,它们的功能如下:1、4间接振荡电阻尼;2,触发端;3,接电源正极;5、6、7,接转换开关;7,电源负极;8、9,接电容C\(_{2}\);10、11,接电容C1;12、13,输出端接8欧扬声器;14、15、16,接功放三极管BG。

图②是该集成电路实际应用电路图,晶体管BG、电阻R\(_{1}\)和电容C1、C\(_{2}\)可直接焊在晶片的小印制板上。振荡电阻R1取值可在240kΩ~430kΩ间选用,振荡电容C\(_{1}\)可在47pF~680pF间选用,C2取值1μF。BG应选用高β值的NPN型硅三极管,如3DX201等,β值最好能大于150。转换开关K当置于图示a位置时,按一下AN,扬声器能播发两声语言,两次间隔时间约3~4秒。当K置于b位置时,按一下AN,扬声器仅播发一声语言。
R\(_{1}\)、C1数值大小决定振荡频率高低,当取值较大时,讲话声频率较低;当取值小时,讲话声频率高,音调偏尖。读者在安装时可根据各人对语言声调高低喜爱,通过调试最后确定R\(_{1}\)、C1具体数值。
语言集成电路是典型的CMOS电路,因此在焊接时,烙铁外壳应有良好接地。或者在焊接时,拔去烙铁电源线,利用烙铁余热焊接,这样就比较安全。晶片就不会被外来感应电压击穿损坏。
利用语言集成电路可以制作许多有趣实用的电路。如图②电路若采用5603集成块,AN改为门控开关,将此电路安装在宾馆的客房里,它就成了一个实用的电子迎客器。当客人推门而入时,门控开关AN闭合一次,扬声器就会连续两次发出“欢迎光临”的语言声。详见本刊86年第8期。读者还可以根据②脚接高电位,集成块即被触发的特点,制作各种光控、声控、磁控等电路。下面再介绍一个有趣的实用电路。
生日礼物
当你朋友过生日时,你可以送他一个生日礼品,你只要轻轻触碰它,它就会讲两句英文“祝您生日快乐”(Happy Birthday),最后还会鸣奏一曲“祝您生日快乐”的电子音乐。

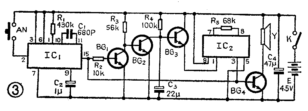
电子生日礼物电路见图③。IC\(_{1}\)应选用CIC5607语言集成电路,IC2应选用内存乐曲为“祝您生日快乐”的音乐集成电路如CW9309或CW9310芯片,其中9309内存乐曲名为“快乐生日”,9310内存乐曲名的“祝您生日快乐”。
电路工作原理是:当按动AN,IC\(_{1}\)输出语言信号经BG4放大,推动扬声器Y发声。同时语言信号又经R\(_{2}\)送到BG1基极,使BG\(_{1}\)导通,BG2由原来导通态转为截止态,这时电源通过R\(_{4}\)向电容C3充电,充电时间即为IC\(_{2}\)延时时间。在C3充电时间内,BG\(_{3}\)基极呈低电位,BG3截止,IC\(_{2}\)不工作。当C3两端电压上升到BG\(_{3}\)开门电平时,BG3导通,IC\(_{2}\)触发端①脚获得高电位,IC2工作,③脚输出音乐信号经BG\(_{4}\)放大,推动扬声器发声。
此电路成败关键在于IC\(_{2}\)延时时间。按动一次AN,IC1脚能输出两句语言声,脚约能维持5~6秒高电位,所以IC\(_{2}\)延时时间应控制在5秒左右。过短,语言声还未结束,扬声器即开始奏电子乐曲;过长,IC1脚恢复低电平,IC\(_{2}\)无法工作。IC2的延时长短,主要由R\(_{4}\)、C3的时间常数决定,晶体管的β值及电源电压值也有影响。制作时,可通过调整电阻R\(_{4}\)阻值达到。平时电路处于静态时,IC1脚为低电位,BG\(_{1}\)截止,BG2导通,BG\(_{3}\)截止,IC2也不工作。此时整机耗电极微。如长期不用,可断开开关K。
晶体管BG\(_{1}\)~BG4均可用3DX201硅管,BG\(_{1}\)~BG3的β值在100~150之间;BG\(_{4}\)的β值在150~250间。
电源用4.5伏,目的是增大发声音量。
整个电子机芯可安装在塑料圣诞老人或其它玩具体内。AN可开动各人脑筋巧妙安装,一般可装在玩具底部,当玩具放在桌上时,AN被顶开。当把玩具拿起来时,由于重力作用,AN闭合,电路受到触发而工作。
如读者要购语言集成电路,可见本刊86年第4、6两期48页上的函购消息。(陈有卿)