自动打击乐节奏器能够按照预选的节奏形式及速度,由数种模拟打击乐敲击出拍点准确的乐曲或舞曲节奏。自动打击乐节奏器由拍点脉冲发生器产生速度可调的时钟脉冲,输入到时序译码器,其输出端上产生依次移位的时序脉冲,再经节奏花样编码电路去触发相应的打击乐模拟电路。将上述功能集成化的产品,有北京地质仪器厂生产的CMQ02及CMQ06,还有北京半导体器件三厂生产的BH—DJ2,下面分别加以介绍。
CMQ02打击乐电路
集成电路CMQ02可以产生2/4、3/4及4/4拍三种节奏。它是CMOS电路,工作电压为5~15V;静态功耗电流≤20μA(V\(_{DD}\)=10V);触发打击乐模拟电路的两个输出端A、B,驱动电流均≥0.3mA。管脚及应用电路见图1,它的外形为14脚陶瓷扁平封装,其中标有颜色的脚为Vss。

应用电路由节拍电路、高音鼓电路、低板电路及功放电路组成。在节拍电路中,由CMQ02内部的三个非门与外接元件R\(_{1}\)、C1、R\(_{3}\)及W3构成拍点振荡器,其节拍速度主要由(R\(_{1}\)+W3)及C\(_{1}\)的充放电时间常数来决定。当节奏速度调节电位器W3调到最小时,R\(_{1}\)阻值的大小决定最急板(208拍/分)的拍速,当W3调到最大时,应能覆盖庄板(40拍/分)的节拍速度。由R\(_{2}\)、C2及CMQ02内部的单稳门电路,组成脉宽调节电路,使节拍脉冲输出端A、B产生约50ms的恒宽正脉冲,去触发打击乐模拟电路。CMQ02的D\(_{0}\)、2/4、3/4及4/4端为节奏类型控制端,S为置位复位端。当双刀4掷开关掷向1的位置时,S端通过刀S2接高电平,节拍器被置位,只产生单鼓点节奏。若再迅速将开关掷向2、3或4时,S端通过R\(_{4}\)接地,处于“0”的状态,节拍器开始正常工作,此时刀S1把D\(_{0}\)与某一节奏类型控制端相连,节拍器将产生相应的这一节奏。若开机后或在变换节拍控制开关时,节拍器无输出,或出现鼓、梆同时被触发现象,只需再重复置位一次即可。在节拍电路中,K1闭合,拍点振荡器停振,再通过闭合K\(_{2}\)或K3,去触发鼓、梆电路,产生手控打击乐的效果。D\(_{1}\)、D2为隔离二极管,可防止K\(_{2}\)、K3闭合时损坏CMQ02。高音鼓信号、低板信号和电子琴来的音色信号分别经隔离电阻R\(_{11}\)、R18、R\(_{22}\)复合后送至IC2进行功率放大。
通常儿童玩具琴用电池供电,功放电路所需功率不大,可用LA4100型集成音频功率放大器。同时玩具琴扬声器很难放出低鼓(65Hz)、沙锤或镲音(3~6kHz)的音响,因此打击乐模拟电路选用高鼓及低板电路,对于玩具琴较为适合。
CMQ06打击乐电路
集成电路CMQ06功能同CMQ02,但在电路设计上增加了若干个由R—S双稳态电路构成的节拍控制器,实现了触发式的节拍变换工作方式,即只需按一下某节奏类型控制开关,就能使电路完成自置位、复位及拍型转换,并在开关断开后,由于R—S触发器的记忆作用,仍能保持这一节奏,直到按下另一控制键为止,这种节拍变换较简便可靠。管脚及实用电路见图2。

实用电路由节拍电路、节拍速度显示电路、低鼓电路、沙锤电路及功放电路组成。其中K\(_{8}\)、K4、K\(_{5}\)为单触点复位开关,未按下时,CMQ06的各节奏类型控制端通过100K电阻接地,处于“0”状态,按下任一键,相应的控制端为“1”状态,A、B端便输出该种节奏脉冲,去触发低鼓及沙锤电路(电路与图4虚线框内相同,故未画出)。由BG1、R\(_{7}\)、R8及LED组成节拍速度显示电路,每当A端输出正脉冲时,串联在BG\(_{1}\)集电极回路中的发光二极管便闪亮一次,以指示节奏的重拍及拍速。低鼓信号、沙锤信号及电子琴来的音色信号复合后经W2控制,送至IC\(_{2}\)进行功率放大。功放电路须有良好的频响及功率输出,这里选用LA4102,它在电源9V及负载4Ω时,输出功率2.1W。
BH-DJ2打击乐电路
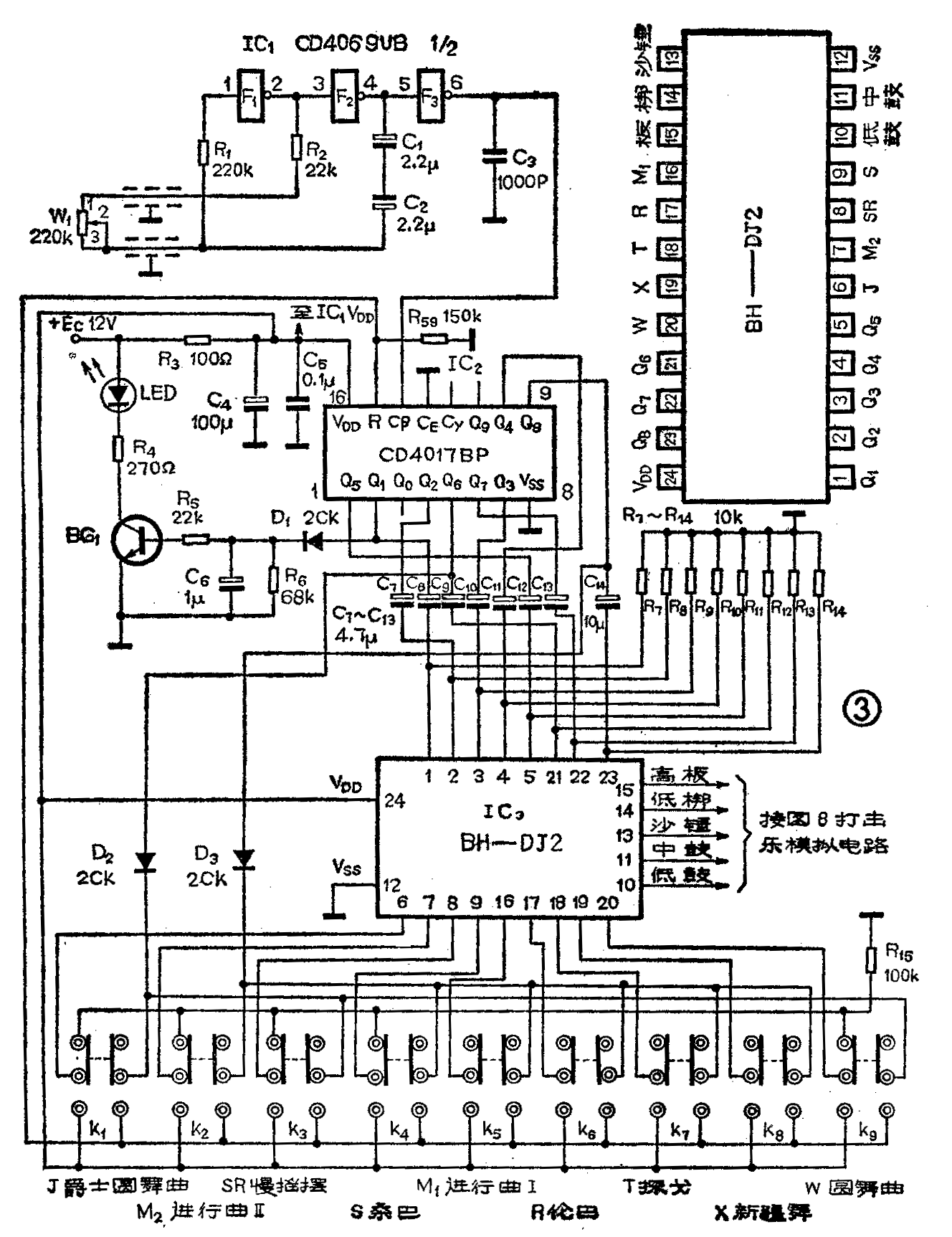
集成电路BH—DJ2的外形为陶瓷24脚双列直插封装,管脚及应用电路见图3。Q\(_{1}\)~Q8为8线时序脉冲输入端,通过内部二极管矩阵编码器,使5个输出端上产生正脉冲组合,去触发相应的打击乐模拟电路。其6~9及16~20脚为内部节拍控制电路输入端,靠内部开关门电路产生各种乐曲的节拍,去控制节奏花样编码器。该集成块为CMOS电路,推荐工作电压为9~12V。

BH—DJ2的外围电路由拍点脉冲发生器、移位寄存器、节奏类型控制按键及节奏速度显示电路等构成。图3中拍点脉冲发生器由六反相器IC\(_{1}\)的三个非门与外围RC元件构成,产生出的拍点脉冲做为时钟信号输入到十进计数器/时序译码器CD4017的Cp端,在Q1~Q\(_{8}\)输出端得到移位脉冲,再经C7~C\(_{14}\)及R7~R\(_{14}\)的微分电路,形成尖顶脉冲,输送到IC3的八线时序输入端。微分电路的作用,保证了相邻的两个时序脉冲都能触发同一打击乐模拟电路,实现了连续敲击。由K\(_{1}\)~K9双刀双掷九档互锁琴键开关控制节奏类型转换及拍型转换。在控制键未按下时,K\(_{1}\)~K9左侧的各常闭接点,把BH—DJ2的九个控制端(6~9,16~20)通过R\(_{15}\)接地,均被置于“0”状态,IC3无输出。当按下某一控制键时,例如K\(_{1}\),则IC3的控制端第6脚与电源V\(_{DD}\)接通,IC3将输出爵士园舞曲节奏。分别按另外8档开关,还可产生进行曲Ⅰ、慢摇摆、桑巴、进行曲Ⅱ、伦巴、探戈、新疆舞及圆舞曲九种节奏。按下某键时,此键右侧常开接点把CD4017某一输出端(Q\(_{6}\)或Q8)的移位脉冲,反馈到CD4017的置零端R,使移位脉冲被限制在Q\(_{1}\)到这一输出端(Q6或Q\(_{8}\))之间反复移位,实现了3/4或4/4的拍型转换。由BG1、R\(_{4}\)、R5、R\(_{6}\)、C6、D\(_{1}\)及LED构成了节奏速度指示电路,其中的RC回路不仅决定发光二极管LED闪亮的程度,还能减少由于电路去耦不良而产生与拍点同步的咔哒声。
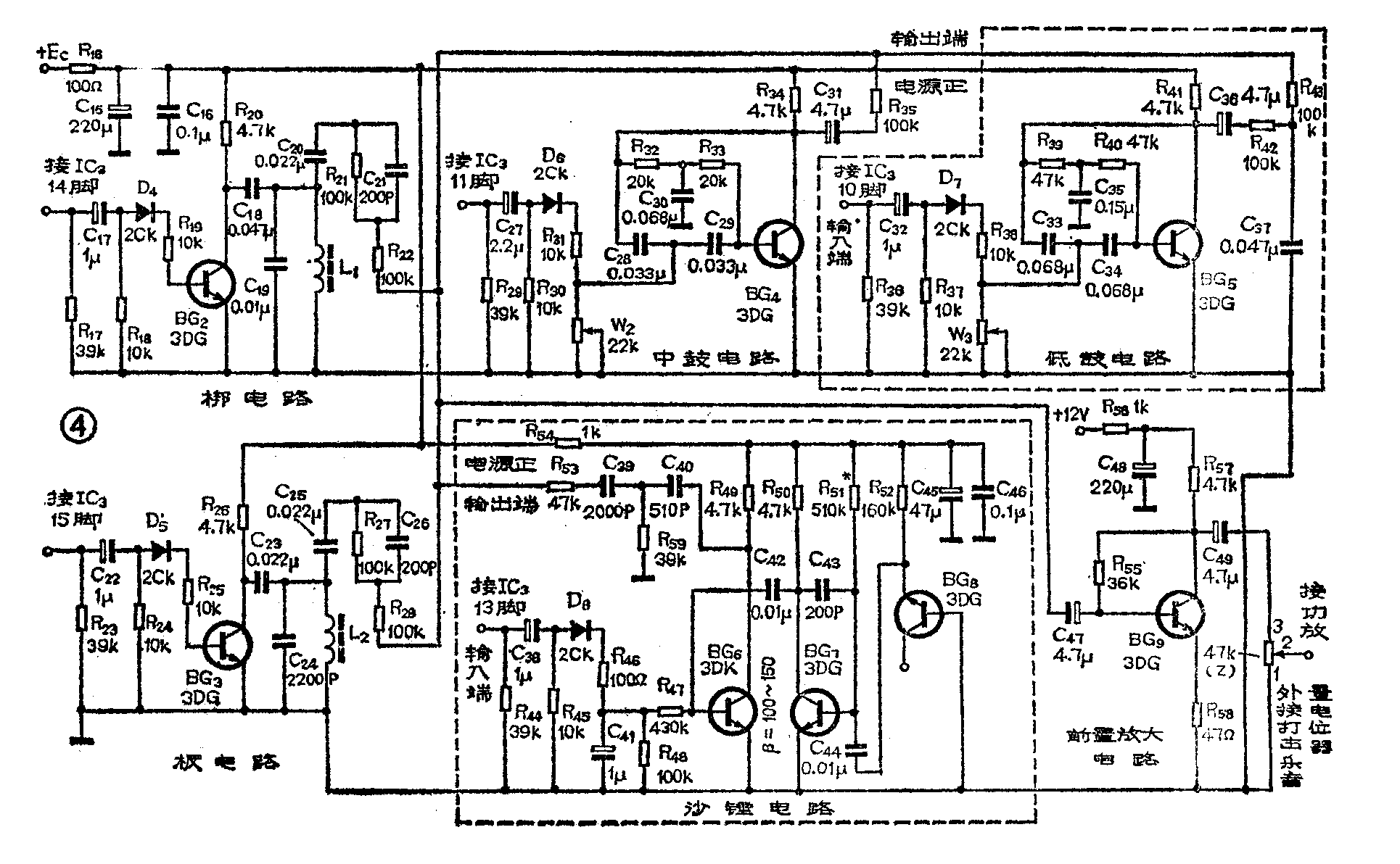
BH—DJ2产生的九种节奏花样,需由五种打击乐音响配成。由图3中IC\(_{3}\)第10~15脚输出信号去触发图4低音鼓、中音鼓、梆、板及沙锤五种打击乐模拟电路。BG2是梆电路中的开关管,未触发时,BG\(_{2}\)截止,电源通过R20、L\(_{1}\)向C18充电,当IC\(_{3}\)的14脚输出正脉冲时,经C17及R\(_{18}\)微分电路,形成正负尖顶脉冲,再经单向导电的D4及限流电阻R\(_{19}\),使BG2正向偏置而饱和导通,于是C\(_{18}\)通过BG2、L\(_{1}\)放电,在由L1、C\(_{19}\)及C18组成的LC谐振回路中,产生一个急剧衰减的阻尼振荡,经C\(_{2}\)0及高频提升网络,输出逼真的梆音模拟信号。板电路与梆电路原理相同,BG3为板电路的开关管,其它不再重复。两种鼓电路均采用双TRC振荡电路,当振荡管BG\(_{4}\)或BG5的基极受到正脉冲激励时,双T电路产生一个振幅按指数衰减的振荡,频谱也有一定的带宽,酷似中音鼓或低音鼓的音响。在低音鼓的输出端,加有低通RC滤波网络,使鼓音更加纯正。由BG\(_{6}\)~BG8等组成沙锤电路,其中BG\(_{8}\)的发射结被反向偏置而工作在击穿状态,做为白噪声音源管。BG7为白噪音放大管,C\(_{43}\)为负反馈电容,改善白噪声的频谱,避免沙锤电路产生放气的咝咝声。BG6为沙锤音型门开关管,当触发正脉冲通过阻值不大的R\(_{46}\)向C41充电时,C\(_{41}\)上电位迅速上升,通过偏置电阻R47使BG\(_{6}\)工作在线性放大区,被BG7放大后的白噪音信号通过耦合电容C\(_{42}\)也同时加在BG6的基极,放大后经高通T型网络输出。这个网络能够去除BG\(_{6}\)开关门中的直流分量,减少沙锤音头中的咔哒声。当C41上的电荷通过R\(_{48}\)、R47泄放掉时,BG\(_{6}\)逐渐偏离线性放大区而过渡到截止状态,完成了对白噪音信号的衰减包络,形成了沙脆的沙锤音。五种打击乐信号各自通过隔离电阻R22、R\(_{28}\)、R35、R\(_{43}\)、R53后共同加到前置放大器BG\(_{9}\)的基极,放大后经C49耦合输出,其电平可直接驱动功放电路。由R\(_{16}\)、C15及C\(_{16}\)组成去耦回路,防止开机对振荡电路受到电源激励而产生额外的鼓音。
安装调试
上述电路中的节拍及功放电路,由于采用集成电路,只要焊接无误,一般无需调整即能正常工作。需要调整的只有双TRC振荡电路的微调电阻。具体方法如下:接通电源后,将微调电阻(图1中W\(_{1}\)、W2,图2中W\(_{1}\),图3中W2、W\(_{3}\))从大到小调到一定值时,双T电路起振,此时即使无触发信号,振荡器仍能输出等幅音频正弦信号,这时只要再将微调电阻稍增大一点,电路便停振。最后接通节奏触发信号,再仔细调节微调电阻,使鼓或低板的余音长短适宜,并留有一定余量,防止电路自激。需要说明的是,打击乐模拟电路中各元件的数值对打击乐音色影响很大,互相之间也必须搭配好,才能产生应有的节奏效果。图4中数据是经过实验及批量生产后确定的,效果良好,供制作者参考。当然也可以根据具体需要及个人的爱好,对个别元件数值略加修改,如图4沙锤电路中的R46及R\(_{48}\)适当加大,将会产生镲的模拟音色。

节奏控制按键采用2×2九档互锁互复位直键开关,图4梆、板电路中的电感线圈L\(_{1}\)及L2,采用μ=2000的铁淦氧磁罐,在内部骨架上用φ0.1mm左右的漆包线绕400匝左右,电感量约300~400μH。在电路板焊好后,再将IC\(_{1}\)~IC3插在电路板上相应的插座上。调试时要按照MOS集成电路使用的注意事项进行操作。该板插座接口有电源、节奏指示发光二极管、节奏速度调节电位器及打击乐输出引出线。邮购见本期及上期。(孙心若 吴宁)