例1:一台日间CRP—149D型彩色电视机,出现无光栅,无伴音故障。
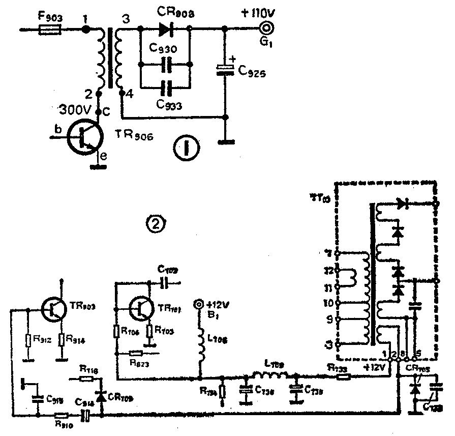
分析与检修:出现无光栅、无伴音故障,应先检查电源电路和行扫描电路。该机的电源电路和行扫描电路都在底盘电路板上。由于该机的电源电路是采用开关稳压电源电路,无电源变压器,所以,当接上市电电源后,底盘电路板上带电。为了检修安全,可将底盘电路板从机器盒内拿出,用1∶1安全隔离变压器接在市电电源与电路板之间。检查步骤:用万用表测量开关稳压电源的开关管的集电极有无300伏的直流电压,见图1,如果有300伏电压,再测量直流电压输出G\(_{1}\)端有无110伏电压,如果有110伏电压,则说明开关管TR906工作正常,行扫描电路能工作。下一步再测量行输出变压器TT03,见图2,测量TT\(_{0}\)3的①脚直流电压是否正常,正常时①脚直流电压为12伏,如测出为2伏,则可顺着12伏电源电路,检查一些相关元件,根据实践经验,造成12伏电压低的原因一般有三个:①12伏电源供电系统有关元件与印刷电路板接触不良;②二极管CR705损坏,电容C\(_{732}\)损坏;③脉冲整形管TR903损坏。

例2:一台日立牌CRP—149D型彩色电视机,图象正常,但无伴音。
分析与检修:此故障可能发生在第三中放之后的伴音通道电路中,其检查步骤可参照图3所示的方框图进行。

先用螺丝刀触击伴音集成块IC\(_{4}\)01的第⑧脚,见图4,用扬声器进行监听是否有“呵呵”声,或者用一个1000Hz的音频信号串接一只10μF的电解电容注入IC401的第⑧脚,如果扬声器中有1000Hz的音频信号输出,说明鉴频器到扬声器之间的电路都正常。然后在IC\(_{4}\)01的②脚注入一个载波为6.5MHz的1000Hz的伴音信号,如果电路工作正常,扬声器内能发出一个1000Hz的音频信号,如果扬声器内无声,则说明故障在IC401内或IC\(_{4}\)01①、②脚的外围电路内。用万用表测量IC401各脚电压,发现①脚电压近似为零伏,②脚电压为0.5伏,(正常时为2伏),仔细检查发现是电容C\(_{4}\)04短路所致,更换一只0.01μF电容器伴音恢复正常。

例3:一台日立牌CTP—216D型彩色电视机,在VHF频段的1~5频道,图象、伴音正常,在6~12频道,则无图象、无伴音。
分析与检修:该机的节目预选装置分两部分:触摸部分和组合电位器、频段开关。能触摸部分装在前面板,组合电位器及频段开关置于右侧,预选器频段开关分VHF频段的1~5频道、6~12频道,UHF频道13~36频道。由于在1~5频道能收看电视节目,而6~12频道无图象、无伴音,这说明故障可能发生在节目选择器、组合电位器、频段开关以及供给调谐电压的预置分压器部分。

检修步骤:先用万用表测量调谐供给预置板的电压,如图5所示。在正常情况下,把频段开关置于VHF频段的1~5频道上,TR\(_{0}\)81的集电极电压为33伏,把频段开关置于6~12频道上,TR081的集电极电压为零伏。如果频段开关置于6~12频道上,TR\(_{0}\)81的集电极电压不为零伏,仍为33伏,则说明三极管TR081已损坏,TR\(_{0}\)81损坏了,如找不到原型号管,可用国产管3DG12代换。如果测得TR081的集电极电压为零伏,应继续检查预选器电路和频段开关电路。本机有8个预选器,每个预选器都有自己的频段开关及组合电位器。预选器是由触摸开关控制的,当波段开关拨至VHF频段的6~12频道,即BH端,见图6,12伏电压立即加到三极管TR\(_{0}\)22的集电极上,这时TR022导通,TR\(_{0}\)22的基极电压为12.4伏,发射极电压为11.8伏,如果基极电压或发射极电压异常,很大可能是TR022损坏。如果TR\(_{0}\)22损坏了,又没有备件,可用国产管3DG6代换。

VHF频段的1~5频道及UHF频段,如果发生类似上述故障,可用相似方法检修。TR\(_{0}\)20、TR021管正常工作时的各极电压值与TR\(_{0}\)22相同。
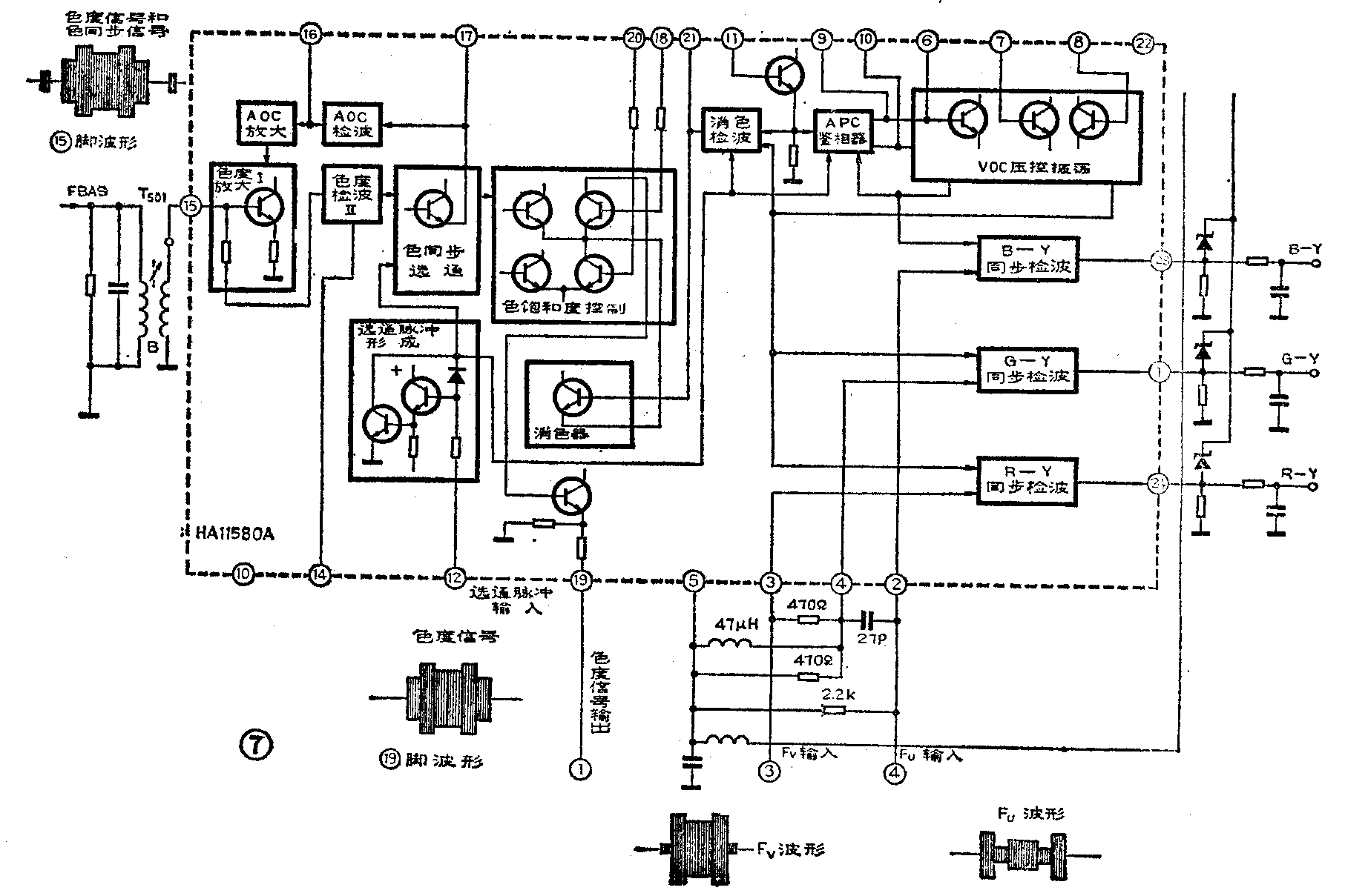
例4:一台日立CRP—149D型彩色电视机,黑白图象正常,无彩色,伴音正常。
分析与检修:这种现象一般发生在彩色解码电路板上,该机的彩色解码电路如图7、图8所示,由第一视放输出的彩色全电视信号通过变压器T\(_{5}\)01后,将亮度信号滤去,取出复合色度信号,然后进入集成电路HA11580A的脚,在集成电路内的复合色度信号经过两级色度放大电路进行放大,然后在延时行脉冲控制的门电路中,分离成色同步信号和色度信号,其中色度信号经消色电路控制后由输出。由输出的色度信号经过由分离元件组成的延时解调器、PAL开关和识别电路,得到两个分开的色度信号分量FU和F\(_{V}\),然后送到集成电路的②、③脚,在色度解调器中进行解调。


检查色解码电路,最好用示波器检查,选择两个测试点,一个是集成块HA11580A的脚,看色解码电路输入的色信号是否正常,正常的波形见图7。另一个是集成块HA11580A的,看色解码电路的输出信号,正常的波形见图7。如果这两个测试点的波形都正常,则说明集成块HA11580A工作正常。下一步检查集成块的外围电路。从集成块输出的信号经电容C\(_{551}\)耦合到由分离元件组成的延时解调器,见图8。先用示波器看晶体管T551基极的波形,如荧光屏上没有波形,说明色信号没有通过耦合电容C\(_{551}\)(图8中误标为C511),经检查发现电容C\(_{551}\)开路,换上一只0.01μF的电容器,图象颜色立即恢复正常。(曹洪柱)