目前我国生产的收录机和收音机,在短波段多使用拉杆天线。拉杆天线与输入回路之间的耦合大多数采用如图1所示的电感耦合方式。这种耦合方式的优点是电路简单、成本低。但它有一个较突出的缺点,就是频率高、低端的灵敏度很不均匀,频率高端的灵敏度有时会比频率低端的灵敏度高7~10倍(见图2中的曲线①)。这种收音机在使用中常出现高端收台多而频率低端收到电台少的毛病。如果为了提高低端的灵敏度而提高整机的增益,则收音机高端的灵敏度又嫌太高,很容易引起机震、啸叫等毛病。下面我们具体分析一下引起上述毛病的原因并给出一个实用电路。


图1电路中,拉杆天线的等效电容一般为10pF左右,它与输入绕组Lc的电感量(约为1μH~几μH)构成一个串联谐振回路,谐振频率较高,一般都在短波段高端覆盖点以上。这样,频率高端当然距该谐振点较近,而短波段的频率低端则距该谐振点较远。因此,在频率高端,Lc上所流过的电流明显的比低端大,实际上,此时的输入电路的电压传输系数K与信号频率的平方成正比(见图3),这就是导致高端灵敏度高、低端灵敏度低的主要原因。


为了克服上述弊病,有些书中推荐如图4所示在Lc与天线之间再串接一个较大的电感L′c,将天线回路的谐振频率降低到低端覆盖点以外,一般取(0.5~0.8)fmin。这种方案实际上行不通,原因是为了满足要求,L′c需取值较大,于是它的分布电容C′也不能忽视,C′与L′c又恰好构成了一个陷波器,其频率往往落到波段的高端,从而导致波段高端的灵敏度严重下降。

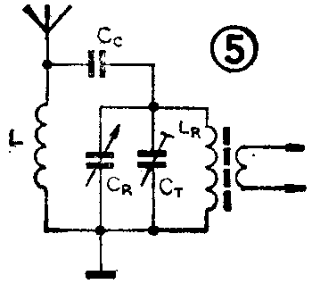
图5是克服上述弊病的一个较好的电路。图中,耦合电路由Cc和L构成。在高频端,由于L的感抗较大,所以从天线上下来的信号能够经由Cc耦合给输入调谐回路。而在低频端,则让L与天线等效电容谐振,以提高L两端的信号压降。这样就能大大缩小高、低端有用信号电流的差距。
L值和Cc值如何选取呢?设短波频率范围为3.9~12MHz,天线的等效电容Co为10pF,它与L的谐振频率设在5MHz,根据公式f=\(\frac{1}{2π}\)\(\sqrt{LCo}\)可得L=1;4π\(^{2}\)Cof2=\(\frac{1}{4×3.14}\)\(^{2}\)×10×10-12×5×10\(^{6}\)≈100μH。为了减小天线回路对输入回路的影响,Cc值不宜取太大,一般可取3~6pF。电感L可用QST0.1mm的丝包线在φ3.5的骨架上蜂房式绕175匝即可。
使短波段低端灵敏度下降的还有另外一个因素:当波段开关拨到短波段后,因为双连可变电容器改接到短波段,原来的中波天线线圈和中波输入微调电容、中波本振线圈和中波本振微调电容又分别构成两个新的调谐回路。设输入微调电容容量为5~15pF,中波天线线圈的电感量为330μH,则可以计算出这一谐振回路的谐振频率f\(_{1}\)为3.9~2.25MHz;设本振调谐电容也在5~15pF范围内,本振线圈电感量为170μH,则同样可以算出这一谐振回路的谐振频率f2在5.5~3.15MHz范围内。这两个谐振回路对短波而言实际上是两个吸收回路,它们对于低端频率范围在3.9MHz左右的短波段是有危害的,它能强烈地吸收f\(_{1}\)、f2附近的输入信号或本振信号,致使该处的灵敏度降低,甚至形成哑点。由于这种吸收作用是通过空间电磁波耦合形式来进行的,所以这两个吸收回路与短波段电路即使在电路上没有联系,吸收作用照样存在。解决办法是当收音机工作于短波段时,设法将两个吸收回路或者其中之一破坏掉即可。
图6电路是根据以上原理设计的一个实用变频电路,频率范围为3.9~12MHz。天线输入耦合电路由C\(_{1}\)和L构成。K1e能在短波时将中波本振线圈对地短路。K\(_{1}\)f在短波时同时起两个作用:一是将R11、C\(_{17}\)、R12等并联到了中波天线线圈上,从而破坏了由它和C\(_{3}\)组成的吸收回路,另一个作用是在直流通路方面将R11和R\(_{12}\)并联起来,从而减小了BG2的射极电阻,提高了BG\(_{1}\)的电流。

实践证明,图6电路使短波灵敏度的均匀性有了明显的改善。改善以后的最大灵敏度与频率的关系曲线如图2中的曲线②,可以看出,它使原来灵敏度很低的低端有大幅度提高,而原来灵敏度过高的高端则有一定降低。(颜浩)