本文介绍的这种双卡机电路,充分发挥了TA7668AP、TA7240P两块集成电路的功能,使电路结构大为简化。它与一般双卡机电路相比,具有如下特点:①省去了一路前置放大电路。②传统的录放开关接点繁多,安装在印刷电路板上,且必须与机芯联动,这就给排制印刷板及安排整机结构带来了麻烦。本文介绍的电路则消除了这种麻烦,它仅由一只简单的录音电机簧片开关(后面将详细讲)来代替上述录放开关,使电路大为简化,且提高了整机的可靠性,适合于工厂生产,也适宜在业余条件下制作。
TA7668AP、TA7240P性能简介
在介绍双卡机的具体电路以前,我们先来熟悉一下本文用到的TA7668AP、TA7240P两块集成块的主要性能及使用方法。这两块集成电路是由无锡无线电器材厂从日本东芝公司引进生产的。

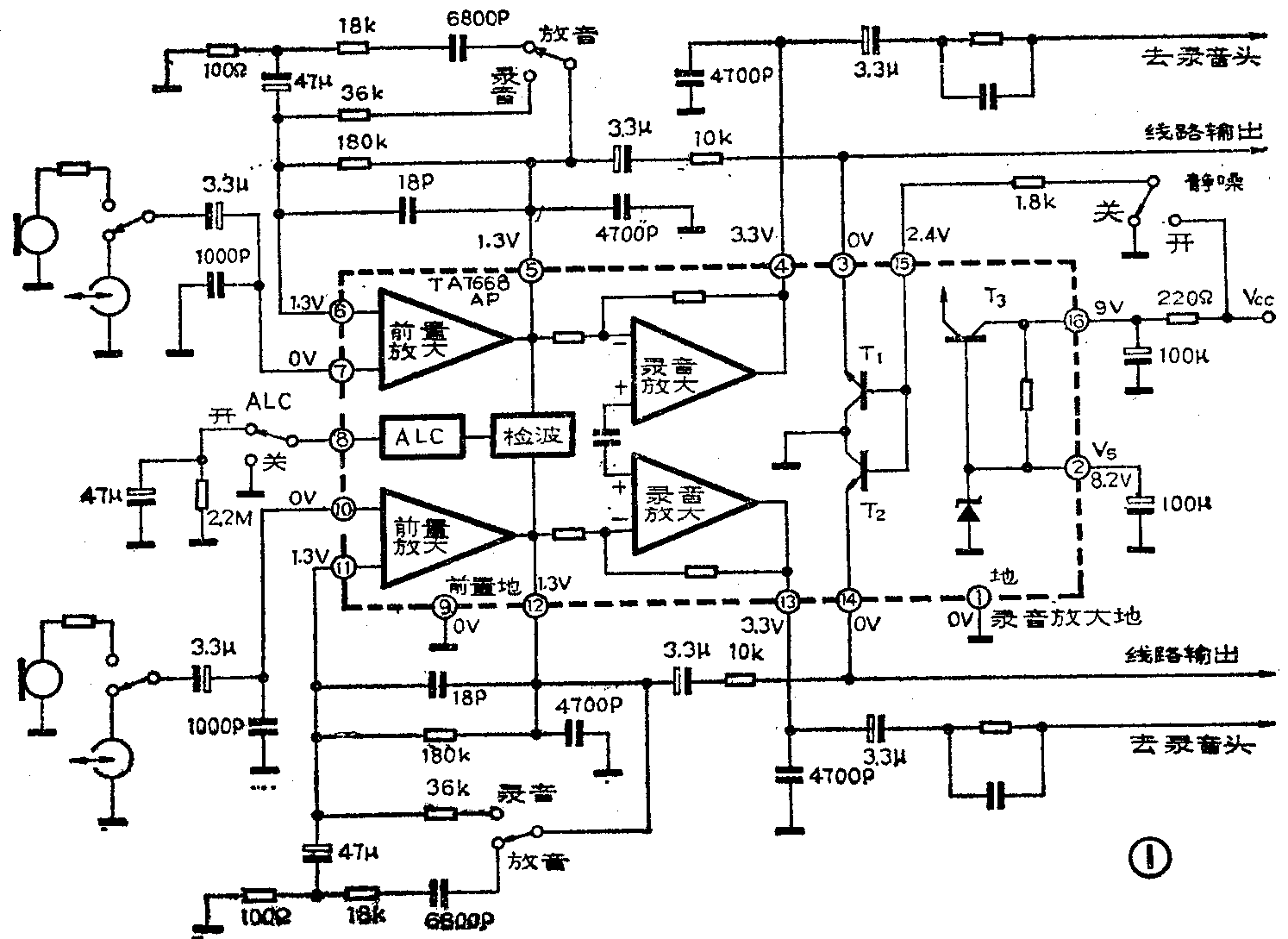
TA7668AP是用于录音和放音的双通道前置放大集成电路,外型为双列直插16脚塑料封装,工作电压6~15V,空载电流7mA。图1是它的内部线路方框图及外部元件连接图。从图中可以看出,TA7668AP内部主要包括稳压电源、前置放大器、ALC电路、检波、静噪电路等部分。信号从第⑦、第⑩脚输入,为了改善前置放大器的频响特性,在⑤、⑥和、脚之间接有负反馈补偿网络。⑤、脚为前置放大器的输出端,输出的最大正弦电压约为0.8V(有效值)左右。该输出电压可以作为线路输出电压,或者送给功放级继续放大。又可以从内部馈给录音放大器进一步放大后从④、脚输出,最大输出正弦电压约为2.2~2.4V(有效值),此电压可以作为录音磁头的录音信号源。③、脚为静噪控制端,脚静噪输入端,必要时可以开启静噪开关,使脚通过1.8千欧电阻接到电源Vcc端,这时TA7668AP内部的晶体管T\(_{1}\)、T2饱和导通,将送到功放级去的信号对地短路。⑧脚是ALC控制脚,它在⑤、脚的电压为110~140mV时开始起控。脚加电源电压(9V)。②脚为内部稳压管的基准电压(8.2V)。⑨脚为输入接地端。①脚为输出接地端。图4列出了各管脚无信号时的电压值,可供参考。
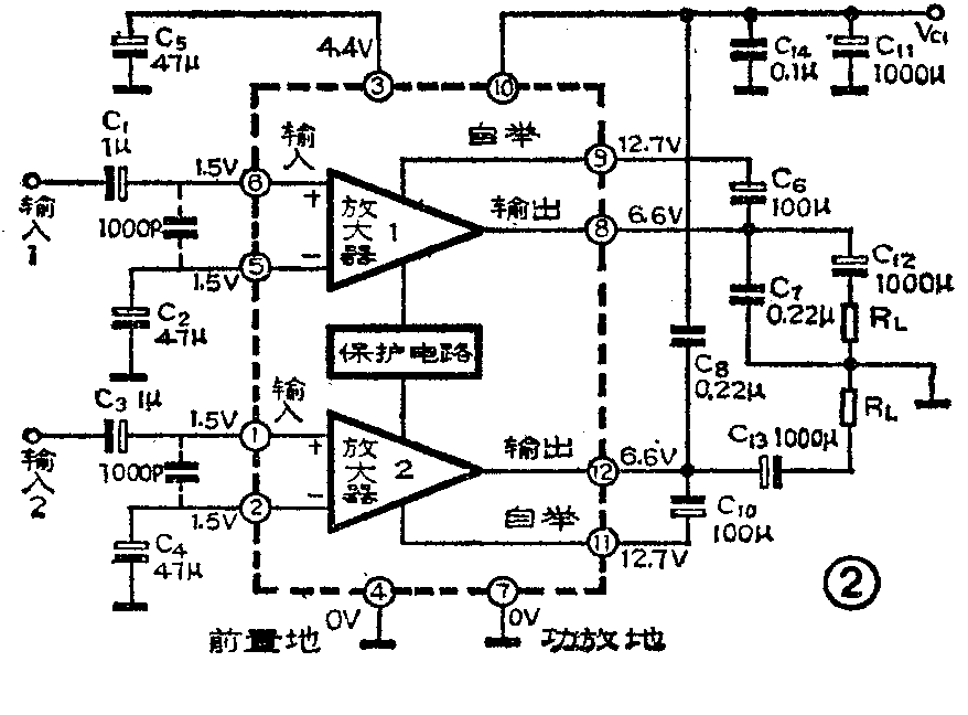
TA7240P是一种BTL双通道音频功率集成电路,它具有高保真、高输出、低失真及低杂音等优点。外型为单列直插12脚封装,电源电压为9~18V,在电源电压为13.2V、负载为4欧、失真为10%时,双通道的输出功率为2×5.8W。

TA7240P内部电路包括:两个对称的音频功率放大通道;过热、过电压、负载短路保护电路;静噪抑制电路和偏置电路等部分。图2是它的内部电路方框图和外接元件连接图。图中标出了各管脚的功能及无信号时的电压值,各电压值是在Vcc=13.2V、Ta=25℃条件下测试的。
另外,TA7240P功放电路,电压增益高,输出功率也较大,因此使用中要小心一点,否则容易引起自激振荡。通常需采取如下一些防振措施:(1)在输出端和地(电源)之间加接防振电容,图2中的C\(_{7}\)、C8就起这一作用。C\(_{7}\)、C8应选取温度特性较好的电容器,如聚酯电容器。陶瓷电容器的温度特性不好,用这种电容器时容量要取大一些;(2)在图2放大器的输入端①脚至②脚、⑤脚至⑥脚之间,各接一只500~1000P的电容(见图2中虚线所示);(3)排版时注意放大器的输入端连线和第⑦脚的功放地线不能平行,以免负载电流通过电源耦合到输入端;(4)放大器的第④脚为小电流地线,第⑦脚为大电流地线,排版时要分开走;(5)注意各个电容器的接地点位置。图3是TA7240P的典型排版图,可供读者参考。

双卡收录机的功能及原理

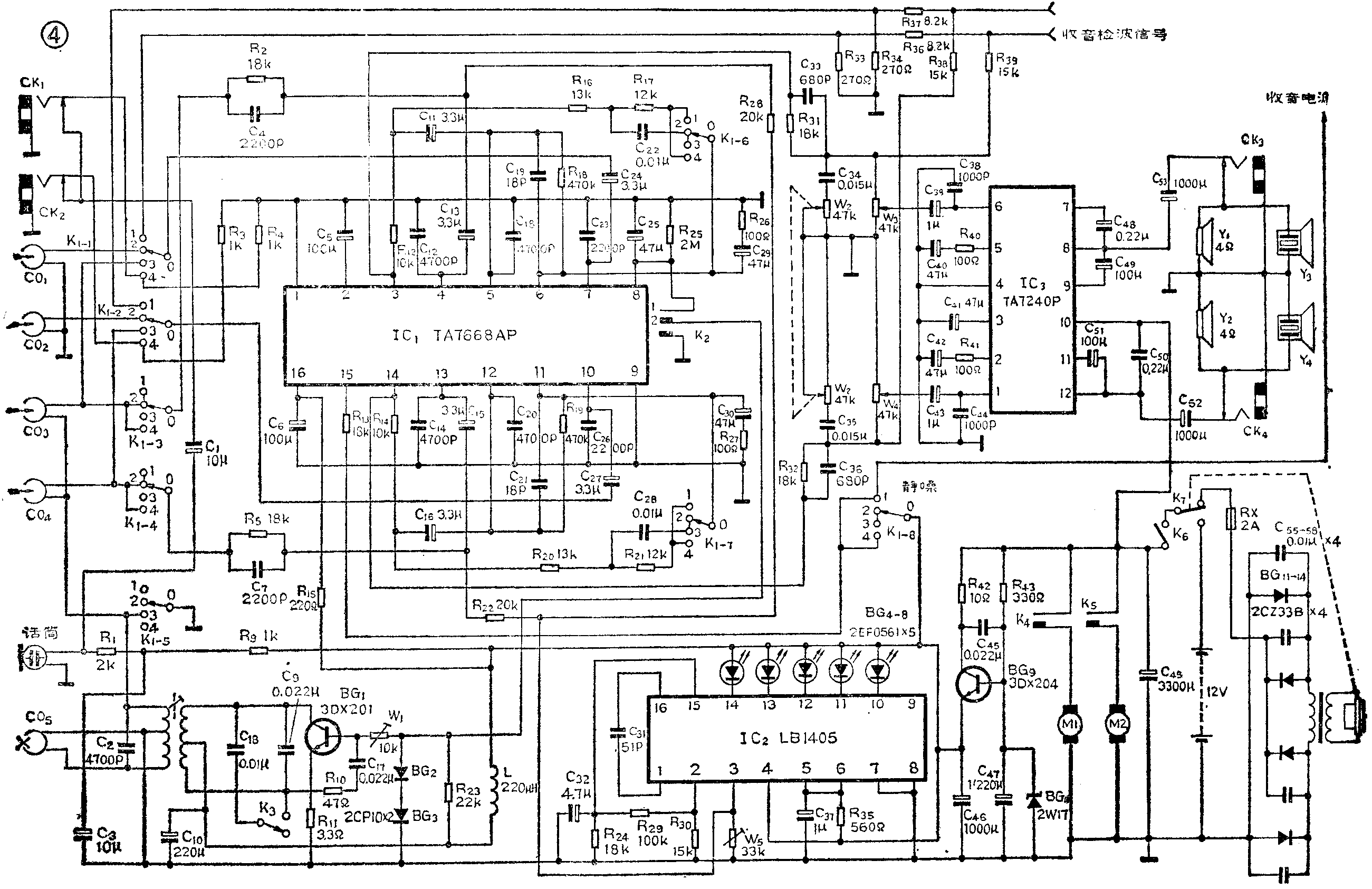
1、收音及广播录音:参看图4,功能选择开关K\(_{1}\)-1~K1-8置1的位置,收音信号经过检波或鉴频后,输出的低频信号分为两路进入本电路,一路由R\(_{38}\)、R39衰减后通过左、右通道的音量电位器W\(_{3}\)和W4,进入TA7240P输入端第1脚和第6脚,直接去推动功放集成电路块TA7240P完成收音功能;另一路由R\(_{36}\)、R33和R\(_{37}\)、R34进行分压后作为广播录音信号,经K\(_{1}\)-1、C24和K\(_{1}\)-2、C27送到TA7668AP的输入端⑦、⑩脚。因为收音部分经检波或鉴频后,输出的低频信号的频响特性基本上是平坦的,不需要再进行频率补偿,所以TA7668AP的前置放大器的频响也应该是平坦的,这样才能取得较好的录音效果。图4中,K\(_{1}\)-8、K1-7使前置放大器的⑤、⑥脚和、脚之间的反馈网络分别为一个纯电阻(R\(_{16}\)和R17串联,R\(_{2}\)0和R21串联),此时前置放大器呈线性反馈状态。同时广播信号还由TA7668AP内部馈给录音放大器进一步放大,从④、脚分别输出。从脚输出的信号经C\(_{15}\),再经由R5、C\(_{7}\)并联起来组成的高频提升网络、K1-4到达磁头CO\(_{4}\)的一端。从④脚输出的信号经C13,再经由R\(_{2}\)、C4组成的高频提升网络、K\(_{1}\)-3,到达磁头CO3,CO\(_{3}\)、CO4合并起来为一个立体声磁头,设置在带盒2的机心上,磁头的另一个头与偏磁振荡线圈相连,以便在需要录音时向磁头馈入偏磁振荡信号。
图4中的K\(_{2}\)为一簧片开关,该开关直接安装在盒2机芯上,并能与录音键联动。在平时不进行录音的情况下,K2的1、2两个簧片均处于接地状态,这样可使偏磁振荡管BG\(_{1}\)的偏流被短路入地,于是TA7668AP的ALC控制端第8脚也直接到地,迫使偏磁振荡电路及自动电平控制电路都不能工作。如需录音时,可按下录音键,使K2的两个簧片悬空,此时电源通过W\(_{1}\)可调电阻向偏磁振荡管提供偏流,TA7668AP自动电平控制端⑧脚通过并联在一起的C25、R\(_{25}\)接地,此时偏磁振荡电路和自动电平控制电路均开始工作,带盒2便可开始录制广播节目。
在进行收音及广播录音时,TA7240P的输入端所加的信号,应是由R\(_{38}\)、R39分别提供的,这是一个经检波或鉴频后送来的低频信号。但是我们又看到,经TA7668AP前置放大器放大后,从⑤、脚输出的广播信号也可以经过C\(_{11}\)、R12、R\(_{31}\)和C16、R\(_{14}\)、R32加到左右通道电位器W\(_{3}\)、W4上,这样就使TA7240P的输入信号重复了。为了解决这个问题,必须通过R\(_{13}\)、K1-8向TA7668AP静噪输入端⑤脚提供高电平,使TA7668AP内部T\(_{1}\)、T2饱和导通,广播信号在③、脚处被短路,从而阻止TA7668AP向TA7240P输出信号。
2.带盒1放音、带盒2录音:功能选择开关K\(_{1}\)-1~K1-8置2的位置。盒1磁头CO\(_{1}\)、CO2输出的信号,分别经过C\(_{24}\)、K1-1和C\(_{27}\)、K1-2从TA7668AP的⑦、⑩脚输入。因此时使用的是放音状态,所以前置放大器必须对低音进行补偿。图中通过K\(_{1}\)-6、K1-7在⑤、⑥脚之间及、脚之间均设置了一个低频提升网络(R\(_{16}\)串C22和R\(_{2}\)0串C28),由前置放大器放大后的信号从⑤、脚分别输出,此时由于K\(_{1}\)-8置于2的位置,TA7668AP静噪输入端脚不能通过R13接通高电平,因此静噪系统不工作。另一方面K\(_{1}\)-8切断了收音部分的电源,收音部分不工作,也就不可能通过R38、R\(_{39}\)向TA7240P提供检波或鉴频后的低频信号,于是TA7668AP的⑤、脚的输出信号就可以通过C11、R\(_{12}\)、R31和C\(_{16}\)、R14、R\(_{32}\)送至左右通道电位器W3、W\(_{4}\),再分别经过C39、C\(_{43}\)去推动TA7240P功放集成块完成放音功能。同时带盒2磁头CO3、CO\(_{4}\)通过K1-3、K\(_{1}\)-4及RC高频补偿网络(R2、C\(_{4}\)和R5、C\(_{7}\))从录音放大器输出端④、脚取得录音信号,使用时只要按下录音键使自动电平控制和偏磁振荡电路恢复工作,盒2即可转录盒1的磁带节目。
3.盒2放音:功能选择开关K\(_{1}\)-1~K1-8置3的位置,带盒2的磁头CO\(_{3}\)、CO4输出的信号经K\(_{1}\)-1、C24及K\(_{1}\)-2、C27分别送到TA7668AP的输入端⑦、⑩脚,因此时盒2处于放音状态,不需要对磁头馈入偏磁信号,所以由K\(_{1}\)-5将偏磁信号短路,使磁头CO3、CO\(_{4}\)的一端直接接地。其余与带盒1放音情况相似。磁头信号经TA7668AP放大后,从⑤、脚输出通过C11、R\(_{12}\)、R31及C\(_{16}\)、R14、R\(_{32}\)分别去推动TA7240P。只要按下带盒2的放音键,磁头及传动机构进入放音状态即可放音,此时磁头输出信号将通过放音电路使扬声器放音。带盒1不工作。
4.话筒录音:功能选择开关K\(_{1}\)-1~K1-8置4的位置。为了简化电路,本电路中只采用了一只机内话筒,话筒输出的信号经C\(_{1}\)、CK1、CK\(_{2}\)、开关K1-1、K\(_{1}\)-2从TA7668AP的⑦、⑩脚输入,此时⑤、⑥脚及、脚之间的反馈网络为纯电阻网络。为了阻止TA7668AP⑤、的输出信号进入TA7240P再由扬声器回输到话筒,产生正反馈引起的啸叫声,干扰话筒正常录音,此时TA7668AP的静噪输入端也应由R13、K\(_{1}\)-8提供高电平使静噪电路工作。此外,由于K1-8处于4的位置,接通了收音部分的电源,使收音部分处于工作状态,通过R\(_{38}\)、R39可以向左、右音量电位器W\(_{3}\)、W4传输信号,所以在进行话筒录音前,还必须将W\(_{3}\)、W4电位器关到最小。如果需要的话,W\(_{3}\)、W4可以不关到最小,而是适当调整它们的数值,使扬声器中传出一定的广播信号,则广播信号和讲话的信号会一起进入话筒,一起录制在磁带上,达到特定的效果。
如果需要用机外话筒或其它信号源进行录音,可用插头插入插座CK\(_{1}\)、CK2,插头插入后机内话筒自动断路。
元器件选用及制作经验
电路中的簧片开关K\(_{2}\)仅有两根引线,为了便于与录音键联动,可设法将K2开关安装在机芯上。该开关可用厚度为0.2mm的磷铜皮自制,具体尺寸可参照录音电机上的电源开关取定,我们采用的是无锡金星无线电元件厂生产的现成产品。从图4可以看出,K\(_{2}\)有三片簧片,其中有一片始终要接地,我们又知道,为了防止产生噪音,录音机芯本身应与地线相连,所以K2中的接地的一片簧片可以用机芯上拨动录放开关的铜拨片来代替,这一拨片几乎所有的机芯上都具备。在自制簧片开关时,只需制作剩下的两片就行了。开关安装的具体位置及是否要制作安装支架,则要根据不同录音机芯的具体情况来决定。图5是我们制作的安装支架,将簧片开关安装在TN—33机芯心上。

电路中使用的PL—27型振荡线圈,是淮安无线电元件厂的产品,振荡频率为65千赫。初级用QAφ0.1mm线绕258圈,在158圈处抽头,次级用SQAφ0.08mm线绕35圈,在31圈处抽头。初级电感为2mH,可调范围0.5mH,空载Q值大于40。通过调整可变电阻W\(_{1}\)的阻值,可改变偏磁振荡电压的大小。一般来说,加于录放磁头两端的偏磁电压在11V左右录音效果最好。本机的录放和抹音磁头是上海永建录音器材厂产品,型号分别为TC821DK2B和E2383。录放磁头的直流电阻为210Ω,交流阻抗460Ω;抹音磁头的直流电阻为5.5Ω,交流阻抗900Ω。
电源变压器铁心使用D42硅钢片,铁心截面积为19×24mm,初级用φ0.15mm高强度漆包线绕1900圈,次级用φ0.8mm高强度漆包线绕104圈。(周秉晞)