半导体硅恒流二极管,因其动态电阻大、结构简单、使用方便,深受使用者的欢迎。但从目前已商品化的恒流二极管来看,恒流电流比较小(一般来说,恒流范围为220μA~5mA),而且电流固定不可调,使用时必须经过挑选,这样就限制了应用范围。广大的工程技术人员及业余爱好者从使用的角度来看,希望厂家能提供电流更大的而且电流的大小可以调节的恒流电子器件。
我们塘栖晶体管厂根据温度补偿原理和电流扩展原理,在有关单位的指导协助下,经过两年多的努力研制出一种低温度系数的半导体可调恒流三极管,暂定型号为3DHO10~3DHO50。这是一种三端电子器件,能在相当宽的工作电压范围内稳定地提供5~500mA的电流,并能通过改变电阻的阻值精确调节恒流电流的大小。下面我们就介绍可调恒流管的特性曲线、参数及其应用。
典型的伏安特性曲线
可调恒流三极管的电路符号如图1所示。其中,A为阳极,C为阴极,G为控制极。可调恒流管的伏安特性曲线见图2。它可由JT-1型晶体管图示仪直接测得,也可由图3所示测量电路测量绘出。在测量电路中,V为电压表mA为毫安表,U\(_{i}\)为电源电压。当我们逐渐改变电源电压Ui时,电压表和毫安表上就会有一定的指示值并将它们记录下来,然后以电压为横座标,电流为纵座标逐点描绘,即可得到图2所示伏安特性曲线。



由图可见,当可调恒流管所加正电压由零缓慢增加到U\(_{s}\)时(通常为6~8伏左右),流过管子的电流由零增加到0.9IH,此后继续增加管子两端的电压,流过管子的电流将保持恒定值不随外加电压增加而变化,这正是我们所要求的恒流区,此时流过管子的电流I\(_{H}\)称为恒流电流。当管子两端电压继续增大达到某一值UB时,流过管子的电流将急剧增加,管子的功耗也急剧上升,很可能使管子损坏,故U\(_{B}\)称为峰值击穿电压。
当可调恒流管加有反向电压时,其反向特性曲线与一般稳压管的特性曲线类似,因通常不允许管子处于反向运用状态,故不作介绍。
由以上工作过程可知,正向伏安特性曲线可分为三个区域:OS为非饱和区,SB为恒流区,B点以上为击穿区。恒流区是管子的正常工作区,一般为6~8伏至50~80伏。
可调恒流管不仅具有相当宽的正常工作电压的恒流区,而且还可通过改变外接电阻的阻值调节恒流电流I\(_{H}\)的大小。由于我们所说的是恒流电流,可调恒流管必然是运用在恒流区的,即恒流管工作在US和U\(_{B}\)之间。如果按图4所示将3DH恒流管A、C、G三个极各串入一只毫安表,就可分别读出各极电流IA、I\(_{C}\)、IG,且I\(_{A}\)=IC+I\(_{G}\),而IA即为I\(_{H}\),所以IH=I\(_{A}\)=IC+I\(_{G}\)。由于恒流管结构的原因(实验也证明)通过阴极C的电流是很小的,故IA和I\(_{G}\)近似等于恒流电流IH。

在电源电压U\(_{i}\)不变(为某一固定值)及忽略1C的情况下,若R\(_{G}\)值减小,则IA(I\(_{H}\))、IG会有规律的增加。若R\(_{G}\)值增大,则IA、I\(_{G}\)会减小。通过改变RG的阻值,就可以改变恒流管的电流,这就是可调恒流管的最大特点。
由以上工作过程可知,一只性能良好的可调恒流管,应具备以下几点:(1)具有较低的起始电压U\(_{S}\),这意味着器件可以尽早地进入饱和恒流区。(2)当RG为某一定值时,要求恒流区的恒流电流I\(_{H}\)恒定不变。(3)击穿电压UB尽量大一些为好,可使恒流区尽可能的大。(4)要求恒流管的这些特性受温度影响越小越好,从而可保证管子有高的稳定性。
根据3DH系列可调恒流管的特点,可将它用于限流保护和恒流标准电源,也可在直流稳压源、波形发生电路作恒流器件。为便于大家了解,下面举一些实际应用的例子,以供大家参考。
可调恒流管的应用
(1)可调恒流管与其他电子器件组成大电流恒流源:大电流恒流源的电路如图5所示。由图可见,可调恒流管3DH是作为上偏置的,且恒流可调,而稳压管2DW7C则作为下偏置。由于2DW7C是硅平面型温度补偿稳压二极管,其电压温度系数C\(_{TV}\)=151×10\(^{-}\)6/°C,最大工作电流Im=30mA,而可调恒流管经过挑选,电流温度系数可为C\(_{TV}\)=151×10-6/°C。上述的温度系数是绝对值,有正负之分,当一个取正温度系数,一个取负温度系数时经二者相互补偿作用,理想状态可获得零温度系数,这时A点电压将不随温度变化而变化。通过调节3DH的恒流电流完全可以满足稳压管最佳工作电流的需要。

只要A点的电压稳定可靠,经电位器W\(_{2}\)和电阻R1分压可使加到BG\(_{1}\)的基极电压稳定,也就是说可使Ibl恒定不变,进而使集电极电流I\(_{cl}\)、Ic2恒定不变,从而起到了恒流源的作用。
(2)可调恒流管可作为限流保护电路:图(6)所示电路是可调恒流管作为可控硅的保护电路。由于可调恒流管接在可控硅的控制极上,故调节W的大小,即可得到一个恒定的能满足可控硅触发要求的电流,从而限制了因可控硅控制极电流过大而烧毁可控硅元件,起到了很好的保护作用。

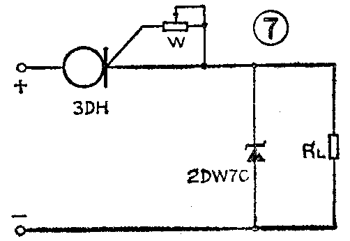
(3)可调恒流管在基准电压源中的应用:3DH可调恒流管为一种高动态电阻器件,它与低动态电阻标准稳压管串联可获得稳定性相当高的基准电压,见图7。可谓恒流管和标准稳压管串联使用时,其优点是二者的温度系数可以互相补偿,通过精确调节可调恒流管,可使二者的工作电流互相匹配。

(4)用于恒流供电也获得满意的效果:由于3DH可调恒流管可视为理想的恒流源,故对于500mA以下的恒流源,可用3DH恒流管代替串联型稳流电路。如用于发光管的恒流供电,可将电流很方便地调节到发光效率最佳的数值上。并使得发光十分稳定。用于小功率发射管灯丝的恒流供电,能有效地抑制开机瞬间的浪涌电流,延长管子的使用寿命。
以上所述只是几个应用简例,实际上用途相当广泛。从以上几例已可看出,采用可调恒流管,不仅提高了电路的性能,简化了电路的结构,而且随着可调恒流管的不断发展,推广应用,在四化建设中将发挥越来越大的作用。(许阿土)