图8为键盘及功能控制开关电路图。触点可以利用很简单的单触点开关(金属簧片或导电橡胶都可以)。参照表1,C\(_{1}\)到C6对应的开关触点,设计在键盘对应的键子下部。其余各功能控制开关F-\(_{2}\)~F-7,按整机设计情况,布置在控制面板上。

4.贝司自动分解和弦伴奏控制电路贝司音受外界存储器控制,贝司音音高和控制数据输入端A、B、C三管腿的逻辑关系真值表见表2。需要的伴奏花样可按表2要求存于花样存储器中。花样存储器的设计可以有多种方式。简易应用情况下可用小规模集成电路和二极管矩阵编排而成;较完善的产品有半导体工厂制作的ROM;也可以利用可擦去重写的只读存储器EPROM。

图9是利用小规模集成电路和二极管矩阵组成的贝司自动分解和弦伴奏控制电路。IC\(_{1}\)和IC2为双D触发器C043;IC\(_{3}\)和IC5为三输入端三与非门C035;IC\(_{4}\)为二输入端四与非门C036。

IC\(_{4}\)的C4门和D\(_{4}\)门组成振荡器,它产生的脉冲经BG1组成的射极跟随器输出,作为移位寄存器的时钟脉冲。调整W\(_{2}\)可以改变时钟的频率,从而改变分解和弦进行的速度。IC1与IC\(_{2}\)组成移位寄存器,通过K3可以把循环长度变成3拍或4拍。当K\(_{3}\)处于A1\(_{2}\)接通的位置时,第3位触发器Q3的输出可送至第4位触发器的D\(_{4}\)端,这样移位寄存器最末位Q4的“1”状态通过二极管D\(_{1}\)可到达第1位触发器的输入端D1,移位循环周期为4拍,用于控制七和弦的分解音选通。当K\(_{3}\)处于A2\(_{3}\)接通的位置时,Q3的输出不能到达D\(_{4}\)端,而通过二极管D2到达第1位触发器的D\(_{1}\)端,这样移位寄存器以第3位触发器为末位,移位循环周期为3拍,用于控制三和弦的分解音选通。这时第4位触发器D4端为零,因而Q\(_{4}\)一直保持在零状态,二极管D1处于截止。
当K\(_{3}\)处于A1\(_{2}\)接通的位置时,B1\(_{2}\)也接通,则VDD的高电平到达IC\(_{3}\)3\(_{3}\)门和IC5\(_{5}\)、C5门,也就是说,这四个门处于准备状态。这时从Q\(_{1}\)至Q4的选通信号就可以分别送至上述四门的一个输入端。从BG\(_{1}\)发射极来的时钟脉冲同时加于IC3\(_{3}\)3门和IC\(_{5}\)5\(_{5}\)、C5门,其作用是使上述各门只能在时钟脉冲高电平的半周内送出控制信号。
同样,当K\(_{3}\)处于A2\(_{3}\)接通的位置时,B2\(_{3}\)也接通。VDD的高电平到达IC\(_{5}\)5\(_{5}\)、C5门,使这三门处于准备状态,这时从Q\(_{1}\)至Q3的选通信号可以对IC\(_{5}\)5\(_{5}\)、C5三门起作用。二极管D\(_{3}\)、D4、D\(_{5}\)、D6起隔离作用。
从IC\(_{3}\)3\(_{3}\)门和IC5\(_{5}\)5、C\(_{5}\)门输出的信号,经IC3的C\(_{3}\)门和IC4\(_{4}\)4门反向后送出。我们仅以IC\(_{4}\)4门和IC\(_{5}\)的C5门送出“A”数据的过程说明其原理,其余以此类推。当Q\(_{1}\)输出“1”时,不论K3在何位置,D\(_{5}\)或D6必有一个导通,在时钟脉冲高电平持续期间,IC\(_{5}\)的C5门输出“0”,IC\(_{4}\)4门送出数据“1”。表3给出三和弦控制时的真值表和输出的贝司音;表4给出七和弦控制时的真值表和输出的贝司音。


K\(_{4}\)的作用兼有移位寄存器复位和分解音开停控制两个功能。当K4接通时,正电源加于第1位触发器的S\(_{1}\)端,强迫Q1置“1”,而其余各位触发器正电源加于“R”端,所以Q\(_{2}\)、Q3、Q\(_{4}\)保持为“0”。此时虽然时钟脉冲加到了各触发器的CP端,但不会移位,A、B、C三端输出为“000’。当K4断开时,移位寄存器启动,A、B、C三端接拍节送出花样控制数据。
IC\(_{3}\)的C3门、IC\(_{4}\)4门和B\(_{4}\)门按负逻辑或门方式工作。无论是三和弦的3拍循环还是七和弦的4拍循环,所需的A、B、C信号由此送至M208的第8~10脚。
应用时按照乐曲进行的速度调整W\(_{2}\)。当三和弦应用时,左手按下低音部某一键子,于是以这一键的音为根音在第1拍发出,第2拍发三音,第3拍发五音。当七和弦应用时,左手按下低音部某一键子,于是以这一键的音为根音在第1拍发出,第2拍发三音,第3拍发五音。第4拍发七音。
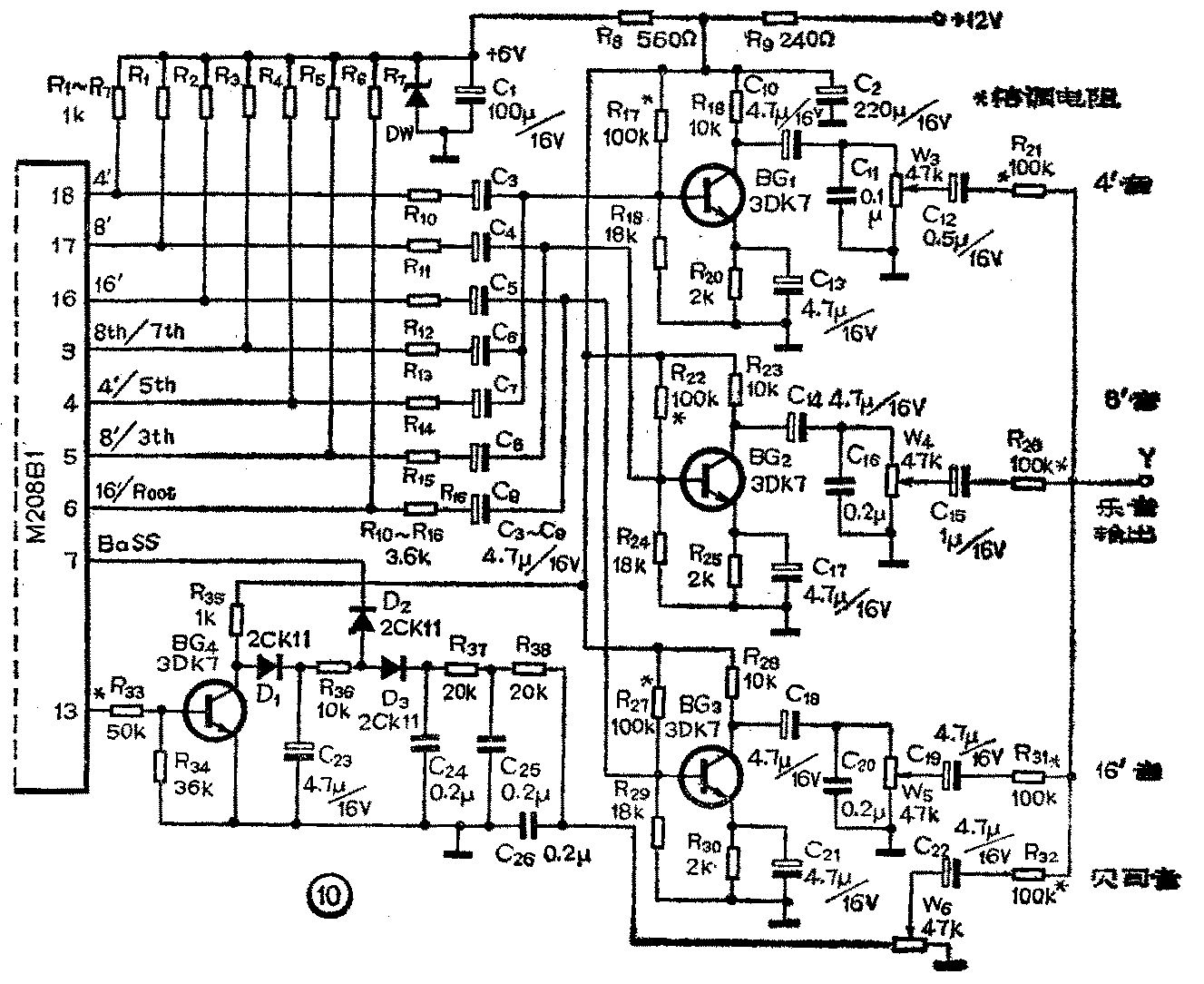
5.乐音形成电路 图10中R\(_{1}\)~R3用于输出高音区44个键的4′、8′和16′三个谐音分量;而R\(_{4}\)~R7用于低音区各和弦音或谐音的输出,有自动或手动两种情况可供选择。由BG\(_{1}\)到BG3组成的放大器,把M208B1输出的信号进行适量的放大,从而使滤波器的输入信号有足够的幅度。BG\(_{1}\)~BG3各放大器输入端按谐音频率高低进行分组。

图10音色形成电路采用了类似古典式管风琴的音栓控制方式。三个的信号平滑滤波之后,用3个直线电位器W\(_{3}\)~W5进行频谱合成。每个电位器可单独控制并连续给定一个的输出。由于三个信号的幅值可以连续调整并任意组合,因而可以按乐曲的要求来调配。
分解和弦的贝司音输出,要求在M208的第13脚的作用下,在BG\(_{4}\)的集电极形成弹拨冲击的包络。在图10中,平常情况下BG4处于饱和状态,其集电极电压接近0伏。当从M208的13脚输出贝司触发信号的BG\(_{4}\)截止,正电源通过R35和D\(_{1}\)快速给C23充电。触发脉冲过后,电容器C\(_{23}\)通过R36等较慢速放电,形成弹拨触发并有延音效果的包络。从M208B1的7脚输出的方波贝司信号,在包络电压调制下,从D\(_{3}\)送出时幅度渐衰。因为贝司音方波的频率很低,还要经过图10中的C24\(_{37}\)、C25和R\(_{38}\)、C26等的多次平滑滤波,这样才不会有“糠空”音感。平滑滤波后的贝司信号经W\(_{6}\)调整后一起由Y端输出。
6感情控制电路 所谓感情控制,就是随乐曲同时进行的强弱控制,通常可行的方法是用脚踏板控制,同时两手弹键演奏。电位器式踏板感情控制方式虽然简单,但会产生噪声,而且易于磨损。比较理想的方式是采用光电原理组成如图11所示的无触点感情控制器。当光源被挡光板完全遮盖时;光敏电阻阻值最大,此时输入的信号被大大衰减,音量可以压低到很小;当脚踏挡光板使光孔处于光源和光敏电阻之间,则投射到光敏电阻的光通量增大,光敏电阻值变小,这样输入的音频信号几乎全部到达功率放大器,从而得到“强奏”的最大音量。脚踏板盒见图12,应使用密闭不透光的金属盒。挡光板与踏板联动,光源用一般指示灯,光敏电阻的型号为MG45—32。


用M208B1组成的电子琴电路原理框图
图13是用M208B1组成的电子琴电路原理框图。当K\(_{2}\)闭合时,+12V电源加于M208B1的19与20脚,同时自复位电路把整个M208B1内部电路复位。

用ACC开关选择工作模式,确定61键还是(17+44)键应用。音色的调配用W\(_{3}\)、W4、W\(_{5}\)进行组合。
贝司自动分解和弦的调整方法是,在K\(_{4}\)断开的情况下,按和弦种类给定K3的位置。调整W\(_{2}\)使速度适中,调整W6使贝司音量适中。
颤音和标准音由K\(_{1}\)选择,当K1合向“1”,则产生颤音效果;当K\(_{1}\)合向“2”,则整个键盘送出标准音。
W\(_{7}\)为总音量电位器,演奏前整定好,演奏中一般不再调整。
演奏中,用感情控制器的脚踏板改变音量。从总音量电位器W\(_{7}\)给出的音频输出信号,从YS点送到功率放大器。为了使演奏中不出现失真,功率放大器的额定功率大约为10W到20W (续完)(刘彦茂)