编者按:本刊自1985年第9期介绍了“单片A/D在小型数字仪表中的应用”以后,收到了很多读者来信,要求了解CMOS312A/D系列。本文主要介绍该A/D系列及其应用。
1.系列的品种与引线排列
7106型3\(\frac{1}{2}\)位A/D系列有7106、7107、7116、7117、7126、7136六个品种。它们的引线排列如图1所示。aU~gU、aT~gT、aH~gH、abK分别为个、十、百、千位的笔划信号。OSC\(_{1}\)~OSC2为时钟振荡器端子。REF+、REF-为基准电压输入端。CREF为基准电容端。IN\(_{+}\)、IN-为模拟信号差分输入端。COM为模拟公共端,或叫模拟地。V\(_{+}\)与COM之间的电位差为2.8伏,是良好的V+与COM之间的电位差为2.8伏,是良好的基准电压源,通过分压电阻可以获得所需的基准电压。AZ为自零电容端,接自零电容。BUF为输入缓冲器输出端,接积分电阻。INT为积分器输出端,接积分电容。HLDR为显示保持端,当接V\(_{+}\)电平时,显示保持;当接DG、TEST或悬空时,每完成一次A/D转换后显示的读数更新一次。TEST为灯光测试端,当接V+时,显示器所有笔划全点亮。对直接驱动液晶的A/D,TEST作为数字地线。V\(_{+}\)、V-为电源的正、负端。DG为数字地,也就是正、负电源的地。

2.元件的选择
由于A/D转换器有很高的精度和很小的非线性失真,同时还具有阻抗高,功耗低,性能稳定可靠等特点,所以对所用的元器件也有一定的要求。
积分电阻:由于输出极驱动电流较小,积分电阻应取得足够地大,使整个区域的输入电压纳入放大器的线性区。但是,考虑到印刷板的漏电流对放大器的影响,积分电阻不宜取得过大。
积分电容:积分电容的大小与满标度输入电压的大小及转换速度有关。对积分电容来说还应具有较低的介电吸收性能。
自零电容:主要根据系统的抗噪声能力来选择。对200毫伏满标电压来说,噪声的影响较重要,自零电容直取得大一些。当2伏为满标电压时,宜取得小些。
基准电容:在大多数的应用中,采用0.1微法的基准电容就可以取得良好的结果。但在出现一个共模电压和使用200毫伏的满标电压时,通常使用1微法的基准电容可防止产生翻转误差。
振荡元件:当采用RC振荡产生时钟脉冲时,钟颇为f≈0.45/R·C。16000个时钟完成一个A/D转换周期。时钟4分频后作为计数脉冲。自零操作时间1000个计数,信号积分1000个计数,基准积分时间最长为2000个计数。
基准电压:通过分压电阻,从基准源中取得所需的值。基准电压V\(_{REF}\)与满标读数(2000个计数)电压VFS的关系为:V\(_{REF}\)=\(\frac{1}{2}\)VFS
3.应用
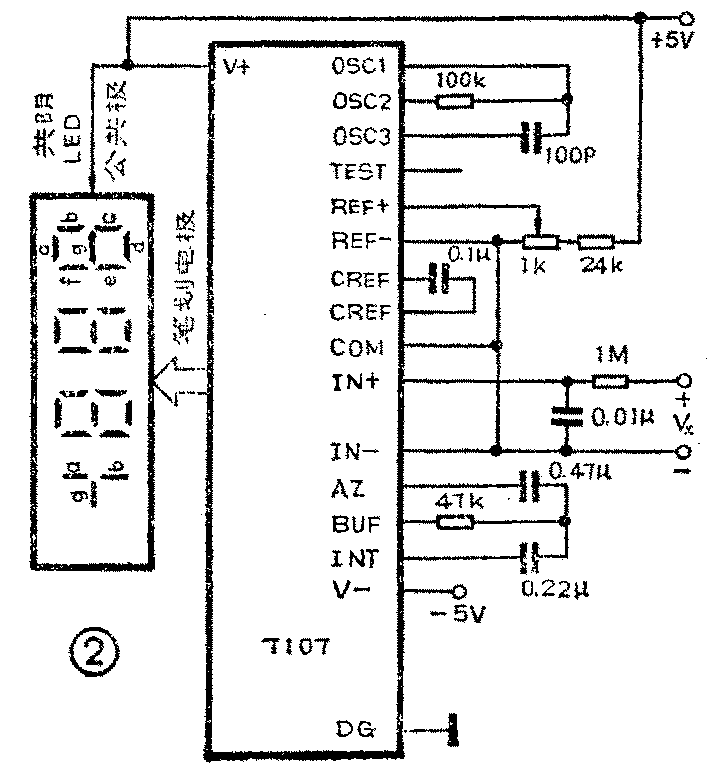
CH7107是直接驱动共阳极LED显示器的单片CMOS 3\(\frac{1}{2}\)位A/D。它设计成±5伏双电源工作。其外引线排列是:第1引线为V\(_{+}\),第21引线为DG第35引线为REF-,余者为系列公共引线。
采用LED显示,亮度大、读数清楚。但是LED功耗较大,每笔需要5毫安左右的驱动电流,若3\(\frac{1}{2}\)位全部笔划都点亮则需100毫安以上的电流。所以,7107适合于组装成用市电供电的、要求读数亮度大的仪器仪表。由CH7107组成的200毫伏满标量程、每秒3次读数的基本DVM如图2所示。输入低端IN\(_{-}\)可以与COM短接浮地工作,也可与DG短接共地工作。

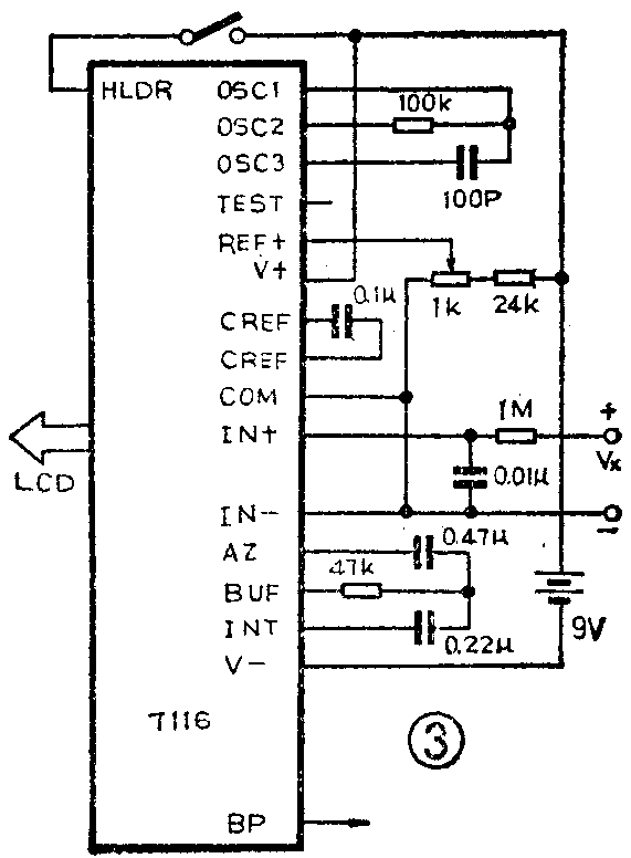
CH7116具有读数保持功能。它用低频方波直接驱动LCD显示器,用9伏干电池单电源工作,功耗约10毫瓦。它的第一引线为HLDR读数保持控制端。当HLDR接V\(_{+}\)电平时,读数保持不变,直到HLDR恢复到数字地电平为止。HLDR悬空或接数字地电平时,每一个转换周期结束后读数更新一次。第21引线为BP。第35引线为V+。7116的REF\(_{-}\)端在芯片内部固定地与COM短接。所以,COM即基准电压的低电位端。
7116适合于组装具有读数保持功能的袖珍式仪表,如袖珍峰值电压表,袖珍温度计。HLDR可作为计算机或其它系统对7116进行取样的同步信号。图3是200毫伏量程、每秒3次读数的DVM。

CH7117具有读数保持功能。它直接驱动LED显示器。通常,用±5伏双电源工作。它的第1引线为V\(^{+}\),第21引线为DG,第35引线为v\(_{+}\)。7117适于组装成用市电工作、要求显示亮度大、对读数希望具有保持功能的仪表。HLDR可作为微机或数控系统对A/D取样的同步信号。
CH7126是微功耗的3\(\frac{1}{2}\)位A/D,它直接驱动LCD,用9伏干电池工作,功耗约1毫瓦。7126通过缩小模拟线路的元件尺寸,即降低运放恒流源电流的大小来实现降低功耗。7126的驱动电流相应设计得较小。7126的功耗较7106的小,但它的驱动能力也较小,速度也较慢。7126的引线排列与7106的完全相同。由于驱动能力较小,因此,不能简单地在现成的仪表上与7106互换。
CH7136是微功耗的3\(\frac{1}{2}\)位A/D,直接驱动LCD,用9伏干电池工作,功耗约1毫瓦。实际上,它是7126的改进型产品。7136可以用于各种场合,可以代替7106。7136是通过缩小模拟线路的元件尺寸的办法来降低功耗。(潘思省)