罗马尼亚244型电视机经常出现无光栅、无图象、无伴音的“三无”故障,在修理这种故障时,本人采用了一种快速检修法,现介绍如下:
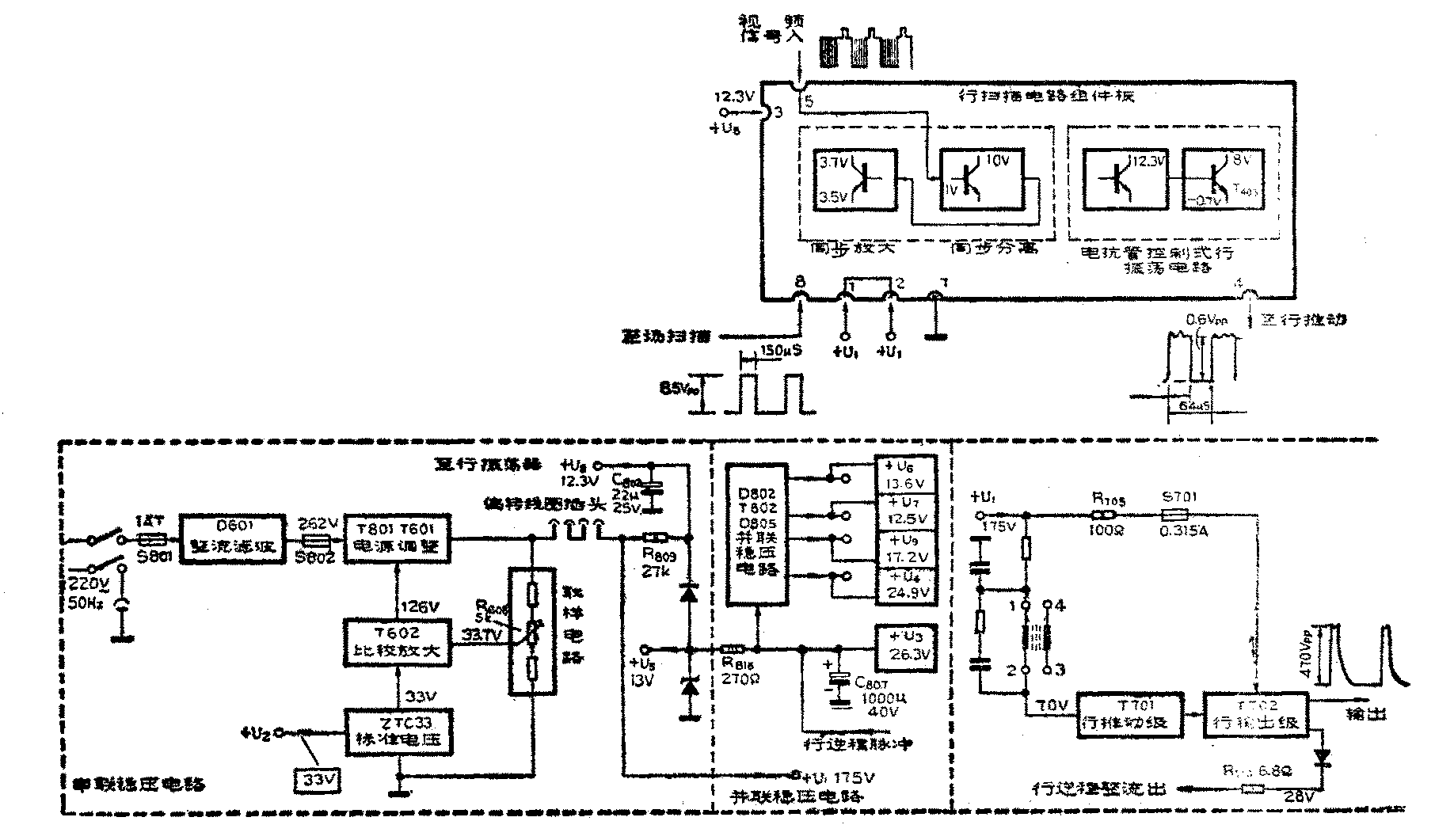
首先检查串联型稳压电路:为了便于分析,用框图来表示有关电路,见附图。先检查保险丝S\(_{8}\)01、S802是否烧断,如果保险丝烧断了,先接通保险丝,在不接通电源的情况下,用万用表R×1K档测量U\(_{1}\)对地的电阻。正常时,阻值应为5~6KΩ, 然后拔下偏转线圈插头再继续测该点阻值,正常时应为30KΩ。如果没拔偏转线圈前测量的结果小于正常值,而拔下后,测量值为30KΩ,则说明U1供电回路有异常,可检查行扫描电路、亮度调整电路和视频放大级有无短路故障。如果两次测量结果都小于正常值,则说明串联稳压源本身有故障。如果保险丝没断,应测量U\(_{1}\)电压和U8电压,正常时U\(_{1}\)电压为175伏,U8电压为12.3伏,如果U\(_{1}\)电压为300伏,U8电压为20伏,为了快速判别故障是在行扫描电路还是在稳压源电路,可以采用接假负载的办法,先把偏转线圈插头拔掉,即把U\(_{1}\)与行扫描电路断开,拿一只50W630Ω的线绕电阻做假负载,接在电源输出端U1端,此时调整取样电路的可调电阻R\(_{6}\)08,如果U1电压在172~178伏之间变化,即可说明稳压电源工作正常无故障。

其次检查行振荡电路:先检查一下行振荡电路是否起振,因为当行振荡器停振时,行推动级及行输出级必然无脉冲电压输入,而行输出级不工作,使稳压源空载,造成U\(_{1}\)电压上升。行振荡级工作正常时,振荡管T405的U\(_{c}\)电压为8伏,Ub电压为-0.7伏。
最后检查行输出级:由于该机的通道及场扫描电路的供电电压均由行扫描输出逆程脉冲整流获得的,因此,行输出级不工作,即可造成该机的“三无”故障。检查行输出级,重点检查行输出管是否损坏,行输出级保险丝S\(_{7}\)01是否烧断。
以上三点经验是几年来本人对该机的电路特点、结构进行分析,多次实践后,认为是比较简易可行的方法,供广大读者参考。(连万友)