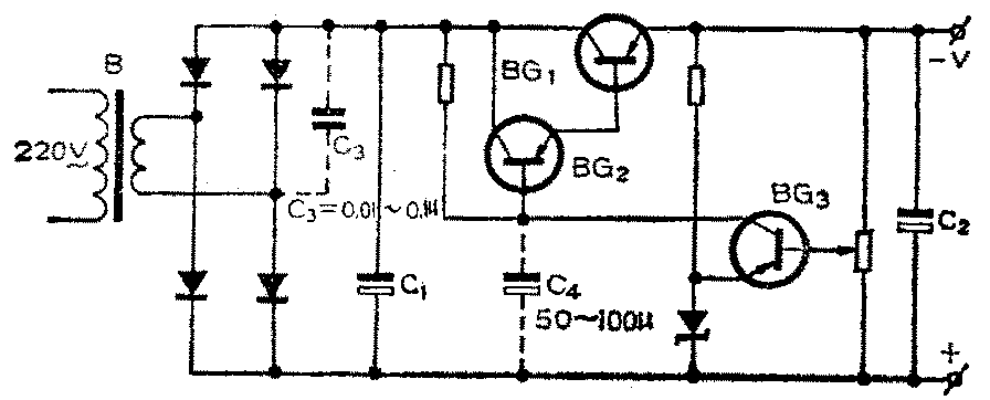
附图为一种市售简易半导体收音机用稳压电源的电路图。不少用户在使用中发现,当半导体收音机采用这种电源时,交流声比较大。有人试着加大滤波电容C\(_{1}\)的容量,以期减小交流声,但效果并不明显。我针对该原理图,采用了如下几个措施,较有效地抑制了交流声。

1.从电路图上可以看出,电源变压器中没有设屏蔽层,这是产生上述交流声的原因之一。解决办法最好是改绕变压器,增加屏蔽层。如嫌上述方法麻烦,可在电路中增加一个C\(_{3}\),即在桥式整流后的直流输出端与变压器次级的一个抽头之间加一只0.01~0.1μF的电容,这样就可以使整流后残存的交流分量通过新加接的电容C3返回变压器,就可减小交流声了。
2.从电路上看,BG\(_{1}\)、BG2复合管的基极回路没有采取滤波措施,因此加于BG\(_{2}\)基极的纹波电压也会被放大,使交流声增大。为了减弱这种交流声,可在电路中新增加一只电容C4,容量为50~100μF,耐压6V。这也就相当于在调整管的发射极接一只容量(β\(_{1}\)+β2+1)·C\(_{4}\)的大容量,改善滤波效果,交流声也就大大减小了。(朱笛)