霍尔开关电路的应用
1.基本应用:霍尔效应集成电路最基本的应用是用它做成一种新型接近开关,以代替各种电子式接近开关,以便在各种特殊条件和恶劣环境下使用。如机械运动限位器、无触点开关、霍尔电路压力开关、霍尔电路温度开关、霍尔电路转速表、远传压力表、霍尔电路智能电机、霍尔电路键盘……等等。
霍尔电路转速表:具有非接触式和可远传两大优点。由于霍尔效应集成电路有很宽的工作频带,不论在零转速或每分钟5万转情况下,霍尔电路输出前后沿陡直、幅值不变,因而深受使用者欢迎。
霍尔电路汽车点火器:这种新型点火器以其耗油少、事故率低、产出功率大等优点吸引着汽车生产厂家和用户。其工作原理见图6。当汽车气缸中的活塞运行到达上死点时,分电器中有一磁场作用于霍尔电路,输出低电平。这时,原来流经电阻R\(_{1}\)、R2的电流改变方向,流入霍尔电路H,故晶体管T\(_{1}\)、T2截止。储存于L中的磁能就在L、C\(_{2}\)槽路中振荡起来,形成200伏以上的交变电压。此电压经点火线圈升压后,产生15kV的高压,点燃气缸中的燃油。随着发动机旋转,上述过程周而复始。

无触点交流开关:图7是无触点交流开关的电原理图。当磁铁靠近霍尔电路时,双向可控硅截止;磁铁离开后,双向可控硅导通。

阀位传感器:它是安装在各种电动或气动阀门上的传感器,用来测报各种阀门的开关状态,是目前一些大、中型化工企业急需的电子产品。随着电子计算机和化工生产自动化的发展,阀位传感器更是电子计算机指挥生产不可缺少的重要环节。电子计算机将根据各阀位传感器发来的信号,按设计好的动作程序,有秩序地指挥各种设备运行,进行优化和高效生产。
河堤塌方报警器:这是一种可在防汛、防洪中作监测塌方的无线电报警器,见图8所示。当未发生塌方时,磁铁紧靠霍尔电路,该电路导通,晶体管无电流注入,则晶体管停振。河堤塌方时,磁铁离开霍尔电路,该电路截止。电源经R\(_{2}\)注入晶体管基极,振荡电路起振,由天线向观察站发出报警讯号。由于磁铁和霍尔电路都不怕雨淋、水泡,所以可在比较恶劣的条件下应用。

2.三个传感器:利用CS型霍尔开关集成电路可以做成全固体化、非接触式、高可靠、抗干扰力强的三只机械运动时空参数传感器。
位置传感器是由一块CS型霍尔电路做成的。应用时,它被固定在所要监测的位置。当带有磁铁的物体运动到这个位置时,传感器输出“0”电平;远离这个位置时,传感器输出“1”。用于监测物体运动是否到达监测位置。
图9是一种最基本的机械运动方向传感器。它由二块CS电路、二块D触发器和三个与非门组成。二块CS电路检测物体运动方向,与非门YF\(_{1}\)、YF2用来输出信号。物体向左运动时,YF\(_{1}\)、YF2输出〔10〕;反之输出〔01〕。平时YF\(_{1}\)、YF2输出〔11〕。物体运动过去后,YF\(_{1}\)、YF2又回复到〔11〕状态。

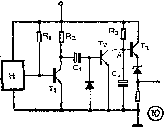
图10所示是机械运动时间传感器。它是慢动传感器。图中R\(_{3}\)和C2组成一积分电路,只要C\(_{2}\)上电压高出T3管发射极电位0.8V,T\(_{3}\)管就导通,A点电位升高,输出“1”电平。当物体M旋转(往返)足够快时,电容C2上电荷不易积累,电压升不上,T\(_{3}\)截止,则A点输出“0”。一旦物体M运动减慢,A点就会输出“1”,从而实现慢转报警。同理,还可做成快动传感器。

3.新型机器人:根据霍尔效应集成电路可实现机械运动时空信息电量化的特点,可以做成一种新型机器人。它由两部分组成,一部分是用几块霍尔电路作触角,另一部分是用几块普通集成电路固化成一条程序或一种逻辑功能。这种机器人只能担负和完成各种检查和监督工作。其触角被放置在生产设备的关键部位上,用来采集信息,经转换后由逻辑电路来判断。被监测的机械动作出现差错,判断电路就会发出信号报警或停止生产。目前,我国纺织系统研制的霍尔电路电子护经机就是这种机器人的雏型。其电路原理如图11所示。

线性霍尔电路的应用
CS835、CS6835、CS131是南京半导体器件总厂生产的三种线性霍尔效应集成电路。其磁电转换灵敏度在10mV/GS左右。输出电压动态范围在0.5V-3.2V之间。磁场工作范围在±350GS内。电路CS835是二端共轭输出式,而CS6835和CS131则是单端输出。CS131电路具有输出电压电位调节功能。CS835电路输出线性度较好,可广泛用于位置传感、非接触式测距、无刷马达、功率电位器、互感器、高斯计等方面。CS835的基本应用线路如图12所示。接通电源后,输出端2、3间各有一相应电压值,一高一低。如将一适当磁场接近电路。二输出端电压将缓缓地变化,高者降低,低者升高。并可随之向反方向变化,出现高者变低和低者变成高的另一种新状态。在这变化过程中必有一平衡状态。这时二输出端输出电压值一样,二端电位差为零。利用CS835的这一种性能,可做成各种电子秤、精密天平;也可用来测量物体在平衡点附近的微小位移;及用在自动化仪表、地震监测中。

线性霍尔集成电路CS131虽然只有一个输出端。但其功能齐全,使用方便。见图13。电位器R是作零磁场下输出电位调节用的,可以利用R将零磁场时输出电压定在 0.5~3.0V间的任一点上。利用CS131可作出各种位移测量,还可以利用电路的这一性能做成一种无触点的功率电位器,实现无触点调光和电机调速。

注意问题
1.加在霍尔电路本身的电压,以5~6V为宜。过高的电源电压会引起电路因温升而不稳。
2.使用霍尔效应集成电路应加负载电阻,否则输出电压的变化甚小。
3.电路工作一般是由磁铁周围的磁场来触发的,所以用户在使用霍尔电路时,往往感到灵敏度不高,磁铁和电路的作用距离偏小。为此,尽可能增大所用磁铁的面积,以弥补磁场在周围空间的衰变;还可采用聚束空间磁场或尽量减少磁路磁阻的方法增加作用距离。(续完)(顾文照 朱云)