TA7641BP是日本东芝公司生产的单片调幅收音机集成电路,采用16脚双列直插式塑料封装结构。该集成电路由调幅混频、本振、中放、检波及功放等几部分电路组成,特别适宜用在低电压、耗电省的袖珍式单波段收音机中。其特点是耗电省(静态电流极小,仅为分立元件收音机的1/10),从而大大延长了电池的使用寿命,提高了效率;集成度高,外围元件很少(仅需17个,而分立元件的收音机则需40个),大大提高了整机的可靠性;当电源电压在2~5V之间时,都能获得稳定的接收效果。使用上需注意的是,由于各级电流都很小,输入出阻抗增高,因此在回路的设计上与分立元件的将有所不同;此外,为免受来自集成电路的干扰,磁性天线宜离开集成电路50mm以上。

μPC1350C是日本NEC公司生产的盒式录音机单片集成电路,采用14脚双列直插式塑料封装结构。其内部由高增益低噪声前置放大器、自动电平控制电路、低失真功放电路及滤波电路等组成,并能向录放头和抹音头提供直流偏磁和直流抹音偏压,因此,外部只要接少量元件即可构成一部完整的盒式磁带录音机。该集成电路具有噪声低(特别是脉冲噪声低)和自动电平控制范围宽等特点,当电源电压为5.6伏时,静态耗电约20mA,功放输出可达450mW;当输出功率小于或等于300mW时,失真小于2%。

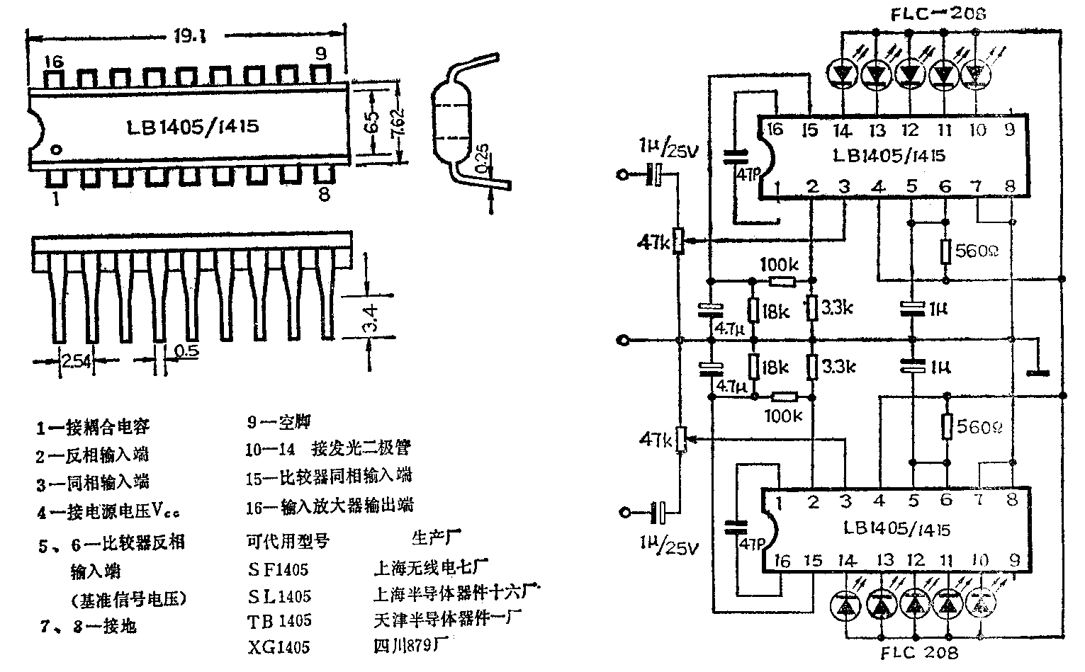
LB1405/1415是日本三洋公司生产的五位发光二极管电平指示驱动电路,采用16脚双列直插式塑料封装结构。其内部由输入放大器、五个电压比较器和稳压电路等组成,既可以驱动交流电平表,作五段对数式电平指示(如音量单位表—VU表,或音量电平指示表),也可以驱动直流电平(如配合附加电路作调谐指示表),还可以用来作电源电压的检测,因此,近来广泛地用于收音机、收录机和音响设备中。该电路的特点是内部具有稳压电路,电源电压的适应范围宽(4.4~12V),对发光二极管又采用恒流激励,故可避免电源电压的变化对发光二极管电流的影响,此外,通过改变外接电阻的阻值,可改变比较电平的数值及发光二极管点亮和熄灭的响应时间。两块集成电路的区别是其内部的电压比较器略有不同,因此0dB指示的定义也有所不同,前者是指②脚电压为2.37V时的电平,后者则为1.50V。使用时需注意输入信号电压的幅度不得大于VCC+0.3V,否则会损坏集成电路。

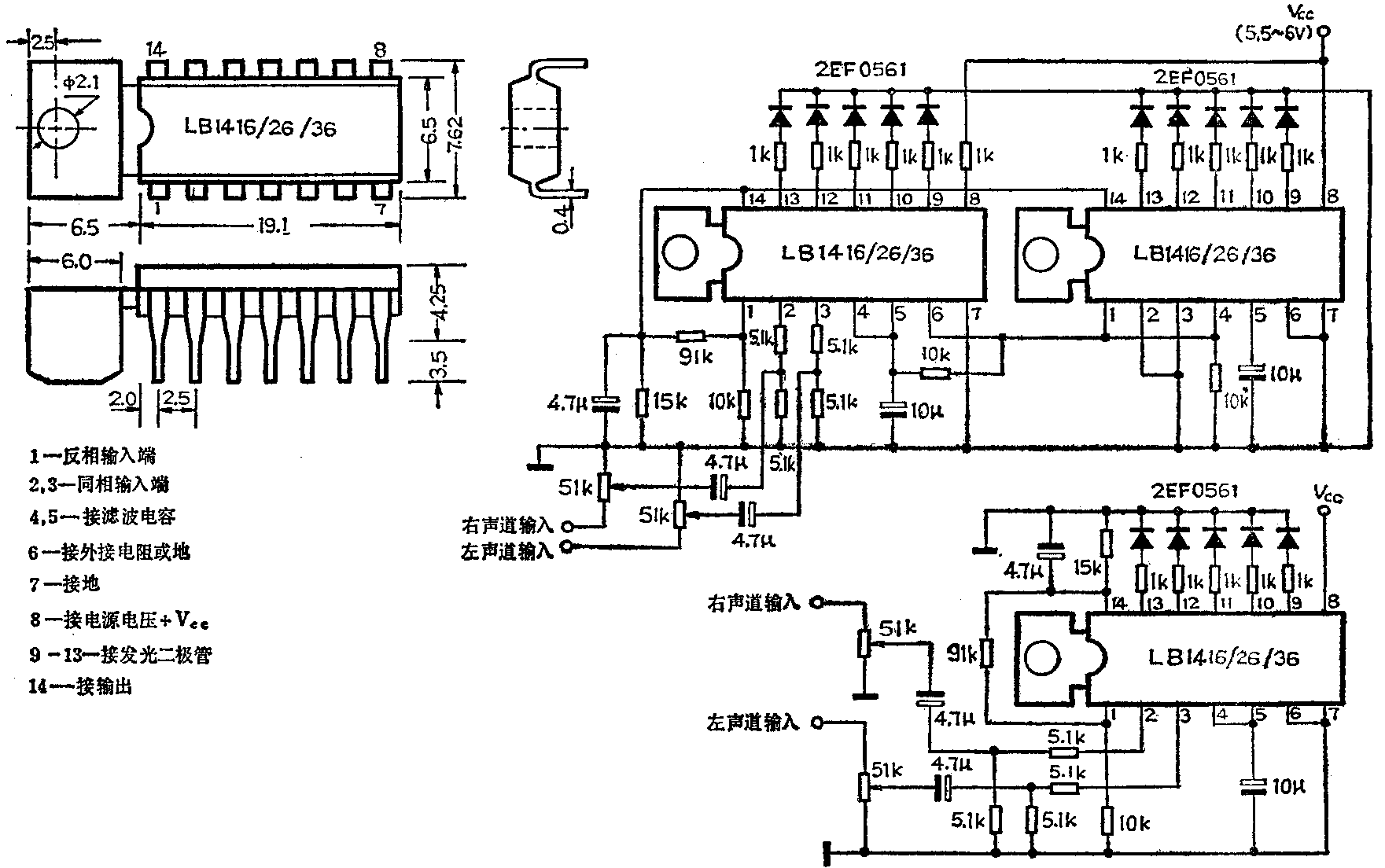
LB1416/1426/1436五位发光二极管(LED)电平表驱动集成电路是由日本三洋公司生产的,采用带散热片的14脚双列直插式塑料封装结构。其内部由两个输入放大器和五个电压比较器组成,既可以驱动交流电平表(如音量表),也可以驱动直流电平表(如信号电平等),因此很适合于各种收音机和收录机作LED显示驱动电路;由于该电路具有两个同相输入端,因此特别适合于立体声收录机使用。该电路的特点是电源电压范围特宽(5.5~16V),输入放大器内部设有两个半波整流器,能给LED提供恒定的激励电流,通过外部电阻可控制其电流的大小(即LED的亮度)。其比较电平可分为几种,见下页表格。



TA7666P/TA7667P是日本东芝公司生产的双路五位发光二极管电平表驱动集成电路。其内部由两路倒相输入放大器(负输入)、五对电压比较器及稳压电路等组成。其特点是一块集成电路内部包含有左、右两路完全相同的显示驱动电路,每路又可接五只发光二极管,因此特别适于在立体声收音机、收录机中作线路输出或扬声器输出电平指示用。此外,该电路电源电压范围宽(6~12V),耗电省(V\(_{CC}\)=9V时耗电仅4mA),通过改变外接电阻可改变放大器之增益,即改变发光二极管的启动电平;该电路还可串接成单路十只LED电平指示电路,若采用两块集成电路便可组成双路十只发光二极管电平显示器。两块集成电路的区别是发光二极管的导通电平间隔略有不同:
TA7666P的导通电平间隔为5dB、5dB、3dB、3dB;
TA7667P的导通电平间隔为2dB、2dB、2dB、2dB。(续完)(伟明)