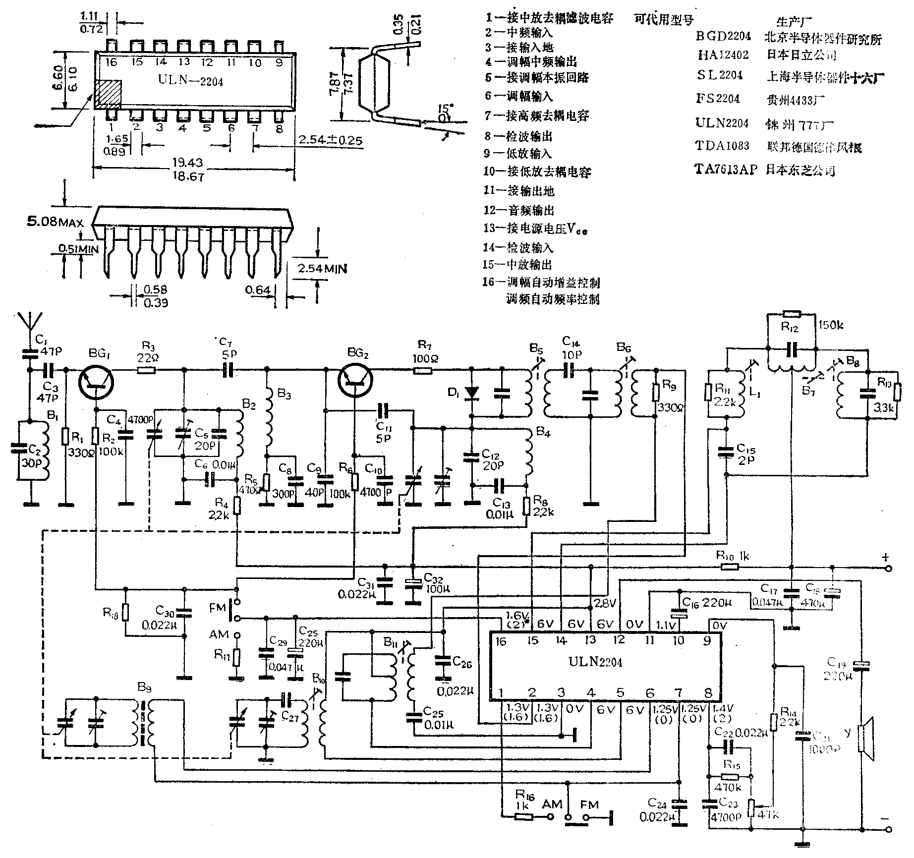
ULN—2204是美国史普拉格公司生产的单片调频—调幅收音机集成电路,采用16脚双列直插式塑料封装结构。其内电路由调幅混频、本振、五级调频—调幅中放、调幅检波、调频鉴频、音频功率放大、自动增益控制、自动频率微调及稳压电路等几部分组成,只需外接调频头(调频高放和混频)、调幅磁性天线及少量元件即可构成一台完整的调频—调幅收音机,由于其性能优良,体积小巧、装配简单、调试方便,该电路已为国内外多家公司所生产,作为一代表性的产品广泛地用于袖珍式、便携式和小台式收音机和收录机中。该电路的特点是外围所需的元件少,工作电压范围宽(3~12V),耗电省,增益高;输出功率大,当扬声器的阻抗为8Ω时,能获得最大的输出功率(0.9W),不仅失真小,而且具有过载保护能力;此外,调频—调幅工作状态的转换也十分方便,只需一个两刀两位开关即可。使用上需注意的是,决定该集成电路中放增益的16脚电压在大量生产时略有差异,为了使每片的中放增益比较一致,并减轻调试的工作量,该电路出厂前按上表分成9组,其分组标记为“ULN—2204—组别代号”。对于不同的组别,16脚的外接电阻可按上表取不同的阻值。阻值越小,调幅和调频时第16脚的电压越高,使该集成电路的中放增益越高,但噪声和稳定性将变差。因此在选用该集成电路时,必须兼顾上述各参数,使性能最佳。


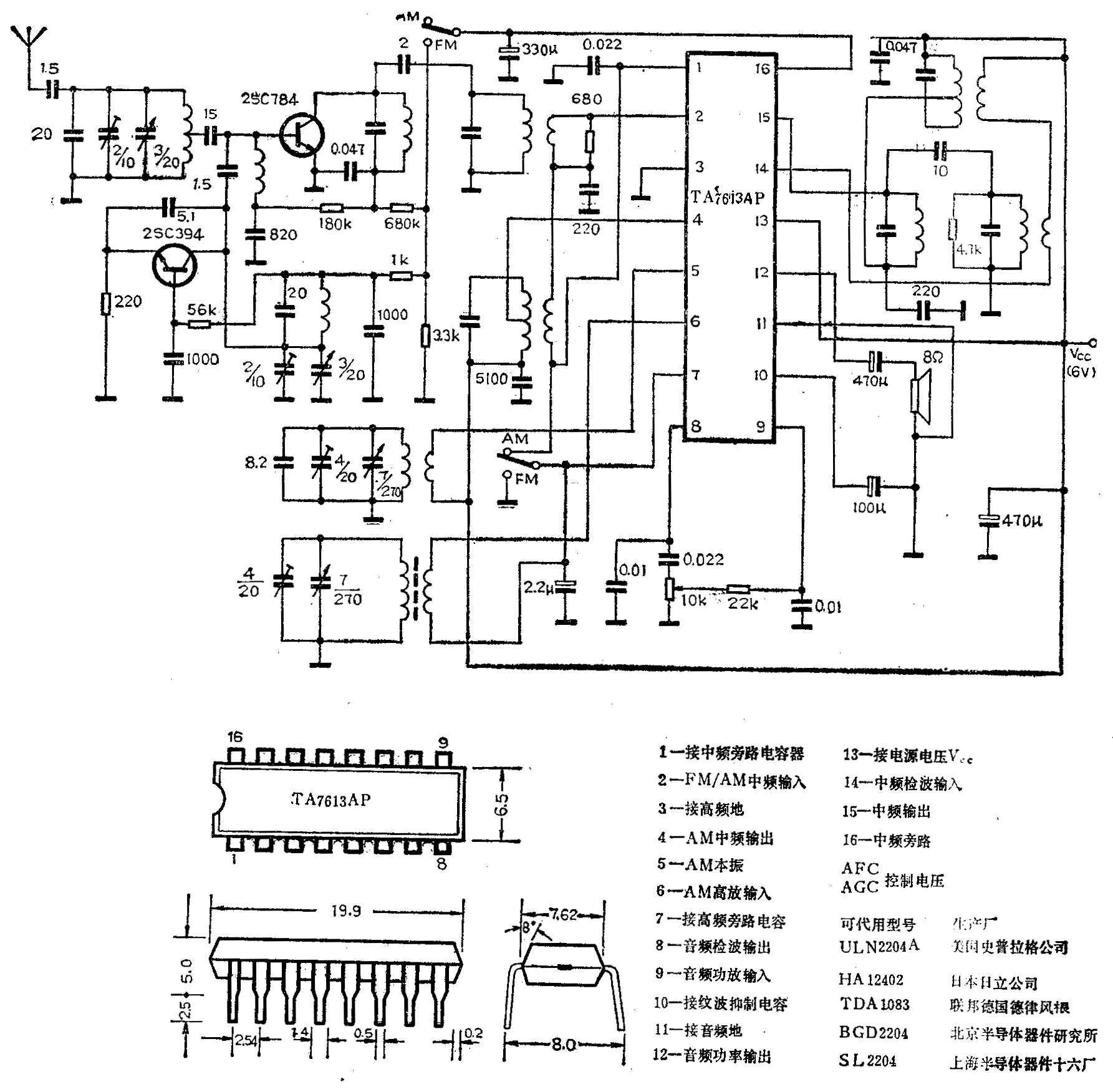
TA7613AP是日本东芝公司生产的双极型单片调频—调幅收音机集成电路,采用16脚双列直插式塑料封装结构,其内部由调幅高频放大、调幅本振、调幅混频、调幅—调频中放、调幅—调频检波、调幅自动增益控制电路、调频自动频率控制电路和B类音频功率放大器等组成。因此,使用该电路时,只要外加调频高频放大和变频器即能构成一完整的调频—调幅收音机。该电路的特点是电源电压范围宽(3~13V);通过直流转换开关即可改变调幅—调频工作状态;此外,内电路含有分流式稳压电路,要求电源输入42mA的恒定电流,因此可采取由市电电源经整流直接供电的工作方式;再加上它与美国史普拉格公司的ULN—2204、日立公司的HA 12402、联邦德国德律风根公司的TDA1083等集成电路外形和内电路,及电性能完全相同,可以直接互换等,使该电路特别适合于组装单片FM/AM便携式、袖珍式和台式收音机,与钟电路相配组装成钟控收音机等(未完待续)。(伟明)
