本机是一个简单的小型报警器,只要将手触摸到报警器的触摸极,警报器就可发出嘟嘟的报警声。
一、电路分析
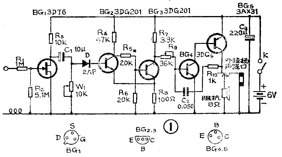
触摸式报警器原理图见图1。它是利用了电源线的感应作用,将感应线在市电电源线外边绕5至6圈(注意一定要保证感应线和电源线有良好的绝缘),然后把触摸极引线(长度最好在25厘米以内)连在金属门把手或其它防盗的金属箱上,注意金属部分应与地绝缘。当手触摸到金属部分时,就可以通过触摸引线传导到BG\(_{1}\)栅极上。BG1使用了输入阻抗极高的场效应管,所以当手碰上触摸引线后,在场效应管栅、源极之间感应出较高的电压,这个电压经BG\(_{1}\)放大后从漏极输出。并通过C1经二极管整流,给BG\(_{2}\)提供基极电流,使集电极电位降低,通过电阻R6使BG\(_{3}\)基极电位降低,从而使BG3的集电极电位升高,它可以推动由BG\(_{4}\)、BG5组成的电子讯响器发出声音。

电路中BG\(_{1}\)是共源极放大电路,BG4、BG\(_{5}\)组成电子讯响器。
二、元器件选择
BG\(_{1}\)选用结型场效应管3DJ6管,它的管脚引线见图1。其它3DJ型都可用,另外绝缘栅场效应管3D01等也可用,但这类管子比3DJ型容易损坏。测量结型场效应管可以用万用表按测3DG型方法一样,只要测出漏极(D)与栅极(G)和源极(S)与栅极的正反向电阻差别较大,管子就可用,但注意3D01型不可用万用表测试。
BG\(_{2}\)、BG3均为3DG201型塑封管,其β值分别为120和100,它们的管脚引线见图1。
BG\(_{4}\)为3DG4型金属封装三极管。BG5为3AX31型管,其β值在80左右。
电位器W\(_{1}\)为1瓦小型电位器,R9为晶体管收音机上用的偏流电阻。
扬声器选用2英寸、8欧的喇叭,K为小型钮子开关。电源用5号电池四节。二极管D为2AP型锗二极管。
三、安装和调试
安装方法:全部元器件焊在72×60平方毫米的刀刻印刷电路板上,见图②,元器件直接焊在有铜箔的一面。

焊接BG\(_{1}\)时应先焊源极(S)、再焊漏极(D)、最后焊栅极(G)。
调试方法:待整机所有元器件都焊好后,经检查无误即可接通电源进行调试,先不接感应线,把R\(_{9}\)调到阻值最大位置,W1调到阻值最小位置。用一个50千欧的电位器代替R\(_{5}\),当手未碰触摸极时,把电压表并联在BG3集电极和发射极之间,逐渐减小电位器的阻值使电压表指示在0.5伏附近,这样R\(_{5}\)的阻值即调好,然后接上感应线(一般细塑料电线即可)并在电源线上绕5至6圈,调大W1的阻值到整个阻值的\(\frac{1}{2}\)以上即可,用手摸触摸极,如BG\(_{3}\)集电极电压上升到3伏左石、手离开触摸极,BG3集电极电压又回到0.5伏则调试是正常的。否则要重调R\(_{5}\)和W1使其达到上述的正常状态。达到正常要求后就可在R\(_{5}\)处焊上一个与电位器阻值相同的固定电阻。
然后再调讯响器部分,用手碰触摸极,调小R\(_{9}\)使讯响器声音最大而又清楚,整机调试即完成。
整机静态电流(讯响器不响时)为6毫安左右。
四、使用方法
把报警器放置在门把手附近(或其它金属物件附近),把触摸极引线焊在或拧在金属门把手上,感应线在电源线(如电灯线)绕5、6圈,然后用手触摸门把手,讯响器发声,手离开门把手,讯响器不发声,这时即可使用了。调W\(_{1}\)阻值越大,触摸引线越长,报警器灵敏度越高,但W1不能调得太大,触摸引线也不能太长,否则报警器会不碰触摸极自响,所以一定要把W\(_{1}\)调到适当位置。
如值班人员离报警器较远,可用外接扬声器插在本机外接扬声器插口上,这样扬声器引线可拉长到几十米以上。
如果长期使用报警器,应使用一号电池四节给本机供电。
如果想让报警器声音更响,可把电子讯响器改成电池讯响器或电铃。具体改制方法:不用BG\(_{4}\)、BG5两管,在R\(_{9}\)右端接一单管放大器,在放大器集电极接一灵敏继电器,再由继电器控制电铃即可。(沈征)

