随着可控硅技术的不断发展,相继出现了各种可控硅派生元件,双向可控硅就是其中的一种。
由于双向可控硅具有正、反两个方向都能控制导通的特性,而且又有触发电路简单、工作稳定可靠等优点,因此在灯光调节、温度控制、交流电机调速以及各种交流调压和无触点交流开关电路中得到了广泛的应用。
那么,双向可控硅为什么会有这样的特性和优点呢?这要从它的内部结构中找答案。
双向可控硅的内部结构
从外表上看,双向可控硅和普通可控硅很相似,也有三个电极。但是,它除了其中一个电极G仍叫做控制极外,另外两个电极通常却不再叫做阳极和阴极,而统称为主电极T\(_{1}\)和T2。它的符号也和普通可控硅不同,是把两个可控硅反接在一起画成的,如图1所示。它的型号,在我国一般用“3CTS”或“KS”表示;国外的资料也有用“TRIAC”来表示的。

双向可控硅的外形结构和普通可控硅没有多大区别,它同样有螺栓型、平板型以及其他外形结构,见图2。额定电流在200安以上的一般都是平板型的;中等电流大小的则采用螺栓型;而额定电流小到只有几安或几百毫安的,则通常采用塑封外形结构。

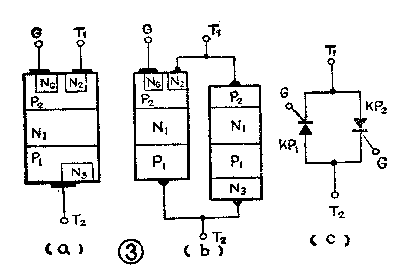
从内部结构来看,双向可控硅是一种N—P—N—P—N型五层结构的半导体器件,见图3(a)。

为了便于说明问题,我们不妨把图3(a)看成是由左右两部分组合而成的,如图3(b)。这样一来,原来的双向可控硅就被分解成两个P—N—P—N型结构的普通可控硅了。如果把左边从下往上看的P\(_{1}\)—N1—P\(_{2}\)—N2部分叫做正向的话,那么右边从下往上看的N\(_{3}\)—P1—N\(_{1}\)一P2部分就成为反向,它们之间正好是一正一反地并联在一起。我们把这种联接叫做反向并联。因此,从电路功能上可以把它等效成图3(c)。也就是说,一个双向可控硅在电路中的作用是和两只普通可控硅反向并联起来等效的。这也正是双向可控硅为什么会有双向控制导通特性的根本原因。
对于两只反向并联的普通可控硅来说,因为它们各自都有自己的控制极,所以必须通过两个控制极的协调工作,才能达到控制电路的目的。而双向可控硅却不同,它只有一个控制极,通过这唯一的控制极就能控制双向可控硅的正常工作。显然,它的触发电路比起两只反向并联的普通可控硅的触发电路要简单得多。这不仅给设计和制造带来很多方便,而且也使电路的可靠性得到提高、设备的体积缩小、重量减轻,这是双向可控硅的一个突出的优点。
双向可控硅的特性曲线
既然一个双向可控硅是由两只普通可控硅反向并联而成的,那么,我们会很自然地想到,它的特性曲线就应该是由这两只普通可控硅的特性曲线组合而成。图4示出了双向可控硅的特性曲线。

由图可见,双向可控硅的特性曲线是由一、三两个象限内的曲线组合成的。第一象限的曲线说明当加到主电极上的电压使T\(_{2}\)对T1的极性为正时,我们称为正向电压,并用符号U\(_{21}\)表示。当这个电压逐渐增加到等于转折电压UBO时,图3(b)左边的可控硅就触发导通,这时的通态电流为I\(_{21}\),方向是从T2流向T\(_{1}\)。从图中可以看到,触发电流越大,转折电压就越低,这种情形和普通可控硅的触发导通规律是一致的。
当加到主电极上的电压使T\(_{1}\)对T2的极性为正时叫做反向电压,并用符号U\(_{12}\)表示。当这个电压达到转折电压值时。图3(b)右边的可控硅便触发导通,这时的电流为I12,其方向是从T\(_{1}\)到T2。这时双向可控硅的特性曲线,如图4中第三象限所示。
在上述两种情况中,除了加到主电极上的电压和通态电流的方向相反外,它们的触发导通规律却是相同的。如果这两个并联连接的管子特性完全相同的话,一、三象限的特性曲线就应该是对称的。
通过对双向可控硅特性曲线的分析可以知道:双向可控硅不象普通可控硅那样,必须在阳极和阴极之间加上正向电压,管子才能导通。对双向可控硅来说,无所谓阳极和阴极。它的任何一个主电极,对图3(b)中的两个可控硅管子来讲,对一个管子是阳极,对另一个管子就是阴极,反过来也一样。因此,双向可控硅无论主电极加上的是正向或是反向电压,它都能被触发导通。不仅如此,双向可控硅还有一个重要的特点,这就是:不管触发信号的极性如何,也就是不管所加的触发信号电压U\(_{G}\)对T1是正向还是反向,双向可控硅都能被触发导通。双向可控硅的这个特点是普通可控硅所没有的。
双向可控硅的这种特性可使它具有特殊的功能,也就是可以用交流信号来做触发信号,使它能作为一个交流双向开关使用。
四种触发方式
由于在双向可控硅的主电极上,无论加以正向电压或是反向电压,也不管触发信号是正向还是反向,它都能被触发导通,因此它有以下四种触发方式:
(1)当主电极T\(_{2}\)对T1所加的电压为正向电压,控制极G对第一电极T\(_{1}\)所加的也是正向触发信号(图5a)。双向可控硅触发导通后,电流I21的方向从T\(_{2}\)流向T1。由特性曲线可知,这时双向可控硅触发导通规律是按第一象限的特性进行的,又因为触发信号是正向的,所以把这种触发叫做“第一象限的正向触发”或称为I\(_{+}\)触发方式。

(2)如果主电极T\(_{2}\)仍加正向电压,而把触发信号改为反向信号(图5b),这时双向可控硅触发导通后,通态电流的方向仍然是从T2到T\(_{1}\)。我们把这种触发叫做“第一象限的负触发”或称为I-触发方式。
(3)两个主电极加上反向电压U\(_{12}\)(图5c),输入正向触发信号,双向可控硅导通后,通态电流从T1流向T\(_{2}\)。双向可控硅按第三象限特性曲线工作,因此把这种触发叫做Ⅲ+触发方式。
(4)两个主电极仍然加反向电压U\(_{12}\),输入的是反向触发信号(图5d),双向可控硅导通后,通态电流仍从T1流向T\(_{2}\)。这种触发就叫做Ⅲ-触发方式。
双向可控硅虽然有以上四种触发方式,但由于负信号触发所需要的触发电压和电流都比较小,工作比较可靠,因此在实际使用时,负触发方式应用较多。
需要什么样的触发电路
双向可控硅的触发电路,在实际应用中,根据用途不同大体上可分成两类,一类是用来调节电压、电流的,另一类是作为交流开关使用的,它们两者的触发电路也有所不同。
用作调节电压、电流的典型电路是灯光调节电路,它要求发光源上得到的是可调节的电压和电流,因此,它的触发电路必须是能够改变双向可控硅导通角大小的,见图6。这种触发电路可以象普通可控硅触发电路一样,利用双基极二极管组成,见图7。通过调节电阻R的大小可以改变RC时间常数,从而改变了触发脉冲出现的时刻,达到改变可控硅导通角的目的。图中脉冲变压器T初级的黑点表示变压器次级得到的脉冲电压正好与初级的电压相位相反。串接在触发回路中的二极管保证了只允许反向脉冲加到控制极G和主电极T\(_{1}\),从而实现了反向触发。


在这种触发电路中,也可以用一种叫做双向二极管的元件来代替双基极二极管。双向二极管是一种小功率五层二端元件,它的正反向伏安特性曲线和双向可控硅一样,但它没有控制极,当两个极之间所加的电压达到转折电压时,双向二极管便导通。图8(a)就是利用双向二极管2CTS组成的触发电路。当电源电压处于正半周时,电源电压通过R\(_{1}\)向C1充电,电容C\(_{1}\)上的电压极性是上正下负。当这个电压增高达到双向二极管的转折电压时,双向二极管突然转折导通,使双向可控硅的控制极G和主电极T1之间得到一个正向触发脉冲,可控硅导通。这时就相当于I\(_{+}\)触发方式。在电源电压过零的瞬间,双向可控硅自动阻断;当电源电压处于负半周时,电源电压对电容C1反向充电,C\(_{1}\)上电压的极性为下正上负,当这个电压值充到等于双向二极管的转折电压时,双向二极管突然反向导通,使双向可控硅得到一个反向触发信号,于是双向可控硅导通。这时就相当于Ⅲ-触发方式。在这个电路中,调节R\(_{1}\)的阻值,可以改变R1C\(_{1}\)的时间常数,因而改变了触发脉冲出现的时刻,也就是改变了双向可控硅的导通角,达到了调节灯光的目的。电路中各处电压的波形见图8(b),其中UL是电灯两端的电压。

双向可控硅的另一类用途是作交流无触点开关使用。这时因为只是控制其开通和关闭,不要求改变输出电压的大小,所以不需要复杂的触发电路,一般只需用一个开关和一个限流电阻就可以达到目的。图9就是利用开关K和限流电阻R组成的最简单的触发电路。当交流电压处于正半周时,T\(_{1}\)为正,T2为负,这时只要把开关K闭合一下,控制极G与主电极T\(_{1}\)之间便加上一个反向触发电压,于是双向可控硅被触发导通。这时相当于Ⅲ-触发方式。当电源电压过零时,双向可控硅就自动阻断。当电源电压为负半周时,T\(_{1}\)为负,T2为正,只要把开关K闭合一下,G和T\(_{1}\)之间就加上一个正向电压,也能使双向可控硅触发导通。这时相当于I+触发方式。当电源电压重新过零时,双向可控硅就重新自动阻断。如此周而复始,双向可控硅就起到一个交流无触点双向开关的作用。

这里的开关K可以是继电器接点,也可以是微动开关、行程开关或晶体管开关电路。例如自动生产线中的行车在运行过程中,每到一个工位要发出一个信息。这时可以在每个工位上安装一个档块,而在行车上安装一个行程开关。每当行车到达工位时,挡块便碰撞行程开关使接点K闭合一次,双向可控硅就被触发导通。于是由数控系统S发出指令控制生产机械按预先编好的程序自动运行,实现了生产自动化。
使用双向可控硅要注意些什么
在使用双向可控硅时,除了普通可控硅所应注意的问题以外,还需要注意以下几点。
1.普通可控硅在参数表或合格证中给出的额定电流是平均值,而双向可控硅给出的额定电流是有效值。因此在利用双向可控硅代替两个并联反接的普通可控硅时,必须经过换算后再去挑选合格的元件。换算的公式是I\(_{T}\)=0.45IKS。式中:I\(_{T}\)——普通可控硅额定电流(安);IKS——双向可控硅额定电流(安)。
例如,一个额定电流为500安的双向可控硅在作为双向开关使用时,相当于两个多少额定电流值的普通可控硅?由换算公式可得:
I\(_{T}\)=0.45×500(安)=225(安)
从普通可控硅参数系列中可以查到,近似的数值为200安。所以额定电流为500安的双向可控硅在作交流双向开关使用时,可以代替两只额定电流为200安的普通可控硅。
2.实际使用中,在选择双向可控硅的触发电路时,一方面应尽量选用较容易触发的反向触发信号,另一方面还应使触发信号的电压和电流尽可能的高一些和大一些。通常应该使触发电流比手册中查出的I\(_{C}\)值大一倍左右。
3.选择双向可控硅时,应选用额定电流值大于负载电流有效值的双向可控硅。对于电容性负载还应注意过电流保护。
4.对于电感性负载,应注意电压的上升率要小于手册中给出的\(\frac{du}{dt}\)值,否则将会出现失控现象。为解决这个问题,可以在主电极上并联RC吸收电路,电阻R的值可选在100欧左右,电容C的容量可选用0.1微法左右的为好。(方波)