许多控制电路常需要将十进制数转换成BCD码,但机械式转换器——拨盘开关易磨损、寿命短。本文介绍的这种转换电路,只需要用手指轻轻触摸一触片,就可以将十进制数转换成BCD码。另外,如加接LED显示块,就可以直接应用在各种数字显示的电器设备中。这种指触式转换电路见图1。

为了使读者了解和应用该电路,本文首先介绍5G673、C334、CL002的逻辑功能。其内部电路及原理不在这里分析。

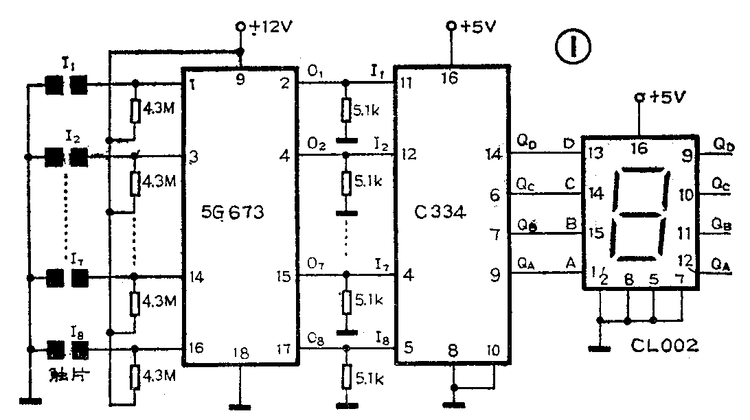
5G673是一块指触式开关集成电路,管脚排列如图2所示。该电路有8个输入端I\(_{1}\)~I8,与8个输出端O\(_{1}\)~O8一一对应。用手指触摸任一个输入端时,各输出端电平值就会改变,具体控制作用见表1。

5G673是由PMOS工艺制成的,一般使用负电源。但只需将接地端(9脚)接+12伏,电源端(18脚)接地就可以在正电源下工作了。

C334为10线—4线8421编码器,管脚排列如图3所示。该电路有9个输入端,本文只使用了I\(_{1}\)~I8,I\(_{9}\)没使用,应接地。还有4个输出端QAQ\(_{B}\)QCQ\(_{D}\),具体逻辑关系见表2。

CL002是一个包括译码电路、驱动电路的LED显示组合器件。只要输入端ABCD送入BCD码,就可以显示出相应的十进制数字,见图4(b)。CL002外引线如图4(a)所示。图中ABCD为BCD码数据输入端;Q\(_{A}\)QBQ\(_{C}\)QD为BCD码数据输出端;V为LED公共阴极,用于调节LED的工作电流及亮度;其它端的功能见控制功能表(表3)。


在本电路中将LE(第2脚)接地,BL(第5脚)接地,DPI(第6脚)接地。RBI(第3脚)、RBO(第4脚)两脚悬空,RBI及RBO端只有在多个CL002级联使用时才起作用。
由图1可见:5G673的输入端I\(_{1}\)~I8分别通过4.3MΩ的电阻与电源相接,平时各输入端均处于高电平状态。当用手触摸一触片时,便使该端处于低电位状态,于是与该输入端对应的输出端则变为高电平(约5伏)而其它7个输出端由于内部连锁复位作用均输出低电平。例如触摸I\(_{7}\)便使O7端输出高电平,其余7个输出端均输出低电平(参看表1)。由于5G673的输出端O\(_{1}\)~O8直接与C334编码器的输入端I\(_{1}\)~I8相连,于是C334的输出端Q\(_{D}\)QCQ\(_{B}\)QA的状态为“0111”(参看表2),而编码器C334的输出端Q\(_{D}\)QCQ\(_{B}\)QA又与CL002的输入端DCBA直接相连,那么显示块CL002便直接显示出“7”的字样。同样道理,也可以显示出其它数字。而CL002的输出端Q\(_{D}\)QCQ\(_{B}\)QA又可与其它电路直接相连,作控制用。

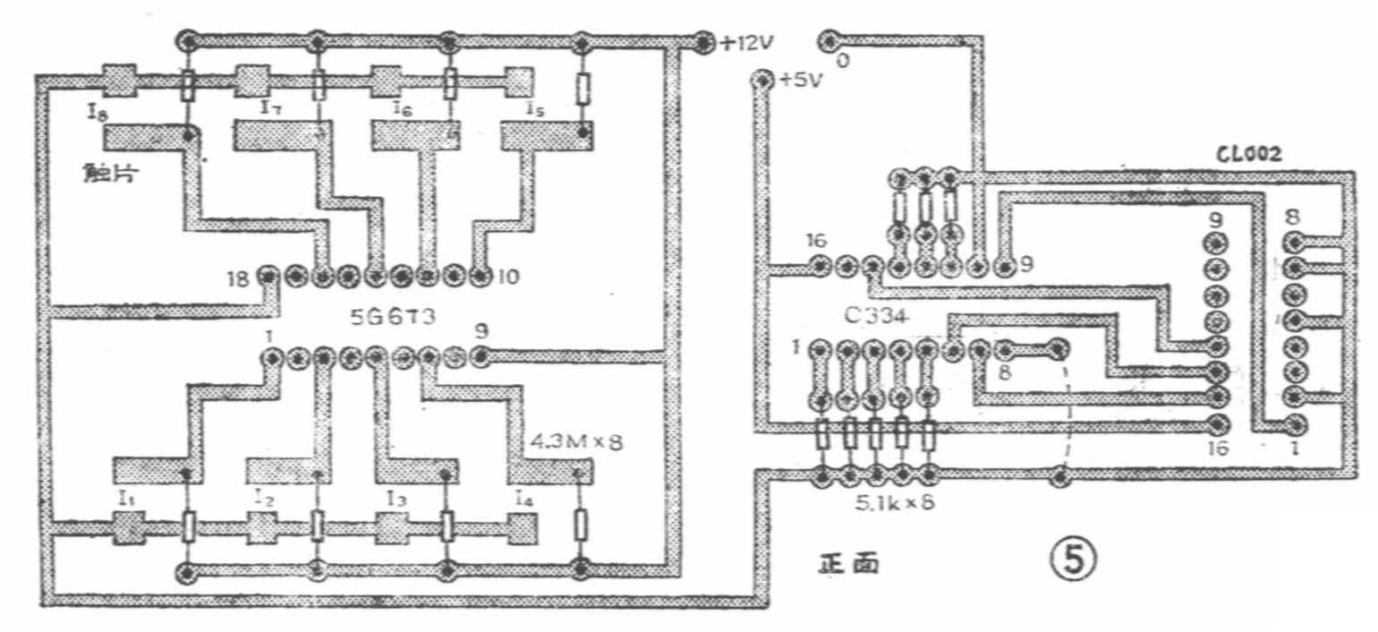
该电路比较简单,接线检查无误后即可工作,无需调试。图5为印刷电路板正面图,图6为背面图,比例均为1:1。制作时使用双面敷铜板,注意将两面的对应点对正。考虑到业余制作的条件,电路板没有金属孔化。

电路板作好后,先将3个器件各自所需的插座焊好,再插上器件,不得将器件直接焊在电路板上。(陈永强)