问:有一台日立牌彩色电视机的行输出管BU208被击穿损坏。因为购不到原型号管,我们打算用国产管代换。请提供BU208的参数及特性相似的国产管型号。
答:BU208是NPN型高反压大功率管,其主要电参数如下表所示:

BU208采用TO—3封装形式(相似于国内部标F—2型)。国产D1942(上无二十九厂)的基本电参数指标及封装形式都与BU208相似,可以直接替换。如果一时购不到D1942,也可以用D2027(上无二十九厂)、3DD259F、3DD259G(陕西商县卫光电工厂)、3DD105F、G(杭州半导体厂)等管代换,一般效果也不差。(申薇)
问:一台成都牌HC310—1S1型12英寸黑白电视机的电源调整管DS31、行输出管DS33以及阻尼管SK3—03损坏,请告知这些管子的技术参数,能够用什么型号的管子代换?
(谢梅林)
问:有一台明星牌集成电路电视机。使用一段时间后,出现图象扭曲、哼声严重的故障。有时故障会自行消失,但用不了多久又会出现。开机检查发现整流管及几块集成电路严重发热,而电源调整管3DD15A却不热。在故障消失的时候却正好相反,调整管发热,而集成块等的湿度明显下降。这是什么原因造成的?
答:引起这种故障的主要原因是调整管不起作用。这时管子的c、e极相当于一段导线或一个小电阻,致使整流输出的直流电压未经调整就直接加到各级电路中去了,从而导致整机消耗明显增大、集成块等严重发热、图象扭曲、哼声明显。通常当调整管的c、e极间短路或基极注入电流过大时,就会使管子失去调整作用。检修时,可断开调整管基极的引线一试。如此时稳压电路的输出电压立即下跌很多,说明故障在控制调整管的取样和放大电路中。反之若电压没有什么变化,则表明调整管c、e极间击穿或管外短路。如检查无外界因素可能引起短路,就应调换调整管了。(王德源)
问:有一台昆仑牌B314型黑白电视机,使用三年多了,最近发现图象上常常有断断续续的黑线和黑点,而且其它频道虽然没有图象,但光栅也有黑点。严重时,还能听到“噼噼、啪啪”的响声,不知是何原因,怎样消除?
答:这种现象在电视机修理中被称作“高压打火”。产生“高压打火”的原因大多发生在行输出变压器(高压包)上。一处是卡在显象管上的高压帽里的两根有钩的铁丝上不清洁。另一处可能是连接高压硅堆的卡簧上有铁锈。由于它们不干净,这些锈尘会在高压的作用下运动,产生对高压有影响的干扰杂波,并同高压信号一起混进干扰正常的图象,造成上述故障。阴雨天气,空气潮湿,有利于铁锈的滋生。故障现象会更加明显,严重时,会在高压硅堆卡簧处或是高压帽处发生打火现象。所听到的“噼噼、啪啪”的响声,就有可能是打火处发出来的。
由于高压电路在关机后,仍然贮存了大量的电荷,其电压值可高达12000~13000V(但是电流较小)在检查时,首先要用一支木柄改锥轻轻插到高压帽中的铁丝上进行放电。在放电猛烈时,可以看见火花。待放完电后,再检查。如发现有生锈处,可用细纱纸把锈处擦亮。如果有尘埃,可用酒精棉擦去灰尘,待凉干后,重新装好,就可排除故障了。为了防潮,对容易生锈的部位,在把锈清除干净之后,还需用灯泡进行烘烤。 (屈梅)
问:我想按图1电路测量V-MOS管的输出特性,但无论怎样调整电位器W,电流表均无指示。当取掉R\(_{2}\)再调整W时,UGS调到5V之后I\(_{D}\)仅有20毫安,继续调W时ID无变化。这是什么原因?是否V-MOS管损坏了?

答:按图1所示电路测试V—MOS管时,假设管子完全导通即U\(_{DS}\)=0时,电路中的电流ID=\(\frac{12V}{500Ω}\)=24mA。由此可见500Ω电阻的存在严重限制了I\(_{D}\)的增长。当ID为20毫安时,在500Ω电阻上的压降为500Ω×0.02A=10V,此时U\(_{DS}\)两端的电压下降至2V,使管子进入了可变电阻区。在可变电阻区UDS对I\(_{D}\)失去控制作用,所以继续调节W时ID无变化。因此出现上述情况时不能说明V—MOS管已损坏。如果将图1中的500Ω电阻去掉,并将分压电阻R\(_{1}\)换为200千欧,使UGS能在0~10V范围内变化(见图2),则可进行正常测试了。有关V—MOS管的具体测量方法请见本刊今年第四期。 (张军)
问:我有一台上海无线电三厂生产的3T4型台式12管半导体收音机,开机后,在使用中波、短波或拾音时,都伴随有断断续续的爆破杂音,应如何检查和排除故障?
答:根据实际检修经验,这种现象一般是由于低放电路的晶体管质量不好(如内部管脚接触不良,极间漏电等)而引起。要想准确判断是哪一级的晶体管有问题,可参看原机的说明书中的电路图(由于图较大,为了节省篇幅,本文从略)逐级检查。如果收音机的琴键开关置于拾音位置,扬声器里仍有爆破声,可判定爆破声来自低放电路。可把音量电位器关至最小,如仍有爆破声,且不受音量电位器控制,说明爆破声发生在音量电位器以后各级,可用一个10μF电解电容,正极接地,用负极一端分别碰触电路图中BG\(_{7}\)到BG12各管的基极和集电极,步骤是从前级到后级,从基极到集电极。当电容负极碰触到某一级时扬声器内爆破声消失,故障就出在这一级,可换一个好的晶体管试试。比较容易产生爆破声的管子是电路中的3AX31和3BX31。如果音量电位器关小后杂音消失,说明故障发生在音量电位器以前的BG\(_{5}\)、BG6两级。(彭贤礼)
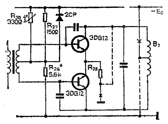
问:有一台上海无线电三厂出品的红旗604六晶体管收、扩音机,功放管采用3AX81B。这种功放管功率余量不大,常常损坏。能否用3DC12代替?怎样代换?
答:可以用两只配对的3DG12管代替。我们知道,3DG12的P\(_{CM}\)、ICM均比3AX81B大,而且热稳定性好,所以代换后效果良好。
具体改动办法见下图。图中凡带“×”的地方均断开,图中的虚线是新增设的线路。可以看出,R\(_{28}\)原接地端改接到电源负极一端,变压器B7的中心抽头改接到地端。原下偏置电阻R\(_{27}\)、R30与原上偏置电阻R\(_{26}\)的位置应互换一下。另外,如图所示加装一只硅稳压管(可用2CP或3DG6的e、b结代用)。调整R26,使功放管的I\(_{C}\)(两管静态电流之和)为4~6mA即可。(陈勃)

问:电冰箱在使用过程中为什么要经常除霜?什么叫无霜电冰箱?它有什么优点?
答:电冰箱在使用过程中,由于箱内存放的食品有一定水分,开箱存、取食品时,外界空气中的水分也会进入箱内,这些水分遇到冷冻室内温度很低的蒸发器时,蒸发器表面就要结上一层霜。冷冻室的温度越低,冰箱使用的时间越长,霜就凝结得越多。由于霜比蒸发器上的铜或铝传热效果差,其传热系数只有铜的六百四十分之一,铝的三百五十分之一,所以霜在蒸发器上要影响冰箱的制冷效果。当蒸发器表面结霜厚度达到10毫米时,其吸热效果要下降25%。要达到相同的制冷效果,压缩机必然要延长运转时间,这不仅要增高电费,还会影响冰箱使用寿命,所以必须定期除霜。
电冰箱除霜方法有三种:①手动除霜。当冰箱蒸发器上的霜达到一定厚度时,只要拔下电源插头,冰箱内温度上升,霜便自行溶化。化完后再插上电源插头。目前这种化霜方法已不采用;②半自动化霜。这种冰箱箱内有一个化霜按钮,需要化霜时,按下按钮,冰箱压缩机的电路就被切断。待霜化完,箱内温度上升后,按钮会自动复原,压缩机电路接通,冰箱恢复工作;②全自动化霜。有这种功能的电冰箱,内部设有一只自动化霜定时器。它不需要人去操作,电冰箱每工作12小时左右,定时器触点会自动切断压缩机电路,约15分钟后霜溶化,定时器触点复原,自动接通压缩机电路。有这种功能的电冰箱叫做无霜电冰箱。这种冰箱的优点是停电时冰箱不会漏水(溶化的霜水),冷冻室内利用率高,制冷性能稳定,温度分布均匀,降温速度快,在长期使用中不需花费时间去除霜。 (吴忠义)

