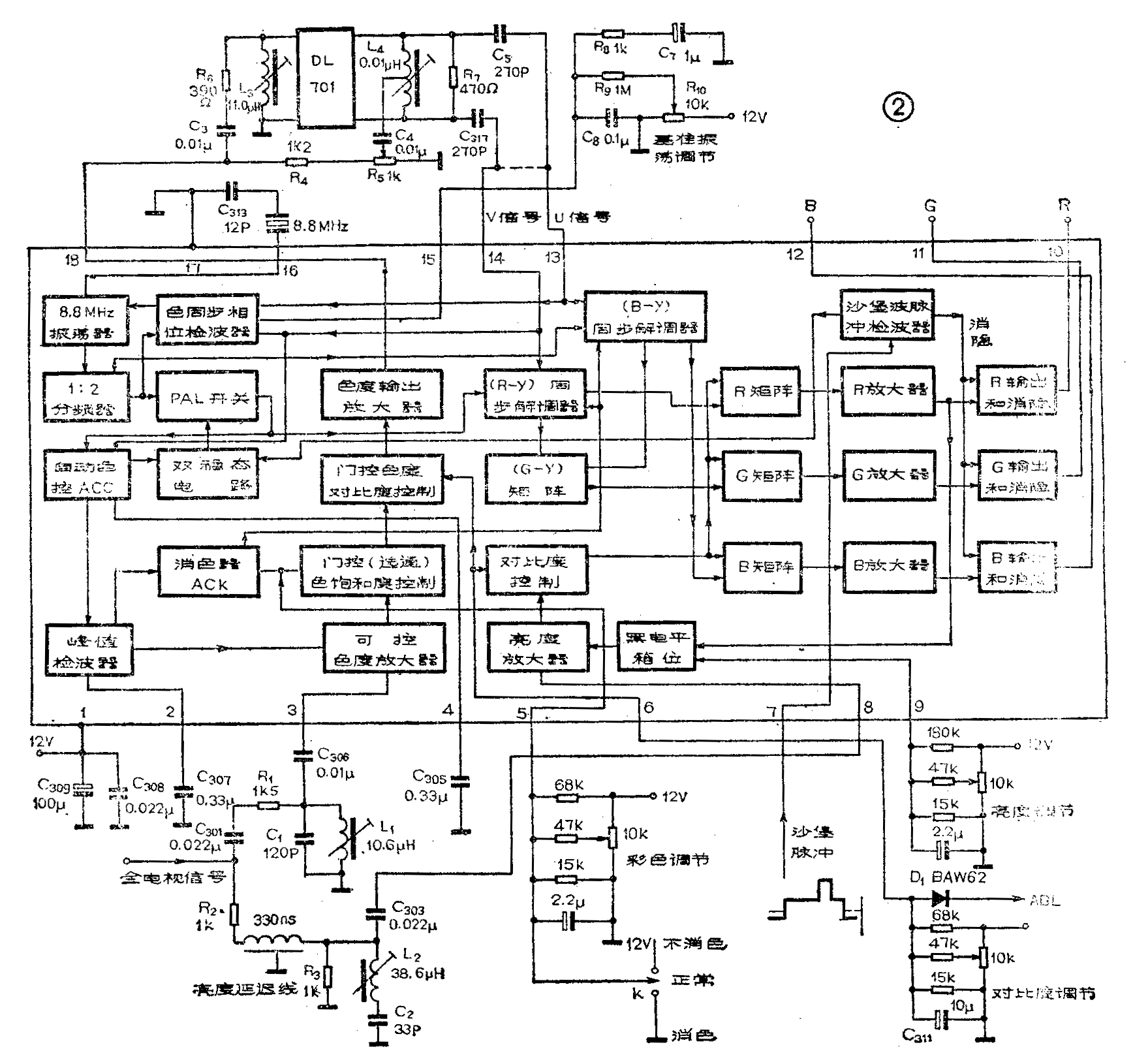
TDA3565单片集成电路(以下简称IC)为PAL制解码器,是由飞利浦公司研制生产的。采用塑料封装双列直插引线方式,它的外形结构如图1所示。它可以同TDA4500集成电路(本刊1986年第五期介绍过)以及加上适当的输出级便可组成PAL制彩色电视机电路。是一种外围电路简单,外围元件数量少的PAL制解码器件,图2示出IC的典型应用电路。它具有识别、解调PAL制信号所需要的全部功能,此外它还具有一个亮度放大器,可放大带有正极性(即从白色峰值电平到同步头)同步脉冲的亮度信号。还包括R、G、B矩阵和低阻抗输出的R、G、B放大器,输出峰峰值为5伏的标称信号。下边对该集成电路的工作原理及外围电路的功能作一介绍。


亮度通道
从图2看出全电视信号通过由电阻R\(_{2}\)、亮度延时线、R3组成的网络和由L\(_{2}\)、C2组成的4.43MHz负载波陷波器取出亮度信号,并滤除色度信号对亮度信号通道的干扰。最后亮度信号经C\(_{3}\)03由IC的⑧脚耦合到亮度放大器,进行亮度信号放大和黑电平箝位。放大的亮度信号再送到增益可控亮度放大器(即对比度控制级),实现亮度信号的对比度直流控制,该级的输出信号分别加到R、G、B三个矩阵电路,同来自色度通道的三个色差信号(R—Y、G—Y、B—Y)进行矩阵变换。从而获得R、G、B三个基色信号。
由于⑧脚的输入阻抗很高(此脚的最大输入电流为0.15μA),所以此脚的耦合电容C\(_{3}\)03的充、放电电流很小,因此输入端的1kΩ电阻和亮度延迟线置于耦合电容器C303之前,不会明显地影响输入信号的黑电平偏移。送到⑧脚的亮度信号被箝位在2伏左右的内部基准直流电平上。箝位脉冲产生于沙堡脉冲(图3)的上部较窄部分,且工作在行脉冲后肩期间。亮度信号在对比度控制级受到由⑥脚加入的对比度直流调节电压的控制,当⑥脚电压变化时,亮度对比度控制级的增益也随之改变,控制电压与对比度控制级的增益之间成线性关系变化。由于⑥脚的输入阻抗很高(最大输入电流为25μA),因此,可以外接一个高阻网络(由电阻68kΩ、15kΩ、47kΩ、C\(_{311}\)和10kΩ对比度电位器等组成)来控制⑥脚电压,其电压变化范围为2~4V。在额定对比度控制电压(3.4V)和标称输入信号峰值为0.45V的情况下,R、G、B三路输出端⑩、、脚的三基色信号输出峰峰值为5V。亮度对比度控制级的控制范围为20dB。

色度通道
全电视信号通过电容C\(_{3}\)01和R1进入由L\(_{1}\)和C1组成的4.43MH\(_{Z}\)带通滤波器,取出色度信号经耦合电容C306加到IC的③脚,非对称输入到可控色度放大器,输入信号的峰峰值为55mV到1.1V之间,当输入信号峰峰值大于1.1V时,输入信号将出现削波现象。下边将色度通道包括的几部分电路分别作一介绍。
1.色度预处理电路:色信号由③脚输入后,先加到可控色度放大器。这个放大器的增益由自动色度控制级(ACC)进行控制,其控制范围大于30dB。被控制的输出信号送到门控(选通)色饱和度控制级,受⑤脚输入的色饱和度控制电压控制,这个直流控制电压由接在⑤脚的一个电阻网络(由电阻68kΩ、47kΩ,15kΩ、10kΩ电位器和电容2.2μF组成)给出,调节10kΩ电位器可使可控直流电压在2~4V变化,并与门控色饱和度控制级的增益呈线性关系,其控制范围为50dB。它的输出信号送到门控色度对比度控制级,接在⑥脚一个网络(由68kΩ、47kΩ、15kΩ、10kΩ电位器和C\(_{311}\)组成)提供2~4V的直流控制电压,该级的增益与这个控制电压成线性关系。由于以上两种控制呈线性关系,使输出的色度信号同⑤脚以及⑥脚的直流控制电平均呈线性关系。从图2看出,亮度信号的对比度控制级和色度信号的对比度控制级受同一个线性变换网络的控制,因此它们之间有较好的跟踪特性。在色同步选通期间,色饱和度控制和色度对比度控制级都被调到最大增益,以控制ACC电路中色度信号的色同步幅度。色度输出放大器中的色度信号由射极跟随器送到IC的输出,加到外部PAL矩阵电路的梳状滤波器。输出的色度信号峰峰值可达4V,由于ACC电路的作用使输出的色同步信号幅度基本上保持不变。
2.外部PAL制矩阵电路的梳状滤波器:由IC输出的色度信号进入梳状滤波器,从图2中看出,一路信号经R\(_{4}\)、R5和C\(_{4}\)加到延迟线DL701的输出端L4的中心抽头;另一路信号经C\(_{3}\)和R6加到延迟线DL701的输入端,L\(_{3}\)为DL701输入端匹配电感。经DL701延时的信号在L4两端产生大小相等、相位相反的延时信号,在这里同加在中心抽头的直通信号进行加减,结果在梳状滤波器的输出端(即IC的脚和脚)分别得到已调U(B—Y)信号和V(R-Y)信号,实现了色度信号的第一次分离。
3.同步解调电路:由IC的脚和脚输入的已调B—Y和R—Y信号,分别送到B—Y和R—Y同步解调器,进行色度信号的第二次分离。即脚输入的B—Y信号在B—Y解调器中,用180度基准信号进行同步解调;脚输入的R-Y信号在R-Y解调器中,用90度和270度基准信号进行同步解调。这两个同步解调器输出的色差信号送到G-Y矩阵电路,经过矩阵变换得到G-Y色差信号。被解调出的R-Y、B-Y、G-Y色差信号分别送到R、G、B矩阵电路。
4.色同步处理电路:由图2看出,由脚和脚输入的两个已调色差信号除加到同步解调器以外,另一路加到由一个具有对称输入的同步检波器组成的色同步相位检波器的两个输入端,由它分离出色同步信号脉冲去控制8.8MHz基准振荡器,接在脚的8.8MHz晶体和电容C\(_{313}\)为基准振荡器的振荡回路元件。8.8MHz振荡器输出的基准振荡信号送到1:2分频器,分频器输出的信号分别送到色同步相位检波器和PAL开关电路。接在脚是由R8、C\(_{7}\)和C8组成的低通滤波器及由R\(_{9}\)和电位器R10组成的基准振荡调节器,色同步脉冲经这两个电路进入对基准振荡器进行相位控制的移相电路,对8.8MHz振荡器进行调节。如果要调整振荡器,必须把进入色同步相位检波器的色同步信号断开,具体作法是把脚和脚之间短路(图2中虚线所示),调节电位器R\(_{1}\)0就可以改变振荡器的振荡频率。另外,也可以通过改变接脚的振荡回路元件C313之值来调节振荡频率。从二分频器输出4.4MHz基准副载波信号送到B—Y同步解调器作解调副载波,同时该信号又经过90度移相和PAL开关之后送到R-Y同步解调器作解调副载波。从图2中看出PAL开关受双稳态触发器的控制,而双稳态触发器又受行频色同步键控脉冲(由沙堡脉冲检波器送来)和由ACC电路送来信号控制。
5.自动色度控制(ACC)和自动消色(ACK)电路;由图2可见,由脚输入的V(R-Y)信号和由PAL开关电路输出的信号加到自动色度控制(ACC)电路,信号经过ACC电路中的取样电路和保持电路(④脚接的电容C\(_{3}\)05为它的保持电容)处理后而输出,分别送到双稳态电路和峰值检波器,②脚接的C307为检波器的回路电容。检波器输出的电压送到可控色度放大器,去控制这个放大器的增益。峰值检波器是采用施密特触发器检波器,在检波回路电容C\(_{3}\)07上形成控制电压送至消色器(ACK)。在标准彩色输入信号(色同步信号峰峰值为250mV)和色同步键控脉冲宽度为4μs的情况下,②脚的典型控制电压值为5.1V。这个电压随着色同步信号幅度的减小而降低,当②脚的控制电压减到2.8V时,消色器起作用,关闭门控色饱和度控制级和R-Y和B-Y同步解调器,从而可靠地关断色度信号通路,使显象管屏面显示黑白图象。接收黑白图象时,没有色同步信号,这时②脚的控制电压为2.65V。当色同步信号幅度上升时,②脚电压也随之上升,当升到大于3.3V时,消色器失去作用。此外,还可以利用接在⑤脚的开关K,实现对色饱和度控制级的手动控制,如图2所示,当K置于下端使⑤脚接地,即色饱和度控制级的控制信号输入端接地而停止工作,达到消色目的。当K置于上端使⑤接上12V电压,即色饱和度控制级的控制信号输入端获得偏压而使该级处于正常工作,即不消色。当K置于中间位置时为正常的自动消色状态。在平常使用中,可视不同情况的要求进行手动控制。
R、G、B矩阵和放大器
从以上分析可知,亮度信号经过对比度控制级之后进入矩阵电路,同三个色差信号(R-Y、B-Y、G-Y)经过矩阵变换成为R、G、B三个基色信号,这三个信号分别在各自的放大器中进行放大后,分别由⑩脚、脚和脚输出。信号在每个脚的输出幅度峰峰值为5伏。
1.黑电平箝位电路和亮度调整:TDA3565集成电路为了减少它的引出脚和外围元件,利用R(红色)放大器输出的反馈电平,在黑电平箝位电路内进行黑电平箝位,并通过反馈环节使R、G、B放大器的黑电平保持稳定。⑧脚上外接的亮度输入耦合电容C303同时作黑电平箝位电路的存储电容。⑨脚外接一个高阻网络(由180kΩ、47kΩ、15kΩ、2.2μF和10kΩ电位器组成),调节10kΩ电位器可以改变⑨脚的基准电平,通过黑电平箝位电路的处理后去控制亮度放大器的输入电平,而达到亮度调整的目的。
2.R、G、B输出:三个基色R、G、B输出电路都是相同的。在黑电平箝位和亮度调整之后,在行、场的逆程期间,由沙堡脉冲检波器输出的消隐信号分别送到R、G、B三个输出通道,然后经射极跟随器输出。输出脚的标准消隐电平大约为2.2伏,而输出信号的最大峰白电平是9.6伏。
3.白电平限幅器:R、G、B三个输出通路是通过整流输出来控制峰白信号的。白电平限幅器将三路输出电压与基准电压(9.6V)进行比较,如果三路输出端中任一路或几路的白电平超过9.6V,则白电平限福器启动,通过集成电路内部电路的作用结果使输出信号幅度减小。这样不但限制了束电流,而且还可以防止由末级视放管因激励信号过大而引起失真。
沙堡脉冲发生器

沙堡脉冲发生器是PAL解码器TDA3565的重要外围电路,它的电路如图4所示。从集成块TDA4500的脚送来的负向全电视信号,通过R\(_{2}\)01加到T201的基极,该级为射极跟随器。通过T\(_{2}\)01和T202的信号再通过R\(_{2}\)07进入由C205、C\(_{2}\)06、L201和C\(_{2}\)07组成的滤波延时电路,最后经过T204和T\(_{2}\)03的放大从T203的集电极A点输出色同步选通脉冲。从图4看出,行扫描逆程脉冲通过R\(_{215}\)加到D203和D\(_{2}\)04之间B点,D204是箝位二极管,将B点电位箝到近似为0伏。行逆程脉冲一路通过D\(_{2}\)03经R210加到T\(_{2}\)03的基极,又经R209加到T\(_{2}\)04的集电极,并加到T202的发射极,使这三个管子只在行逆程脉冲到来时工作,这样色同步脉冲只在这个期间通过这三个管子的放大,对色同步脉冲起到了选通作用。行逆程脉冲的另一路通过R\(_{214}\)、D202和经过R\(_{213}\)、C209及D\(_{2}\)01的场回扫脉冲,在A点同T203集电极输出的色同步选通脉冲一起叠加成沙堡脉冲,送到TDA3565的⑦脚,作解码器的色同步键控信号及R、G、B输出级的消隐信号。沙堡脉冲的形状和数据如图3所示,它在IC的⑦脚输入电压幅度的较高门限值为7±0.5V,较低门限值为1.5±0.5V。色同步选通脉冲幅值为10V左右,用来进行色同步键控,工作在行同步脉冲之后,即行消隐期间,防止箝在行同步脉冲上。沙堡脉冲的较宽部分用来作为R、G、B三路输出级的行、场消隐信号,它们的幅度分别为:行消隐脉冲小于5V而大于4V,场消隐脉冲小于3V而大于2V。
TDA3565的供电
TDA3565集成电路的电源电压典型值为12V,从IC的①脚加入,其输入电流为85mA。接在①脚的C\(_{3}\)08和C309为电源输入去耦电容。当环境温度在-25°~+65°C范围,电源电压在9~13.2V之间变化时,TDA3565集成电路能正常工作。IC总消耗功率为1瓦,最大为1.7瓦。(胡瑞海)