自动色度(增益)控制电路简称ACC电路,它是彩色电视接收机中色度放大器的附属电路。在分析其工作原理之前,需要先了解一下它的地位与作用以及晶体管放大能力的控制问题。因此,下面我们将分三个问题分别加以说明。
自动色度控制电路的地位与作用
从图象上看,黑白电视接收机与彩色电视接收机所不同的是:黑白电视接收机只能重现黑白图象;而彩色电视接收机不仅能重现彩色图象,而且也能重现黑白图象。因此,在彩色电视接收机的电路中,除了具有一个与黑白电视接收机功能相同的电路外,还要有一部分能解调和还原彩色信号的电路,两种电视接收电路分别见图1(a)和图1(b)。图1(b)中色度通道和解码矩阵电路就是用来解调和还原彩色信号的。色度通道电路只是在彩色视频信号输入时才工作,而在黑白视频信号输入时不工作。为了让黑白电视接收机也能接收到彩色电视节目(显示黑白图象),在彩色视频信号中,不仅包含了图象的色彩信号(称色度信号),而且还包含了图象的亮暗信号(称为亮度信号)。这就是彩色电视的兼容性。

预视放级输出的彩色全电视信号幅度与频率的关系,如图2所示。它是由中频放大器的频率特性和视频检波器的频率特性共同决定的。由图2可以看出,亮度信号处于幅频特性曲线的平坦区间,因高放和中放的自动增益控制电路(即AGC电路)的作用,使亮度信号的幅度基本上比较稳定;而色度信号则处于幅频特性边沿的斜边上,由于不同电视频道的波长与接收机天线的匹配程度不同,以及高频调谐器里本振频率调谐的准确程度,或本振频率漂移等因素,在引起色度信号(即4.43MHz处)左右移动的过程中,将会使色度信号的幅度发生变化。这个幅度不稳定或不准确的色度信号送入色度信号解调电路后,会使其工作不正常,并导致色度信号解调电路输出的三个色差信号(R—Y、G—Y、B—Y)的幅度不准确,进而造成解码矩阵电路输出的三基色信号(R、G、B)的幅度失去原有(指发送端)的比例,最后使彩色显象管上重视的彩色图象失去原有的色彩。为了稳定色度信号的幅度,保证色度解调信号和解码矩阵电路的正常工作,防止图象的色彩失真,在色度信号解调电路的前面,即色度通道的前置放大器上,设置了自动色度增益控制电路。由于自动色度增益控制电路与晶体管放大能力的控制有关,故需先来谈谈晶体管放大能力的控制问题。

晶体管放大能力的控制及选用
晶体三极管的共发射极放大倍数β与其工作点直流电流(即集电极静态电流)I\(_{C}\)之间的关系如图3所示。由曲线可知,在晶体管集——射极之间电压Uce为定位的条件下,其放大倍数β随工作点直流电流I\(_{C}\)的变化而变化。当IC<I\(_{CA}\)时,晶体管的β值随IC的增加而增加,这段区间称为晶体管的反向增益控制区;当I\(_{C}\)>ICA时,晶体管的β随I\(_{C}\)的增加而减小,这段区间称为晶体管的正向增益控制区。要改变晶体管集电极静态电流IC,可通过改变晶体管的基极直流电位V\(_{b}\)(或直流电流Ib)或其发射极直流电位V\(_{e}\)(或直流电流Ie)的高低(或大小)来实现。

在以晶体管为放大器件组成的可控色度放大电路中,上述两种控制增益的方法都有应用。图4是描述一般自动色度控制电路工作过程的方框图。其中,自动色度控制电路检波级的任务是从输入的控制信号中取出与色度信号幅度大小有关的信号,即检出自动色度控制信号。ACC滤波级的任务是滤除从前面选来的ACC信号中的交流分量,保留其直流分量。ACC直流放大级的任务是放大ACC直流信号,并把它送到色度放大器的受控管的基极(或发射极)上。很显然,要使ACC电路输出的信号对色度放大器的增益实行正确控制(也就是说,当色度放大器输出的色度信号比正常值大时,ACC电路输出的信号必须能使放大器的增益下降,减小其输出的色度信号。反之也是一样)。这就要求ACC电路的输入控制信号必须能正确反映出色度放大器输出的色度信号幅度的大小,而又不能随着图象画面的彩色深浅的变化而变化。为此,采用色同步信号作为ACC电路的控制信号。这是因为色同步信号是由频率为4.43MHz,宽度为10个周期的正弦波组成且位于行同步脉冲的后面。它是在发送端对彩色电视信号(彩色视频信号、复合消隐信号、复合同步信号等)进行编码时被加上去的,它的幅度大小与图象内容无关,只与色度放大器的增益有关。此外ACC电路的控制信号也常用7、8kHz的正弦波信号。因为它产生于色度通道的PAL鉴相器中,它的幅度大小与色同步信号的幅度成正比。在了解了自动色度控制电路的作用及晶体管放大能力的控制之后,下面我们通过一些具体的自动色度控制电路来分析其工作原理。

自动色度控制电路的工作原理
图5是国产金星牌C51—401型彩色电视机中受控色度放大器和它的自动色度增益控制电路。与此电路基本相同的还有金星C47—112、C49—312型,春雷牌3S2—4型,北京牌73—834型,日产日立牌CNP—195、CNP—865型等彩色电视机。在分析图5中的自动色度增益控制电路工作过程之前,先简要说明一下图5中受控色度放大器的工作情况和特点。

该受控色度放大器是一个由工作在反向增益控制区的3BG\(_{1}\)等元器件组成的电容耦合双调谐放大器。彩色全电视信号经过相3C1、3R\(_{1}\)1组成的高通滤波器,滤去一部分亮度信号后,便送到受控管3BG\(_{1}\)的基极,经3BG1放大,由其集电极上谐振于4.43MHz的选频网络取出色度信号和色同步信号后,分别输往后面的电路。图中的3C\(_{3}\)、3C4、3C\(_{81}\)起交流旁路作用,以减小信号损耗;3C2和3R\(_{4}\)、3C5起退耦作用;3R\(_{5}\)、3R7用以降低双调谐回路的Q值,增宽通频带;3D\(_{1}\)、3D2起双向限幅作用;3W\(_{1}\)是色饱和度手动旋钮,由用户自己来调整图象画面色彩的深浅。从图5可以看出:受控管3BG1的基极直流电位是由电阻3R\(_{2}\)和3R3分压来固定的,其发射极直流电位是由电阻3R\(_{6}\)以及3BG2集—射极间的电阻r\(_{ce2}\)之和决定的。由于3R2、3R\(_{3}\),3R6都是定值电阻,只有r\(_{ce2}\)是可变的。因此,rce2的变化将会引起3BG\(_{1}\)发射极直流电位的变化。也就是说,rce2的变化将会引起3BG\(_{1}\)集电极静态电流IC1的变化。又因为晶体管3BG\(_{2}\)的rce2受控于其基极电位(或电流)。所以,受控管3BG\(_{1}\)的集电极静态电流IC1的大小就取决于3BG\(_{2}\)的基极电位的高低(或电流的大小)。这里,我们很容易根据串联电路中电流处处相等的原则,得出Ie1=I\(_{e2}\)(Ie1、I\(_{e2}\)分别为3BG1和3BG\(_{2}\)的发射极电流)。又因为IC1≈I\(_{e1}\),Ic2≈I\(_{e2}\)。所以IC1≈I\(_{C2}\)。由于3BG2的集电极电流I\(_{C2}\)是受控于基极电流(或电位)的。因此3BG1的集电极静态电流I\(_{C1}\)的大小就受控于3BG2的基极电位(或电流)。即,色度放大器的增益高低受控于3BG\(_{2}\)的基极电位高低(或电流大小)。
下面我们来分析图5中自动色度增益控制电路的工作过程。电路中的3BG\(_{3}\)是自动色度控制电路检波级;3C13、3R\(_{8}\)、3R9、3L\(_{3}\)、3C10组成滤波网络;3BG\(_{2}\)是自动色度控制电路放大级。从图5中可知,检波管3BG3的基极由3R\(_{13}\)和变压器B3的次级串联后接至电源+E\(_{C}\),因此,3BG3基极直流电位U\(_{b3}\)约为+12V。3BG3发射极直流电位U\(_{e3}\)由电阻3R10(100Ω)和3R\(_{12}\)(1.8kΩ)分压供给,其值略低于+12V。所以,在无控制信号(即7.8kHz正弦波信号)输入时,因自动色度控制电路检波管3BG3发射给处于略微反偏而处于截止状态。当7.8kHz正弦波信号从变压器B\(_{3}\)的初级耦合到次级并经耦合电阻3R13送到3BG\(_{3}\)基极时,便迭加在基极直流电位Ub3上,见图6(a)。显然,对于7.8kHz正弦波中正半周及高于直流电位U\(_{b3}\)的部分,3BG3仍然处于截止状态,其集电极输出还为零;但对于7.8kHz正弦波负半周中低于直流电位的部分(阴影部分),则使3BG\(_{3}\)由截止进入导通放大状态。考虑到发射结的正向压降,3BG3的实际导通角要比负半周略小些。3BG\(_{3}\)进入放大区后,其发射结就从输入正弦波信号中检出了自动色度控制信号,并经倒相放大,在其集电极上输出,见图6(b)。这个包含有直流分量及交流分量的自动色度控制信号,经滤波电路滤除交流分量后成为直流的自动色度控制信号(见图6c),将被送到直流放大管3BG2的基极,经过3BG\(_{2}\)倒相放大和3C6、3C\(_{8}\)滤波后被送到色度放大器中放大管3BG1的发射极上,实行着对色度放大器增益的自动控制。

当色度放大器输出的色度信号幅度设为F正常时,输入自动色度控制电路的7.8kHz正弦波的幅度也正常(前面谈过,它的幅度大小与色同步信号幅度成正比)。这时,自动色度控制电路产生的控制电流I\(_{e2}\)将使色度放大器中的3BG1工作在反向增益控制区里的恰当点位,例如图3中的B点。若色度放大器输出的色度信号幅度F比正常时大,则输入自动色度控制电路的7.8kHz正弦波u\(_{7}\) 8的幅度也相应增大,经3BG3检波放大后,其集电极输出的i\(_{c3}\)的幅度也随之增大。因此,滤波后自动色度控制信号中的直流分量也将增大。这就引起了3BG2基极电位U\(_{b2}\)的上升,经倒相放大,自动色度控制电路输出的控制电流Ie2减小。由此,3BG\(_{1}\)的集电极静态电流Ic1随之减小。结合图3,I\(_{C}\)减小,晶体管β减小,故3BG1的增益K\(_{P1}\)下降,这样会使色度放大器输出的色度信号F幅度减小,并恢复到正常值。上述增益控制过程可表示为:F↑→u7 8↑→i\(_{C3}\)↑→Ub2↑→I\(_{e2}\)↓→Ie1↓→I\(_{C1}\)↓→KP1↓→F↓。反之,当色度放大器输出色度信号幅度F比正常时小,那么输入到自动色度控制电路的7.8kHz正弦波u\(_{7}\) 8幅度也相应减小,经上述电路作用后,将使色度放大器输出的色度信号F幅度增加,并恢复到正常值。其过程可写为F↓→u7 8↓→i\(_{c3}\)↓→Ub2↓→I\(_{e2}\)↑→Ie1↑→I\(_{c1}\)↑→KP1↑→F↑。
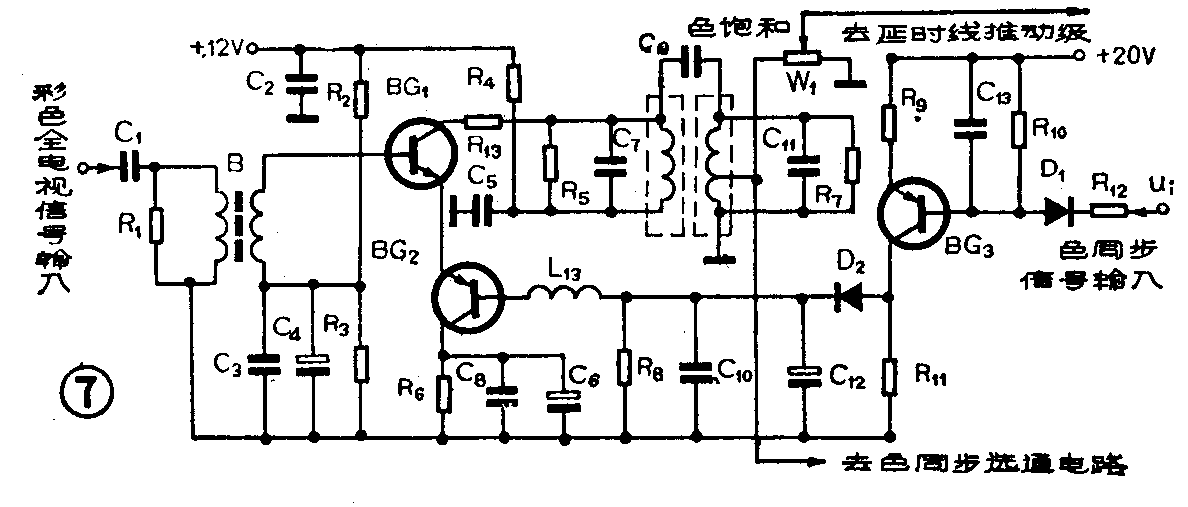
图7是日产日立牌CTP—205型彩色电视机中受控色度放大器和它的ACC电路。该色度放大器也是由一个工作在反向增益控制区的BG\(_{1}\)组成的电容耦合双调谐放大器。比较图5与图7电路中的色度放大器,可知它们的工作过程一样,故对此不再说明。再比较它们的ACC电路,可知它们的工作过程也基本一样。所不同的是,图7中ACC电路输入控制信号是采用色同步信号。为此该ACC电路中增设了二极管D1、D\(_{2}\)和C13、R\(_{1}\)0网络。二极管D1、D\(_{2}\)起检波作用,R10、C\(_{13}\)的网络一方面可为D1检出的信号进行滤波,同时R\(_{1}\)0还为BG3提供了基极偏压。下面我们简要分析图7中自动增益控制电路的工作过程。(未完待续)(益友)

