本刊85年11期33页所介绍的DJ-1型集成有线对讲机具有很多优点,但实际使用中还有些不方便之处。该机不能同时通话(即双向对讲),需要人工控制开关进行收发转换,不能边听边讲。其次,该机没有呼叫信号,如果人离机器稍远一或者外界噪音稍大一点,就不能听到对方的呼叫。
本人对电路作了一些改进,增加了少量元件,实现了双向对讲,同时增加了呼叫信号,这样使用起来更为方便。
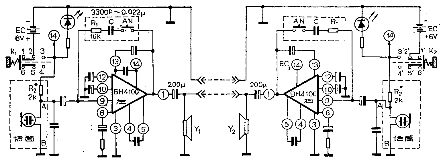
增加的部分见附图虚线框内的电路,两个话筒可用收录机上的驻极体话筒,电阻R\(_{1}\)、R2各两个,电容C两个用瓷片电容,按钮开关AN两个。将电路稍加改动,把原图1中扬声器Y\(_{1}\)、Y2直接接在功放块输出端200μ电解电容的负端,开关K\(_{1}\)、K2的4~6和4和4'~6'接点空着不用。在BH4100的第9脚和第1脚之间接入电阻R\(_{1}\)、电容C和开关AN,并由开关AN控制呼叫信号的产生,调整C的容量可使呼叫声悦耳。话筒可装在使用5号电池的小电筒内,话筒与对讲机之间用长0.6米左右的细屏蔽线连接。如果用电筒开关代替电源开关K1和K\(_{2}\),则原电源开关K1和K\(_{2}\)就改用作新增加的呼叫开关AN,这样可节约两只按钮开关。


呼叫时,只要同时按下自方的AN和K\(_{1}\)(在另一方则为AN和K2),对方和自方的对讲机中就能发出呼叫声。若双方通话,只要左机按下K\(_{1}\),右机按下K2 即可同时讲话。如产生汽笛声或失真,可适当调整与话筒连接的2k电阻(R\(_{2}\))。如产生啸叫声,则应调整话筒的方向或使话筒远离扬声器。(钟铁军)