下面分别叙述各部分的工作原理。
1.双积分A/D转换器:A/D转换器是数字万用表的核心,通过它实现模拟量—数字量的转换。采用单片大规模集成电路7106,7106为异或门输出,可驱动LCD显示器,耗电极省(台式数字万用表使用的是7107,能驱动LED半导体数码管,但耗电大,须用交流供电,7107与7106的原理基本相同)。
7106的主要特点是,单电源供电,且电压范围较宽,规定为7~15伏,可使用9伏叠层电池,以实现仪表的小型化;输入阻抗高,典型值为10\(^{9}\)Ω;利用内部的模拟开关实现自动调零与极性转换;内部有稳定性很高的2.8伏(典型值)基准电压源,噪声低、温漂小。7106的缺点是A/D转换速度较低,规定为1~15次/秒,通常选2.5~5次/秒,但能满足常规电测量的需要。
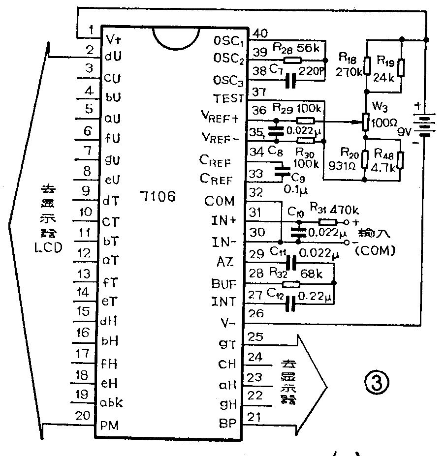
图3是双积分A/D转换器电路。先介绍7106各引出脚的功能:

V\(_{+}\)和V- ——分别是9伏电源的正端与负端。
aU~gU、aT~gT、 aH~gH——分别输出个位、十位、百位的笔划驱动信号,接LCD显示器(图4)。

abK——输出千位的笔划驱动信号,接千位b、c两笔划。
PM——负极性指示输出端,接千位的g段,PM为低电位时显示负号。
BP——液晶显示器背面公共电极的驱动端,简称“背电极”。
OSC\(_{1}\)~OSC3——时钟振荡器引出端。
COM——模拟信号公共端,简称“模拟地”,使用时它与IN-、V\(_{REF}\)-相连。
TEST——测试端,此端经过500Ω电阻接至逻辑线路的公共地,故也称“逻辑地”或“数字地”。
V\(_{REF+}\)、VREF-——分别为基准电压的正端与负端,简称“基准+”和“基准-”。
C\(_{REF}\)——外接基准电容C9。
IN\(_{+}\)、IN- ——模拟量输入的正端和负端。
AZ——外接自动调零电容C\(_{11}\)。
BUF——外接积分电阻R\(_{32}\)。
INT——积分器输出端,接积分电容C\(_{12}\)。
图3实际是一块数字电压表,主要包括模拟电路(A/D转换器)和数字电路两大部分。测量周期为0.4秒,工作过程分成自动调零、对信号积分和反向积分三个阶段。
数字电路包括时钟脉冲发生器、分频器、计数器、译码器、异或门相位驱动器、控制器和LCD显示器。
时钟脉冲发生器由7106内部的两个反相器和外部R\(_{28}\)、C7组成。设振荡频率为f\(_{o}\),近似公式为
f\(_{o}\)≈0.455R28C\(_{7}\)
将R\(_{28}\)=56kΩ,C7=220pF代入上式得f\(_{o}\)≈40kHz。
40kHz时钟脉冲在7106内进行四分频,得到10kHz的计数脉冲,再经过200分频得到50Hz方波,加至LCD显示器的背电极上。LCD显示器须采用交流方波供电方式,通常把相位相反的两个方波分别加到笔划的两极,利用二者的电位差驱动该笔划发光。每个笔划的一极分别接各自的驱动器输出端,另一极均接背电极。驱动电压为4~6伏。
基准电压由外部R\(_{18}\)、R19、W\(_{3}\)、R20和R\(_{48}\)组成的分压器提供,调整W3使V\(_{REF}\)=100.0mV。W3的调整范围是95~107mV。
R\(_{31}\)、C10是输入端阻容滤波电路,可以提高仪表抗干扰能力。
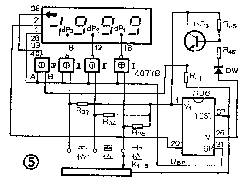
2.小数点驱动和低电压指示电路:见图5。

(1)小数点驱动电路采用四异或非门4077B。异或非门的特点是,当两个输入端状态相同时(均为高电位或均为低电位),输出为高电位,反之为低电位。例如A输入端固定接方波U\(_{A}\),B输入端始终保持低电位(UB<0)(参看图6),则每当U\(_{A}\)的正半波时,与UB状态相反,故异或非门输出低电位,而每当U\(_{A}\)负半波时,二者状态相同,输出高电位,结果异或非门输出的方波UF恰与U\(_{A}\)的波形反相,如图6所示。以图5中异或非门Ⅰ为例,一输入端接背电极,加上50Hz方波,另一输入端经R35接V\(_{+}\),平时UB为高电位。假定选择开关K\(_{1}\)-6拨至“十位”,B端接TESTUB变成低电位,使输出方波U\(_{F}\)与背电极方波UBP的相位相反,小数点dp\(_{1}\)发光。

(2)低电压指示电路由异或非门Ⅳ和BG\(_{3}\)组成。A端接UBP为低电位。当电池电压高于7V时,经过R\(_{45}\)、R46和稳压管DW\(_{1}\)分压后,BG3因基极接较高电位而导通,从发射极输出高电位,至异或非门Ⅳ的B端。当电压低于7V时BG\(_{3}\)截止,发射极为低电位,因此Ⅳ输出的方波与UBP反相为高电位,显示符号“←”。
3.直流电压测量电路:见图7。图中斜线区域代表导电橡胶,用来连接7106和LCD。现采用电阻分压器把基本量程为200mV的表扩展成五量程的直流数字电压表。W\(_{2}\)(见图1)是可调电阻,调整W2使R\(_{7}\)+W2=9MΩ。R\(_{6}\)是限流保护电阻。C17是消噪电容(见图1)。

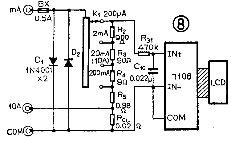
4.直流电流测量电路:见图8。分流器(I-V转换器)由R\(_{2}\)~R5和R\(_{cu}\)组成。10A档分流电阻Rcu是用黄铜丝制成的。输入端串有0.5A快速熔丝管。硅二极管D\(_{1}\)、D2作双向限幅。这是个五量程的直流数字电流表。注意,10A档应使用“10A”插孔,并将K\(_{1}\)拨至“20mA/10A”位置上,使小数点定在百位上。

5.交流电压测量电路:见图9。测交流电压时需增加一级AC-DC转换器。用二极管整流的电路虽然简单,但二极管在小信号下的非性线失真很严重,使整流器输入电压U(有效值)与输出电压U-(平均值)不成比例。在数字万用表中,为提高测量精度普遍采用线性整流电路,由图中双运算放大器062中的一组A\(_{1a}\)和二极管D7、D\(_{8}\)组成。R26、C\(_{6}\)组成平滑滤波器。由R31和C\(_{1}\)0构成的阻容滤波器还可滤掉高频干扰。062属于高增益、高输入阻抗的运算放大器(以下简称“运放”)。为进一步提高输入阻抗,输入电压加在同相输入端。电路中有隔直电容C5,当被测交流电压中包含直流分量时不致引起测量误差。电路本身是对输入电压的平均值响应的,而对正弦波形,因U-与U有确定关系,所以改变AC-DC转换器的增益,即可读出有效值。校正时W4作微调用。当输入交流电压为零时,运放输出端对模拟地的电压也是零,从而消除了整流二极管引起的非线性误差。

D\(_{5}\)和D6、D\(_{11}\)和D12接运放输入端,作过压保护。C\(_{1}\)是运放输入端的耦合电容。
6.交流电流测量电路:将图9中的分压器改成图8的分流器,就变成交流电流测量电路。
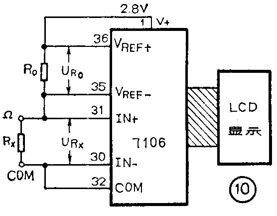
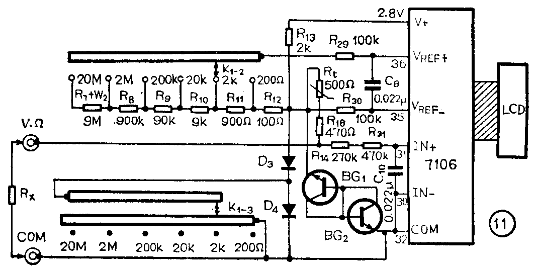
7.电阻测量电路:为降低对基准电压精度的要求,通常采用比例法测量电阻,原理见图10。被测电阻R\(_{x}\)与标准电阻Ro串联后接到V\(_{+}\)与COM之间。V+与V\(_{REF}\)+,VREF-与IN\(_{+}\),IN-与COM,两两接通。利用7106的2.8伏基准电压源向R\(_{o}\)和Rx供电。R\(_{o}\)上的压降URo兼作基准电压,R\(_{x}\)上的压降URx作为输入电压V\(_{IN}\)。依器件的设计,当Rx=R\(_{o}\)时显示读数为1000;当Rx=2R\(_{o}\)时满度(溢出)。一般情况下,
显示读数=\(\frac{U}{_{Rx}}\)URo×1000=R\(_{x}\);Ro×1000

对于200Ω档,取R\(_{o}\)=100Ω,再将小数点定在十位,即可直读结果。
利用选择开关改变标准电阻R\(_{o}\)的数值,便构成多量程数字欧姆表。
实际电路见图11。R\(_{13}\)、D3和D\(_{4}\)组成分压器,D3与D\(_{4}\)的串联压降为1.2伏,从而限制VREF<2V。R\(_{13}\)是二极管的限流电阻。在2k、20k、200k、2M、20M五个电阻档,D4被短路,使V\(_{REF}\)=0.6V。仅200Ω档,VREF=1.2V。

现采用具有负温度系数的热敏电阻Rt和三极管BG\(_{1}\)、BG2构成过压保护电路。常温下Rt的电阻值约等于500Ω。BG\(_{1}\)、BG2接成二极管方式后,再反极性串联使用。一旦出现过压输入时,BG\(_{1}\)与BG2中必定有一个反向击穿,另一个则正向导通,因此BG\(_{1}\)、BG2、R\(_{16}\)和Rt共同起到限幅作用。
8.测量晶体三极管h\(_{FE}\)值的电路:DT-830专设有hFE插口,配合NPN档位和PNP档位测量晶体三极管的共发射极直流放大系数h\(_{FE}\),测量范围是0~1000。hFE插口有B、C、E、E四个孔,两个E孔在内部连通。测量原理见图12。NPN档测量电路见图13。2.8伏基准电压源作被测管的工作电源,并通过固定偏置电阻向被测管提供基极电流,I\(_{b}\)=10μA。偏置电阻Rb由100kΩ可调电阻与220kΩ固定电阻构成。标准电阻R\(_{o}\)(Ro为图1中的R\(_{4}\)、R5、R\(_{cu}\)串联)接在发射极E与公共端COM之间,起I-V转换作用,把Ie变成V\(_{IN}\),作为7106的输入电压。因为Ie=I\(_{c}\)+Ib≈I\(_{c}\),故可认为通过Ro的电流在数值上等于I\(_{c}\)。例如当Ic=10μA时(R\(_{o}\)固定为10Ω),VIN=I\(_{c}\)Ro=0.1mV,h\(_{FE}\)档是在直流200mV量程上扩展而成的,本应显示数字“0.1”,但hFE档不显示小数点,因此显示“1”,表示h\(_{FE}\)≈IcI\(_{b}\)=1。


对于PNP档,只需改变电源的极性,并将标准电阻移到集电极上。
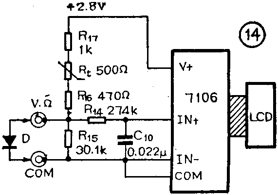
9.检查二极管正向压降的电路:见图14。测试电压由V\(_{+}\)提供。R17、R\(_{t}\)、R16组成过压保护电路,R\(_{t}\)的作用前面已讲了。2.8伏基准电压使被测二极管D正向导通,导通压降UD作为输入电压。通常导通电流为1.0~1.35mA。测硅二极管时应显示正向压降为0.55~0.700伏,测锗二极管时应显示正向压降为0.150~0.300伏。若显示“000”,说明管子击穿短路,若显示过载符号“1”,说明管子内部开路。若二极管的极性接反了也会显示“1”。

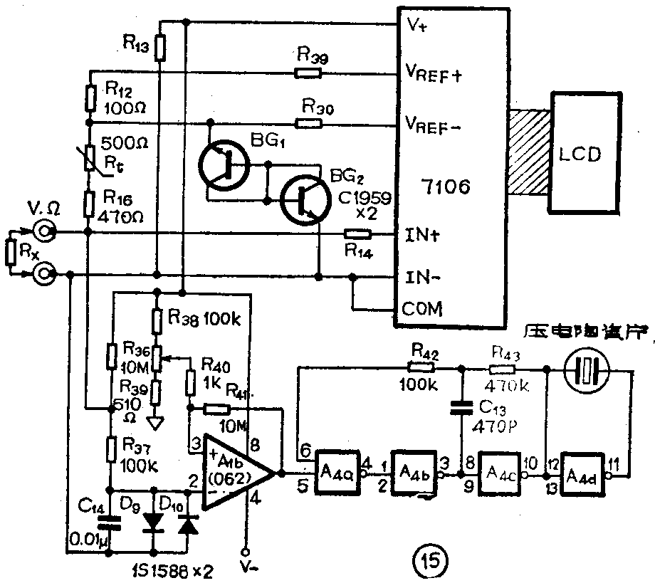
10.检查线路通断的蜂鸣器电路:见图15。它在200Ω档基础上扩展而成。蜂鸣器电路由三部分组成:电压比较放大器,可控RC振荡器和压电陶瓷蜂鸣片。

(1)电压比较放大器由双运算放大器062其中的A\(_{1b}\)构成,参考电压由分压器R38、W\(_{5}\)和R39提供,调整W\(_{5}\)使同相输入端脚3对COM的电压V3略高于0伏。如+0.02伏(下述各电压值均以COM为参考电位)。
由R\(_{36}\)、R37和D\(_{9}\)构成的分压器,给运放的反相输入端脚2提供电压V2=+0.40V。因此,平时电压比较器的输入电压是V\(_{2}\)-V3=+0.38V,经过反相放大后从脚1输出低电位V\(_{1}\)=-3.86V,使振荡器停振。D9、D\(_{1}\)0是双向限幅二极管,C14是为滤除输入端干扰。R\(_{41}\)是运放的反馈电阻。
当被测线路接通时,就在R\(_{37}\)上端与COM之间并联一个阻值很小的导线电阻Rx,使V\(_{2}\)=0V。由于V3=+0.02V,反相放大后V\(_{1}\)=+2.43V,使振荡器起振。
(2)可控振荡器由两输入端四与非门4011B和R\(_{43}\)、C13构成。R\(_{42}\)的作用是提高频率稳定性。4011B有四个与非门,除A4a外,其余三个与非门均接成反相器(两输入端短接)。比较器的输出端接A\(_{4a}\)的控制端脚5,当V1为高电位时电路振荡。
若忽略R\(_{42}\)的影响,振荡频率fo=0.455/R\(_{43}\)C13=2060Hz。
(3)压电陶瓷蜂鸣片。门控振荡器起振后,反相器A\(_{4a}\)使压电陶瓷片发出蜂鸣声。
使振荡器停振的导线电阻最大值为10~30Ω。
综上所述,眼睛注视被测电路和表笔,电路通则可听到蜂鸣声,使用很方便。若用电阻档测通断,则还要用眼看液晶屏,并且液晶屏显示很慢,使用起来很不方便。·未完待续·(沙占友)