配接实例和补救措施
在上期的文章中已讲过,电磁拾音头和压电拾音头的频率均衡要求,输出电压和负载阻抗都大不相同,必须各自与相适应的放大器配接,不能张冠李戴。下面就介绍几种电磁拾音头均衡放大电路和压电拾音头阻抗匹配电路的实例,供设计或自制放大器时参考。另外,给有压电拾音头电唱盘而没有相适应的放大器的读者介绍一些补救措施。
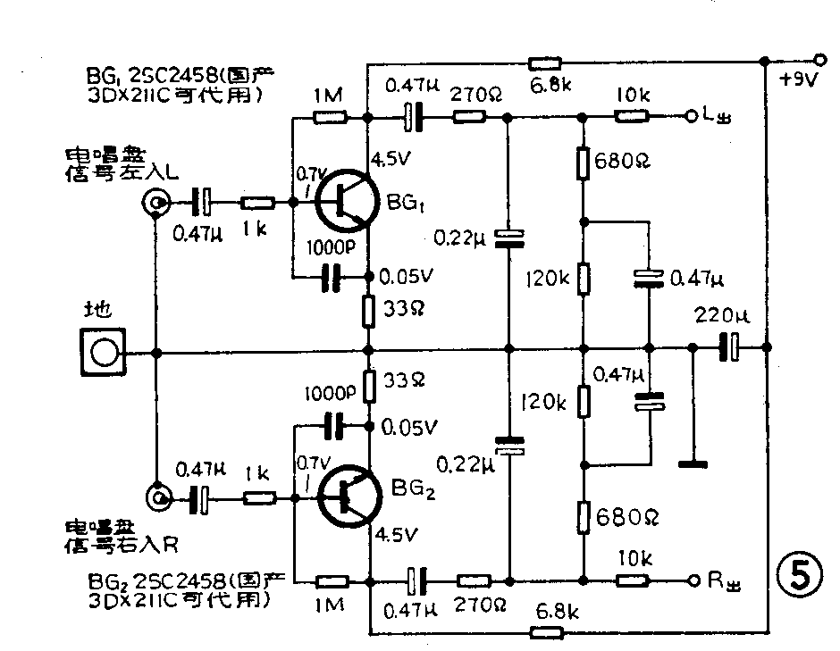
1.电磁型拾音头的均衡电路:这种均衡电路是由唱片的录放特性所决定的,由图1(见上期)可知,唱片的录音特性是高频上升,低频下降,因此均衡电路应相反是高频衰减,低频提升,其频率特性曲线由三段不同时间常数的曲线组合而成,实质上是一个带有RC负反馈网络的放大电路,时间常数分别是3180μs、318μs、75μs,约对应50Hz、500Hz和2122Hz三个频率点。图4和图5分别是SHARPGF—575和GF—700收录机电磁拾音头的均衡电路。其中图5十分简单,适合业余爱好者自制。线路中的晶体管应采用高频小功率管,整个电路要用铁皮屏蔽,输入、输出线全部采用金属屏蔽线,并需良好接地。电源可用电池供电(因整个电路消耗功率不大)。如果电唱盘、扩音机或收录机内有足够的空间和合适的电源,均衡电路也可装在机内,共用电源,此时在电源回路中要进行足够的退耦。在机内安装均衡电路时,要远离电磁器件,如电源变压器、交流电机等,以防止信噪比变坏,影响使用效果。


2.压电型拾音头的阻抗匹配电路:压电型拾音头电唱盘是目前国产电唱盘的主流,这种电唱盘和一般扩音机、收录机相连,电压配接问题不大,但阻抗不匹配,这是因为压电拾音头的负载阻抗要求不小于470千欧,而扩音机、收录机的线路输入阻抗一般约为47千欧(较高级的能达到IEC标准220千欧),如果直接连接则必然音量变小,低频分量基本丧失(较高级的收录机勉强可听)。
为什么阻抗不匹配时,会使音量变轻、低频衰减呢?请看图6所示的拾音头的等效电路图。图中E为电动势,R\(_{o}\)为内电阻、XC为容抗,R\(_{i}\)为负载电阻。当Ro远大于R\(_{i}\)时,负载电阻上得到的电压很低,大部分信号消耗在内电阻Ro上,因此音量变轻。另外,由于拾音头等效网络的输出信号呈电容性,负载上得到的电压V\(_{i}\)=RiR\(_{o}\)+Xc+R\(_{i}\)·E,低频时XC较大,故V\(_{i}\)更加变小,因此低频衰减了。解决的办法是加大Ri,使它和R\(_{o}\)相当,以提高实际输送到下级的电压。由上式可知,当Ri较大时,即使在低频范围内,X\(_{C}\)对Vi的影响也相对减小了(中、高频时X\(_{C}\)的影响很小,可以忽略),这就是阻抗匹配电路的着眼点。一般可用晶体管射极跟随器或场效应管源极跟随器来满足这个要求。下面介绍用晶体管的共集电极接法电路,它的输入阻抗较高、输出阻抗较低的特性正好符合我们的需要,而且信号幅度基本不变,如图7所示,其输入阻抗约为Rb和晶体管的β及R\(_{e}\)乘积的并联值,即Ri≈R\(_{b}\)‖β·Re(有的在射极回路中串有一个电位器W,以便适当调节输出电压的大小和下级相匹配),一般R取470千欧~1兆欧,过高则对信噪比不利。压电型拾音头电唱盘与一般收录机、扩音机的“线路输入” (LINEIN)端相连时必须串进阻抗变换电路。中华牌F—2011B立体声电唱盘内就已经设置了这种变换电路,因此该电唱盘能方便地与各种收录机、扩音机的线路输入插孔相连。有些读者如果已经有了不带阻抗变换器的压电拾音头电唱盘,而扩音机或收录机的输入阻抗又太低(10千欧~200千欧),则在它们之间需增加如图7所示的阻抗变换电路。其中晶体管要选高β、低噪声的小功率管,β=200~300,电路的引入线不宜太长。阻抗变换电路可装在机内(电唱机、收录机、扩音机),共用机内合适的电源;也可单独装在一个小盒内,用干电池供电。有关屏蔽、接地、连线等问题与前述均衡器相同,这里不再重复。


3.关于和收录机、扩音机相连中的其他一些问题:①在目前的一些中、高档收录机中,多数没有唱机(PHONO)输入插孔,国外的收录机大多数只适合用于电磁式拾音头。电唱插口输入阻抗47千欧,输入电压约3~5毫伏,并且具有均衡电路。国内的收录机大多数只适用于压电拾音头,电唱插口输入阻抗470千欧,输入电压150~500毫伏,并具有阻抗变换电路。也有两者兼有的。这些收录机声功能(FUNC-TION)开关中都没有一档“PHONO”,使用极为方便,只要将电唱盘的输出插头插入“PHONO”插孔内(五芯制的还应连接好地线),开关置于“PHONO”一档就行了,并且在放唱片时能同时转录到磁带上。
②还有些收录机在“功能”(FUNCTION)开关中把“唱机”(PHONO)和“线路输入”(LINE IN)并在一起,则从“PHONO”插孔可输入电磁拾音头信号(国外机),而压电拾音头信号可从“LINE IN”插孔输入,若音质不理想,则需自己另加阻抗变换电路。有些中、高档收录机“线路输入”的输入阻抗较高(220千欧以上),压电拾音头电唱盘直接接入后可勉强聆听。表4列举了部分国内、外收录机的有关功能,它们都有“LINE IN”或“PHONO”插孔,供参考。

③大多数中、低档收录机有“线路输入”(LINE IN)插孔,但功能开关上无“线路输入”这一档位置,因而无法通过“线路输入”插孔来放送唱片。“线路输入”插孔原来是为接受录音信号而设置的,也就是说只有在录音状态时通过这个插孔才能听到唱机的声音,在不转录的情况下如何解决这个问题呢?根据录音机芯的特点,众所周知,收录机处于录音状态时,盒带仓内若不放进盒带,录音键是按不下去的,因为机芯内的防误抹爪没有抬起。解决的办法是:先打开盒带仓盖(按EJECT键),用手抬起防误抹爪,再用另一只手同时按下录音(RECORD)键和放音(PLAY)键,然后关上带盒仓盖,此时录音机处于录音状态,这样就能使电唱盘通过“线路输入”插孔放音。如果放唱片时音质不理想,则可能是阻抗不匹配,需加阻抗变换器。低档收录机的“线路输入”阻抗都不高,一般为47千欧,甚至更低,放唱片时不加阻抗变换器不行。需要说明的是,压电拾音头电唱盘通过收录机的“线路输入”放唱,这时收录机已处于录音状态,电机在运转,长久这样使用,也不是好办法。
综合以上分析,可以得出如下几点结论:
1.安装压电陶瓷或压电晶体拾音头的电唱盘电路中一般不考虑频率均衡网络。
2.安装电磁式拾音头的电唱盘电路中必须具有频率均衡网络。
3.电唱盘的音频输出插头目前比较混乱,用户可以按图3(见上期)配接。
4.立体声电唱盘输出有三线制、四线制和五线制,若放大器是三线制,可参看图3和表3改接。(唐启迪 钱隽)