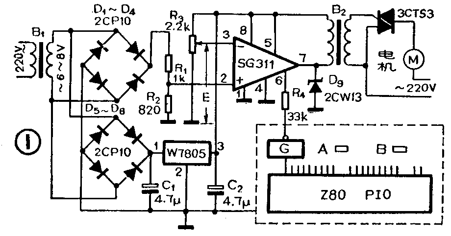
计算机系统在运行当中,外部设备的加电和断电往往对主机造成干扰。特别是象宽行打印机(内含同步电机)这样的感性负载,它断电瞬间形成的反峰电压以及加电瞬间的大电流很容易通过公用电网对计算机构成干扰。为了彻底消除这种干扰,可以在外部设备中安装一种“零电压开关”装置。所谓“零电压开关”,就是在电源交流正弦波过零点的时刻进行设备的开与关状态的切换。由于开、关瞬间负载两端加的电压基本为零,这就避免了负载电流突变对电网电压造成的冲击干扰,提高了计算机系统工作的可靠性。图1是一种简单实用的零电压开关电路,与国内已生产的产品相比,它没有使用继电器等一套机电元件,具有工作可靠、成本低,易于安装在设备内部等优点。该电路的工作原理如下:当可编程并行接口PIO芯片发出选通命令后,电压比较器SG311开始工作,SG311的第3脚接有参考电压E,E的高低可以通过R\(_{3}\)调节。SG311的第2脚上接有市电经过整流得到的脉动直流电压,电压波形如图2(a)所示。当脉动直流电压低于图(a)中电压E时比较器翻转,SG311第7脚电位变低,当脉动直流电压过零后,电压继续上升,当电压上升到高于E时,比较器又将翻转回高电位。图中D9用于对输出端的高电位进行箝位。从上面的分析可知,每当脉动直流电压过零点一次,SG311的第7脚就输出一个负脉冲,负脉冲串如图2(c)所示。从图2可以看出,这些负脉冲的宽度随着参考电压E的上升而增加;而且每个负脉冲的相位是与正弦波过零点的相位对应。这样的负脉冲通脉冲变压器B\(_{2}\)的耦合,去触发双向可控硅3CTS3,这就能在半波波形过零点稍前一点(图2a点)的位置上将可控硅触发导通,见图2(c),从而接通负载的电源。当选通命令取消后,在第一个半周期的过零点(图2中b点)使可控硅截止,切断负载的电源。从而实现了在过零点进行开、关的功能。


双向可控硅的规格型号应该按照所控制功率的大小来选用。控制功率在600W以下的,可以选用3A的3CTS3(耐压大于600V即可),并需要安装150mm×150mm×3mm左右的铝板散热;控制功率在600W至1000W时,可以选用3CTS5,散热片尺寸为200mm×200mm×4mm。电压比较器SG311是长沙4435厂产品,国外相应型号有LM311等,其内部框图见图3。该产品特点是:输入特性接近于运算放大器,精度高,输出电流较大,达100mA,输出级的晶体管的集电极及发射极均浮置,可以接成共发射极或射极跟随器两种形式,输出振幅的电平可以任意选择。由于SG311输出电流较大,可以通过脉冲变压器直接触发双向可控硅。对于3CTS3和3CTS5来讲,脉冲变压器B2可以选择市售成品MB—1型,也可以选晶体管收音机的输出变压器(匝数比为1:1左右)代替,或用φ0.12漆包线改绕,其初级绕60匝,次级绕60匝至80匝即可。

SG311的选通命令既可以取自PIO接口芯片,也可以使用其它直流信号控制。控制线上有3V至5V的高电平时,零电压开关电路进行工作;线上有0.3V以下低电平时零电压开关不工作,受控设备处于关的状态。由于零电压开关安装在设备内部,而选通命令取自计算机接口,这根选通命令信号线可能比较长会引入干扰,所以需要在SG311的第6脚增加一支100PF至1000PF的瓷管电容接地滤波,以消除干扰。该信号线的驱动门可以在接口印制板上的PIO集成电路附近寻找一个备份(闲着不用)的门电路,LSTTL和其它TTL的门均可用,如SN74LS37、74LS00或7438(OC门)等,如用OC门,其输出端还需要连一个10K的电阻接V\(_{CC}\)(5V)。
本电路的调整比较简单。电位器R\(_{3}\)用于调节参考电位E的高低,可以在0至5V内选择。在保证可控硅可靠触发的前提下,E电位愈低愈好,也就是负脉冲愈窄愈好,这样触发导通点(也就是“开”)离过零点较近,产生的干扰较小。如果想省去电源变压器B1,可以直接从受控设备上取6V至8V的交流电压,如电压大小不太合适,还可以通过调整R\(_{1}\)和R2的分压比来解决。二极管D\(_{5}\)~D8以及稳压块W7805等也能够省掉,从设备中直接取+5V电压。但是D\(_{1}\)~D4不能省去,也不要在D\(_{1}\)~D4的整流输出端增加滤波电容,否则电路将无法工作。
安装了零电压开关的外部设备以后,即使与计算机使用同一个交流稳压电源的同一个插板,整个计算机系统的工作仍然十分可靠。(许奇雄)