BH-SK型声控集成电路可代替分立元件组装各种声控、光控、遥控装置,大大简化了装配工艺。
电路原理
BH-SK-1型集成电路是一种CMOS电路,其内部结构是由信号接收放大、延时整形、选频、触发器、输出驱动等五个部分组成,见图1。声音信号被微型“麦克”接收后,首先通过放大电路进行信号放大,然后送入整形电路,同时进行选频和延时。被放大和整形后的信号,作用于后边的触发器,并分别控制输出驱动电路。驱动电路带动各种不同负载,以完成各种预定动作。BH-SK-1型有两种封装形式,见图2(a)、(b)。其中(a)为扁平封装,(b)为黑胶封装。管脚功能分别为:1—输入;2、3—选频、延时电容;4—拉入电流输出端;12—输出电流输出端;13—地;14—电源。5、6、7、8、9、10、11等管脚均为空脚,使用时悬空即可。另外,还有一种BH-SK-2型产品,其工作原理与BH-SK-1型相同。BH-SK-2型声控电路具有三种不同的灵敏度选择。它的扁平封装形式与I型相同,黑胶封装形式如图3所示。各管脚功能说明如下:14—电源;7—地;13—输入端(灵敏度最高);1—输入端(灵敏度中等);3—输入端(一级放大);4、5—选频电容;6—拉入电流输出端;9—输出电流输出端。


应用电路
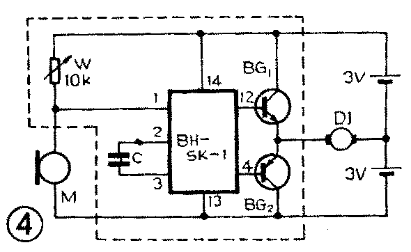
BH-SK-1型应用电路如图4所示。当有声音时,M上感受信号,在管脚1上形成一个负向尖脉冲,此脉冲经IC内部延时整形后,触发IC内T触发器,继而驱动输出级输出或拉入电流,以带动负载,控制电机的正反转。I型电路在调整时,只需调整W,使1脚电位略高于12V\(_{DD}\)即可,其余无需调整。图中BG1可用3DG6或3DK9,BG\(_{2}\)可用3AX31或3AX81,电容C取0.01~0.47μF。

注意事项
1.该声控IC均为CMOS工艺制造。所以,在焊接时,应拨下电源插头后再焊接或将电烙铁外壳接地,以防止静电击穿。
2.检测集成电路时,用万用表R×100K档,将黑笔接IC电源端,红笔接IC地端。此时,表针应有较小摆动(阻值在500kΩ~2MΩ之间为正常)。如电阻很小或导通,说明IC击穿。如表针完全不动,则内部开路。测试时注意不要把表笔接反。(本文介绍的声控集成电路的邮购消息在本期第48页)(王维军)