这里向你介绍一个用玩具专用音响集成电路制作的多功能电子音响器,它可以用作电子门铃、防盗报警、水位报信及尿湿报信等多种功能。当它用作防盗报警时,能发出能引人注意的“伍一鸣一”报警声或发出刑警车的电笛声。在用作水位报信或作电子门铃时,却能发出悦耳的“叮当、叮当”双音声。
电路简介
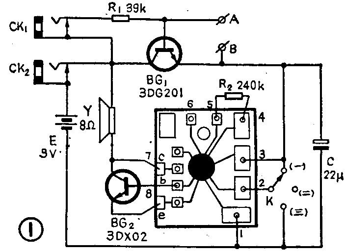
电子音响器电路见图①,它的核心元件是玩具音响集成电路IC,型号是CW9561。

CW9561采用软包装封装,即将芯片用环氧树脂封装在一块20×18mm的小印制板上,见图②。它有8个引出端:3脚为电源正端;1与8脚为地端即电源负极;4与5脚为振荡器输出电阻端,需外接一个240千欧电阻;2脚为第一选声端;6脚为第二选声端;7脚为输出端,外接扬声器。CW9561内存节拍发生器和前置放大器,功放级需外接一个硅NPN三极管。它的小印制板上已安排了外接三极管的安装孔位,在安装时只要将三极管的三个管脚插入印制板的相应孔位即可。

CW9561能发出四种不同的模拟音响;当第二选声端6脚悬空,第一选声端2脚接正电位时,即K放在(-)位置,它发出如消防车的“鸣一呜一”警报声;.当第一选声端2脚悬空时,即K放在(二)位置,它就发出刑警车声;2脚接电源负极时,即K放在(三)位置,它就发出悦耳的“叮当、叮当”双音声。如将第二选声端6脚接电源正极,2脚不管处于何位置,它就能发出“达达、达达达”机关枪声。在我们这个音响器里,6脚是悬空的,我们只需要它能发三种音响就够用了。
晶体管BG\(_{l}\)组成电子开关电路,BG2作为集成电路功放级,它直接焊在集成电路的小印板上。平时,BG\(_{1}\)通过电阻R1获得偏流,处于导通状态,IC通电后正常工作,喇叭即发出音响。音响种类可通过选声开关K选择。不需要音响器发声时,只要在CK\(_{2}\)插入一个空插头,电源就被切断。因此本机可以不设置电源开关。
作电子门铃时,在CK\(_{2}\)插入一个带电铃按钮的两芯插头,按钮装在门外,选声开关K处于位置③。客人来访时,按动按钮,喇叭即发出清脆悦耳的“叮当、叮当”声。如用作防盗报警,可将K置于位置①或②,拔去CK2插头,在接线柱A、B间接一根细漆包线,这时由于BG\(_{1}\)发射结被短路,BG1处于截止状态,喇叭Y无声。如将A、B间短路漆包线布置在门窗上,当有人破门而入,漆包线被扯断,Y立即报警:防盗报警还可以采用另一种形式,A、B间不接短路线,在两芯插头上系一根尼龙细绳,插头插入CK\(_{2}\),线另端系在需防盗的物品上,音响器放在身上,当物品被盗,插头从CK2拉出,立即报警。

如需用作水位报信或尿湿报信,可在CK\(_{1}\)插入一个湿敏探头,探头放在水缸需报信位置或将控头放在婴儿的尿布里。由于BG1的偏流电阻R\(_{1}\)被悬空,Y无声。当湿敏控头遇水湿润时,由于水电阻接入,BG1导通,喇叭发出报信声。当然这时选声开关K置于位置(三)。
元件选择与制作
晶体管BG\(_{1}\) 可用普通3DG201塑封管,β值50左右。为了使喇叭有较大的发声音量,功放管 BG2最好采用 3DX02超β管,如用β值大于200的3DG201也可。
CK\(_{1}\)、CK2 可用普通3.5毫米的两芯耳机插座。
选声开关最好用小型拨动式2×3开关,如不易购到,可用2×2开关。这时只有两个两个音响可选择,视各人需要选择位置(一〕、(三)或(二)、(三)。
接线柱A、B是自制的,因为售品接线柱的体积都太大。自制方法见图③,它由铜螺钉(M3)、铜螺母、焊片及铜嵌件组成。铜嵌件四周刻有细槽,旋动时手感很好。铜件就是嵌放在塑料机壳里的螺母,可取用废旧塑料收音机机壳,用锤子小心将铜嵌件敲出。
湿敏探头制法见图④,用单面环氧敷铜板加工成2分硬币大小圆片状,沿直径方向揭取一小块宽约2毫米的铜箔条,使钢箔成两个半圆状。然后在两半圆铜箔上各焊一根软接线,接线另端接一个两芯插头即

机盒可用塑料板自制,外形参见图⑤。由于此机元件较少,晶体管BG\(_{1}\)及电阻R1可直接焊在插孔及喇叭的焊片上,不必另制印刷电路板。这个音响器,只要元件良好,接线正确,不必作任何调试就能正常工作。(陈有卿)
