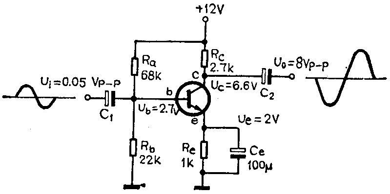
检查晶体管电路的故障,通常是通过测量晶体管各极直流电压值(如U\(_{c}\)、Ub、U\(_{e}\))并与正常工作电压值相比较来确定。附图是一典型的交流放大器电路,图中标出了正常工作电压值,请你根据下列13个问题中所给定的电压值,找出产生故障的原因。其中,A、B、C、D四个答案中,只有一个答案是正确的。

1.U\(_{c}\)=12V,Ub=0V,U\(_{e}\)=0V。A、Ra开路;B、R\(_{b}\)开路;C、Re开路; D、C\(_{e}\)开路。
2.U\(_{c}\)3.5V,Ub=4V,U\(_{e}\)=3.3V。A、R开路;B、Rb开路;C、R\(_{e}\)开路;D、Rc短路。
3.U\(_{c}\)=12V,Ub=2.9V,U\(_{e}\)=2.2V。A、Re开路;B、R\(_{e}\)开路;C、Ce短路;D、C\(_{e}\)开路。
4、U\(_{c}\)=0V,Ub=0.7V,U\(_{e}\)=0V。A、Rc开路;B、Re开路;C、C\(_{e}\)短路;D、Ra开路。
5.U\(_{c}\)=6.6V,Ub=2.7V,U\(_{e}\)=2V,Uo=2U\(_{p}\)-p。A、Ra开路;B、R\(_{b}\)开路;C、Re开路;D、C\(_{e}\)开路。
6.U\(_{c}\)=12V,Ub=2.7V,U\(_{e}\)=2V。A、Ra开路;B、R\(_{c}\)短路;C、Rc开路;D、三极管C极开路。
7、U\(_{c}\)=0.3V Ub=0.7V,U\(_{e}\)=0V。A、Rb开路;B、R\(_{c}\)开路;C、Ce开路;D、C\(_{e}\)短路。
8、U\(_{c}\)=12V,Ub=0V,U\(_{e}\)=0V。A、Re开路;B、三极管b、e极短路;C、三极管b、c极短路;D、三极管e极开路。
9.U\(_{c}\)=3.2V,Ub=2.6V,U\(_{e}\)=3.2V。A、Re开路;B、R\(_{a}\)开路;C、三极管b、e极短路;D、三极管c、e极短路。
10、U\(_{c}\)=3.7V,Ub=3.7V,U\(_{e}\)=3V。A、三极管c、b极短路;B、Rb开路;C、C\(_{e}\)短路;D、三极管c、e极短路。
11.U\(_{c}\)=12V,Ub=2.9V,U\(_{e}\)=0V。A、三极管c极开路;B、三极管c、b极短路;C、三极管e极开路;D、C\(_{e}\)短路。
12.U\(_{c}\)=12V,Ub=2.9V,U\(_{e}\)=OV。A、Rc开路,B、三极管b极开路;C、R\(_{a}\)开路;D、Rb开路。
13.U\(_{c}\)=12V,Ub=0.7V,U\(_{e}\)=0V。A、Rc开路B、R\(_{a}\)开路;C、Rb开路;D、三极管C极开路。
想想看答案
1.A、R\(_{a}\)开路。基极没有电流,三极管处于截止状态,Uc=12V。
2.B、R\(_{b}\)开路。通过电阻Ra的电流由于没有分流,全部流过基极,使集电极、发射极电流增加,引起U\(_{c}\)下降而Ue增加。同样,当R\(_{b}\)阻值变大或Ra阻值变小时,也会产生类似情况。
3.B、R\(_{e}\)开路。Re开路时,三极管截止,U\(_{b}\)=22000×12/(68000+22000)≈2.9V。由于Ce中有漏电流存在,因此发射极的电压要比基极低0.7V,这是三极管be结的压降。
4.A、R\(_{c}\)开路。Rc开路时,三极管截止。由于三极管的be结相当于一个二极管通过电阻R\(_{e}\)并联在Rb上,因此U\(_{b}\)=0.7V。
5.D、C\(_{e}\)开路。Ce开路使Re起着电流负反馈的作用,这时虽然各极的直流电压不变,但增益下降,使输出交流电压的峰一峰值变小。
6.B、R\(_{c}\)短路。Rc短路,使U\(_{c}\)=12V。但基极与发射扳回路工作正常,所以Ub和U\(_{e}\)不变。
7.D、C\(_{e}\)短路。Ce短路,三极管的b\(_{e}\)结直接并联在Rb上,使U\(_{b}\)=0.7V。因而Rb上的压降增加,流入基极的电流也增加,使原来处于放大状态的晶体管饱和,U\(_{c}\)≈0.3V。
当电阻Re短路时,故障现象与此相同。
8.B、三极管b、e极短路。三极管b、e极短路,使基极直接接地,三极管截止,U\(_{c}\)=12V。
9.D、三极管c、e极短路。三极管c、e极短路后,使U\(_{c}\)=Ue=1000×12/(2700十1000)≈3.2V。因此时三极管be结反偏,故Ub≈2.6V。
10.A、三极管c、b极短路。三极管c、b极短路后,流入基极的电流增加,并使发射极的电流也增加,U\(_{b}\)=Ube+U\(_{e}\)=0.7+3=3.7V。
11.C、三极管e极开路。三极管e极开路后,三极管截止,U\(_{c}\)=12V。而Ub=22000×12/(68000+22000)≈2.9V。
12.B、三极管b极开路。分析同上题。
13.D、三极管c极开路。三极管c极开路后,三极管截止,U\(_{c}\)=12V。由于三极管be结的钳位作用,使Ub=0.7伏。
以上11、12、13三题中,当三极管内部集电极、基极或发射极开路时,也会得到同样的数值。(康一)