近年来,学生中视力下降情况较严重,其原因之一是阅读书写环境光线太暗,加速眼肌疲劳,长时间便造成近视眼。为此,教育部、卫生部等十单位颁发了《保护学生视力工作实施办法(试行)》的通知,其中规定:每个桌面上的照度不低于100勒克斯。那么什么样的光照才达到100勒克斯呢?使用照度计可以测量,但是照度计价格很贵,本文介绍的“阅读环境照度监视器”很便宜,也能基本上达到测试目的。本照度监视器的外形象一只袖珍半导体收音机,它不用表头显示,而是利用声响提示。把它放在要测试的桌面上,当照度低于100勒克斯时,扬声器便发出乐曲声来告警,当照度达到或超过100勒克斯时,扬声器便无声,这样便可检查出限度是否合乎要求。
电路工作原理
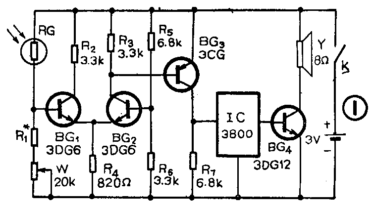
附图1中,BG\(_{1}\)与BG2组成差动放大电路,以提高稳定性,光敏电阻RG作为BG\(_{1}\)的上偏流电阻,BG2、BG\(_{3}\)复合作为开关去控制音乐集成电路IC工作,BG4作功放以推动扬声器。

我们知道光敏电阻的阻值是随着光照强度而改变的,光照越强阻值越小。R\(_{1}\)与W的值是根据RG在100勒克斯光照时的值调定的。当光照度由小增大至100勒克斯时,RG阻值减小,BG1导通,BG\(_{2}\)、BG3截止,IC不工作,扬声器无声。当光照度低于100勒克斯时,RG阻值变大,BG\(_{1}\)截止,BG2、BG\(_{3}\)导通,IC工作,扬声器放出乐曲。
元件选择及电路调整
电路中所以选用光敏电阻作光电转换元件,除了它价格便宜外,还因为光敏电阻的光谱特性曲线与人眼对可见光的响应曲线比较接近,所以选用光敏电阻时,应尽可能选择光谱特性曲线的峰值在波长为555毫微米绿色光附近的光敏电阻。BG\(_{1}\)和BG2要求配对,β值50左右即可。微调电阻W选用20k左右。R\(_{1}\)数值要根据实际需要调试决定。音乐集成电路各种型号都能用,只要按照具体接线要求连接即可。其它元件无特殊要求。图2为印制电路板图(1:1)。

按照电路图安装无误,电路即能工作。但由于光敏电阻的变化是非线性的,并且有较大的离散性,所以必须对R\(_{1}\)和W加以调整。调整时最好有一只照度计,一般用调节灯具的电源电压或移动光源的距离获得100勒克斯的照度。如无照度计,可用15瓦白炽灯作光源,离灯泡0.3米处的照度大约为100勒克斯(应避免周围有其它光源),此方法只能作为估测。先把R1短路,监视器放在100勒克斯照度处,此时扬声器应无声,如有声,把R\(_{1}\)换成10k电阻再调节W,如仍有声,再增大R1调整W,直到扬声器停唱为止,反复调节直到在100勒克斯照度下处于有声与无声的临界点。
由光敏电阻的特性可知,照度越低,单位照度改变时的电阻值变化越大,即低照度下灵敏度高。为了获得较高的灵敏度,必须对作用在光敏电阻上的光强度进行衰减,本机是将光敏电阻装在乳白色机壳内,利用乳白色塑料壳的半透光性进行衰减,如再在壳内侧贴上一层白纸遮挡光敏电阻,进一步衰减也是可行的。
本电路灵敏度高,简单易装,调试方便。如对输出端略加改动,即可改成其它光控设备,如光控玩具,光控路灯等,读者可自行设计。(李国健)