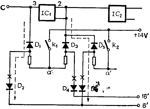
按本刊85年第9期介绍的“业余制作复音电子琴”制作后,发现当同时按下两个键时,声音变得很小,同时按下三个键时完全无声。经分析,原因是开关电路存在着将交流信号短路的毛病,情况如下:参看附图(原图在总414页图5),当开关K\(_{1}\)、K2同时按下,a和a′点电位升高,使D\(_{1}\)~D6全部导通,C点信号经D\(_{1}\)、D2到8′线,与此同时经IC\(_{1}\)二分频后的信号,从IC1的2脚输出经D\(_{5}\)、D6到8′线,这样IC\(_{1}\)输入端和输出端的交流信号就被短路,致使声音变小。其余交流信号短路情况与此相同,不一一叙述。

改进方法,在每一个输出二极管(D\(_{2}\)、D4等共18只)上各串一只47k电阻,可消除上述毛病。例如,将图中D\(_{2}\)~D6上端画“*”处断开后串入电阻即可。(古月)