TDA4500集成电路是飞利浦公司近年来研制出来的产品。对于黑白电视机来说,这块集成电路包括了除高频头以外的所有小信号处理电路,集成化程度较高。它是该公司生产的黑白和彩色电视机的主要器件。这类电视机在我国销售量很大,并且有几个厂家使用这个集成电路生产同类型产品。因此本文就TDA4500集成电路(简称IC,下同)的工作原理与特点作一介绍。
TDA4500工作原理
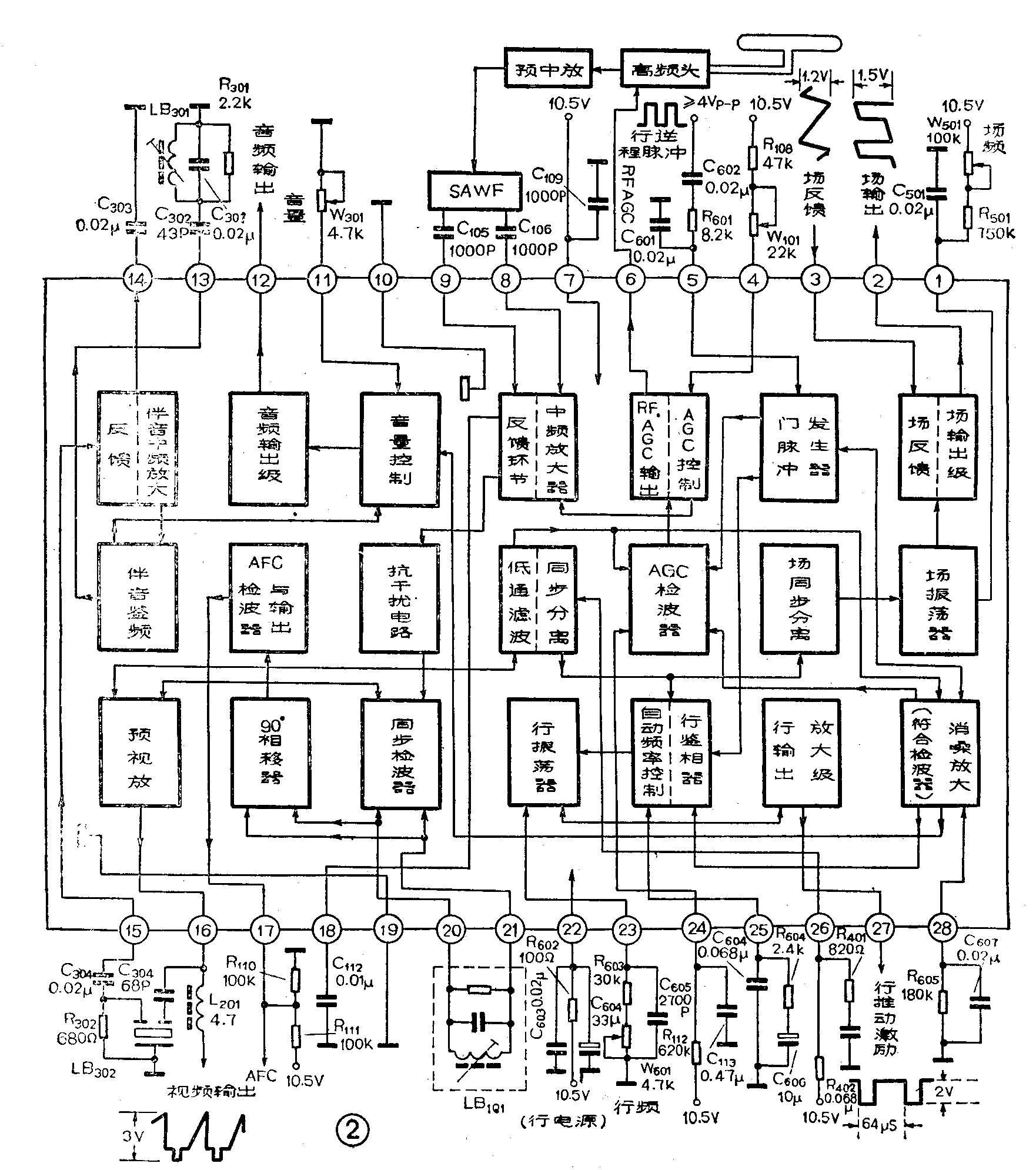
TDA4500集成电路的外形如图1所示。它的内部功能方框图及应用时的外围电路如图2所示,从图中看出它由图象中放、同步检波、同步分离、自动增益控制(AGC)电路、自动频率控制(AFC)电路、行振荡及放大电路、场振荡及放大电路、伴音电路以及抗干扰电路等组成。下边按照信号的流程进行分析。


1.中频放大器:从图1中看出,从天线收到的电视信号送到高频头,由它混频级输出的中频信号通过预中放后,再经过声表面波图象中频滤波器(SAWF),然后以平衡方式加到IC的⑧、⑨脚而送到图象中频增益可控宽带放大器。它的输入阻抗为800Ω,输入电容为6μμF,这两个参数满足了中频滤波器SAWF对三次反射波的抑制以及插入损耗的要求。中放的第二和第三级设有射极跟随器,用来减小中频放大前后组间的影响。中放的AGC采用由后往前逐级延迟控制方式,这有利于提高中放电路的信噪比。中放AGC的控制范围为56dB,即输入信号变化56dB的情况下,输出信号变化不大于ldB。中放设有无需外接元件的直流反馈环节,用来防止直流漂移,达到稳定放大器直流工作点的目的。IC的外接旁路电容C\(_{112}\)(0.01μF),使中放仅存在直流反馈,这不但保证了中放的稳定性,而且不降低中放的交流增益。
2.同步检波、预视放及AFC电路:中放的输出信号经过抗干扰电路送到同步检波器,它的输出信号通过高频滤波后送到预视放电路。经过放大的视频信号由IC的脚输出,其幅度为3V(峰峰值),波形在图2中示出。IC的脚外接的R、L、C并联回路LB01是同步检波器的基准调谐回路,调节LC参量使它谐振在需要的中频上。改变此参量就能适应不同国家或地区对图象中频的不同要求,如我国的图象中频为38MHz(新中频);其他国家采用的中频是另一些数值。回路上的并联电阻是为了展宽回路谐振频带,回路的Q值约为36。为了便于批量生产,调谐回路可选用组件XP37F或XP38F。
同步检波器另一路对称输出的视频信号,加到90°移相器经移相网络移相90°后,送到AFC检波器,检出的AFC信号经过放大,最后由IC的脚输出去控制电调谐器的本振频率,以较正因环境因素变化而引起本振频率的漂移。如果采用机械式高频调谐器不需要这个AFC电压时,可将IC的脚通过0.01μF电容接地。
3.AGC电路:TDA4500采用键控型AGC电路,AGC电路的作用是当天线输入电平变化时,自动控制高放和中放增益,使输送到显象管的视频信号基本不变。行逆程脉冲经R\(_{6}\)01和C601组成的积分电路而得到正向锯齿脉冲其幅度为4V(峰峰值),由IC的⑤脚输入加到门脉冲发生器,产生键控脉冲去控制AGC检波电路的工作状态。当键控脉冲到来时AGC电路工作,检波器检测出同步头电平,在IC的形成AGC电压。在其余时间AGC电路关闭,干扰信号不会影响AGC电压,提高了抗干扰能力。AGC的检波时间常数通过外接在的R\(_{112}\)和C113的阻容值来决定。
这个电路提供的AGC电压具有双向控制功能,通过调节IC的④脚外接电仪器W\(_{1}\)01,可以满足调谐器的正向(适用NPN型管)或负向(适用PNP型管或双栅场效应管)AGC控制的要求。AGC电压由IC的⑥脚输出送到高频头,去控制调谐器中高放的增益。
4.伴音电路:IC的脚和脚之间接有6.5MHz陶瓷滤波器LB\(_{3}\)02,从脚输出的视频信号中取出6.5MHz伴音中频信号,经过耦合电容C304从IC的脚输入后加到伴音中放电路的输入端,15脚的输入电阻为2.6KΩ,输入电容为6μμF。在脚外接的旁路电容C\(_{3}\)03,它既保证了伴音中放的直流稳定性,又达到不降低交流增益的目的。伴音信号经限幅放大后由射极跟随器输出送到伴音鉴频器。调节接在脚的LB301中的L、C参量的大小,可以使鉴频器的鉴频曲线中点为6.5MHz。鉴频器的输出信号送给音量控制电路,通过调节脚的外接电位器W\(_{3}\)01进行音量控制。当脚对地开路时,对地电压为6.5V,而脚对地短路时的电流为1mA,它的控制范围约为80dB。音频信号通过音频输出级的放大,从脚输出170~220mV的信号去激励伴音功率输出电路。
5.同步分离及行、场扫描电路:预视放级输出的全电视信号进入同步分离级之后,分离出复合同步信号。这个信号幅度(同步头电平)的大小,可以通过外接元件R\(_{4}\)01、C401和R\(_{4}\)02进行调整和控制。复合同步信号分两路输出,一路送到行扫描电路的鉴相器与从门脉冲发生器送来的门控信号,进行相位比较而转换成控制电压去控制行振荡器,从而实现行同步。脚的外接元件R603、C\(_{6}\)05和W601是改变行振荡器的振荡频率的RC网络,其中W\(_{6}\)01是机外行频调整电位器。行振荡信号经过行输出电路放大后,从输出到行推动级。的输出阻抗为200Ω,输出电流不小于10μA。当该电流为10μA时,的输出电压为2V(峰峰值),其脉冲波形在图2中示出。
复合同步信号的另一路经过场同步分离级去控制场振荡器,①脚外接的R\(_{5}\)01、W501和C\(_{5}\)0l为场振荡级振荡频率的调节元件,场自然振荡频率为47.5Hz,它的同步范围大于52.5Hz,当电源电压从9.5V变到12V时,场频漂移为5%。场振荡器输出的锯齿波送到场输出级后,同由③脚从场末级来的负反馈信号进行比较放大,从②脚输出场推动级所需要的激励信号。调节场末级反馈网络中的电位器来实现反馈程度,这不但可以控制场幅度的大小,而且可以调节场线性。②脚的输出信号和③脚的反馈信号波形在图2中示出。③脚直流电压为4.75~5.25V,交流输入电压为1.2V(峰峰值),输入电流为10μA。②脚的输出电流为1.3mA,输出的信号电压峰峰值为1.5V。
6.消噪电路:由预视放级输出的全电视信号经过低通滤波器之后,分别送到AGC电路和消噪电路。当有电视信号时,消噪电路通过符合检波器输出控制信号去控制伴音电路,使伴音放大器输出音频信号;当无电视信号时,符合检波器就输出抑制信号,将伴音放大器关掉,显然扬声器无杂音输出,这就避免在改换频道或预选节目时,扬声器发出难听的噪音的状况,从而起到了消噪(又称静噪)作用。
7.IC的供电:TDA4500集成电路的电源电压典型值为10.5V,从⑦脚加入,其输入电流为75mA,可以在9.5~13.2V的范围内稳定工作。IC的行电源电压从脚加入其典型值为10.5V,同样能在9.5~13.2V范围内工作,输入电流为4.5mA。⑩脚为IC的主要接地端子,而为大信号接地端子。为了加强电源的去耦滤波效果,在⑦脚与⑩脚之间接一个1000μμF的电容,这个电容焊在印制板上的位置应尽量靠近⑦脚和⑩脚,以减小分布参量的影响而获得更好的滤波效果。
TDA4500特点
1.TDA4500是一块较大规模集成电路,对于黑白电视机来说,它包含了除高频头以外的所有小信号处理电路,因此它的外围元件少,包括预中放在内约有70多个元件。这样用它组装的电视机,不但整机可靠性高,而且成本也低。
2.TDA4500具有双向AGC控制特性,可以方便地与不同形式的高频头配合使用。同时为配合电调谐高频头而设有AFC电路。
3.TDA4500的视频输出可以同彩色解码电路(TDA3565或TDA3560等)直接连接,因此可以很方便地组成彩色电视机(如飞利浦彩色电视机),其方框图如图3所示。从图中显见,取掉虚线框内的电路,就是一部黑白电视机,如飞利浦CORONAR TR23型(17英寸)黑白电视机。

4.TDA4500集成度高,外围电路简单,只需改变外围电路元件的有关参数,就可以适应不同国家或地区的不同电视制式的要求。
通过以上分析可见,TDA4500集成电路的出现,简化了电视机的设计,提高生产效率,降低了成本。(胡瑞海)