普通盒式录音机的睡眠开关只控制机内直流电源,电源变压器始终接在电网上,不但浪费电还容易损坏机器。我按图1电路自装了一个能够控制交流电源的睡眠装置,既方便又安全。图1中K\(_{1}\)为电源开关,接通K1后双向可控硅SCR导通(工作原理本刊曾有介绍,这里不赘述),录音机工作。按下放音键,机芯开关K\(_{2}\)闭合,马达工作。与此同时并接在马达上的继电器线圈通电,触点J0-1吸合,双向可控硅保持导通状态,录音机正常工作。当磁带运行到终端时,放音键复位,K\(_{2}\)断开,继电器绕组断电,触点J0-1释放,双向可控硅截止,切断交流电源。

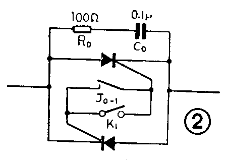
双向可控硅可选用KS3CTS型,如果一时没有双向可控硅,用两只单向可控硅反向并接(参考图2)也可代替使用,效果相同。但此时K\(_{1}\)和J0-1应接在两只可控硅的控制极之间。要求是两只可控硅参数尽可能一致。R\(_{0}\)、C0用来吸收变压器通断瞬间产生的自感电势,防止误动作。继电器应选用吸合电流小于20mA的直流继电器(JRX一10型)。工作电压视马达的标称电压而定。为安全起见整个装置放在一个绝缘小盒中,固定在收录机电源变压器附近。(张贵喜)
