近年来由于音响集成电路的发展,AM/FM波段的接收机已由分立元件进到集成化,使接收机的性能及可靠性进一步提高。本文向读者介绍一个用进口东芝(TA系列)集成电路组装的四波段调谐器。该调谐器的主要性能指标如下:
调幅部分:①频率范围。AM525~1620kHz,SW12.3~8MHz,SW28~22MHz;②中频频率为465kHz;③灵敏度:AM波段O.7mV/m;SW1波段0.71mV/m;SW2波段125μV;④双信号选择性:18dB;⑤信噪比42dB;⑥输出电平50mV。
调频部分:①频率范围87~109MHz;②中频频率10.7MHz;③灵敏度5μV;④双信号选择性>14dB;⑤信噪比58dB;⑥通道立体声分离度26dB;⑦通道平衡1.5dB;⑧输出电平50mV。
电路原理概述
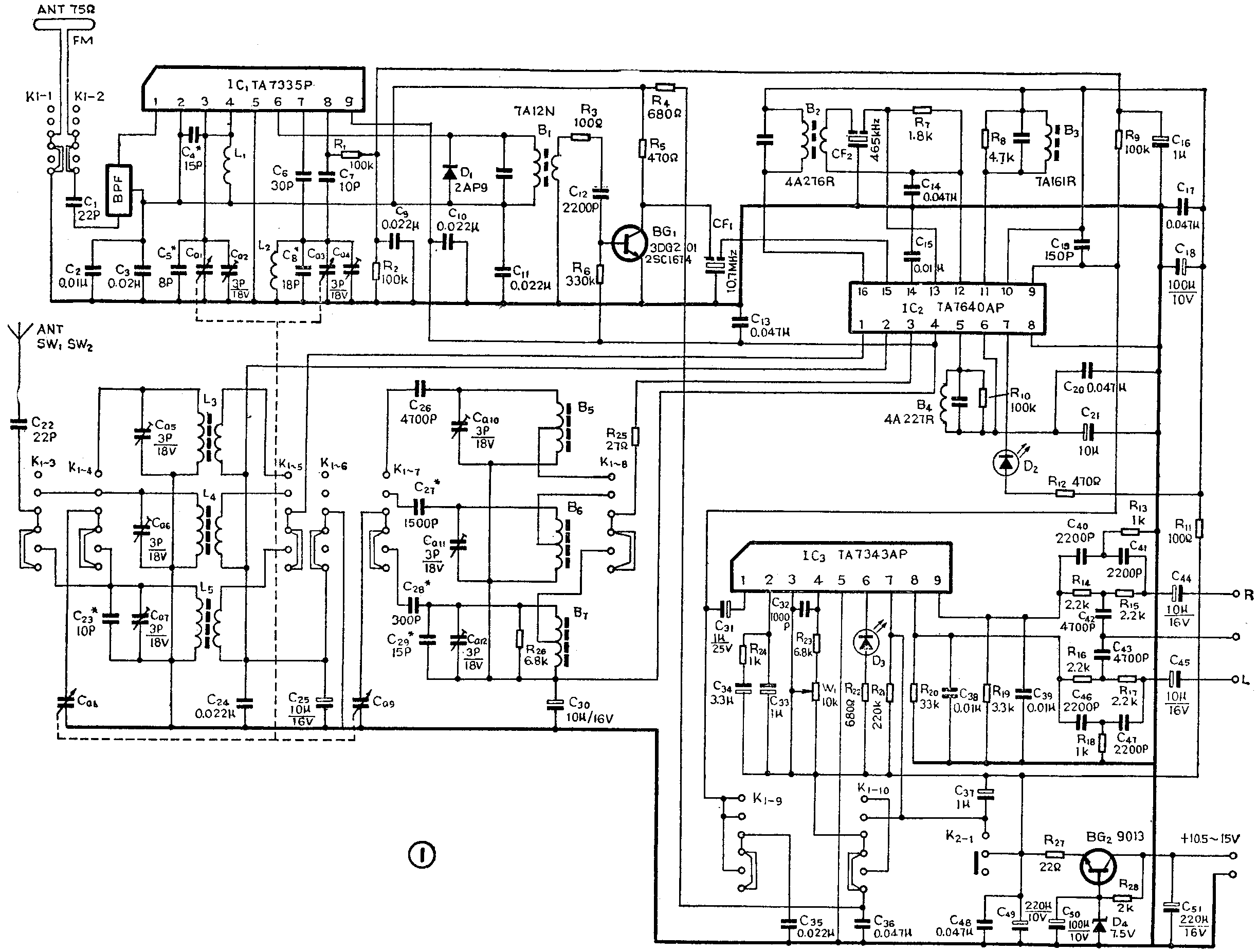
调谐器的电原理图见图1,它使用了TA7335(IC\(_{1}\))、TA7640(IC2)、TA7343(IC\(_{3}\))三块集成电路,组成一个AM/FM接收和立体声解码调谐器。

IC\(_{1}\)担任FM高放、本振及自动频率微调(AFC)。IC2担任AM混频、AM中放、检波、FM中放、FM鉴频。AM检波信号及FM鉴频信号从IC\(_{2}\)的第9脚输出。IC3组成锁相环立体声解码器。在集成电路IC\(_{1}\)与IC2之间串加了一级由BG\(_{1}\)组成的中频预放级并且加了一个10.7MHz的FM中频滤波器CFl。AM中放输入端(IC2的第13脚)串入465kHz中频陶瓷滤波器。FM高放输入回路串联了88~108MHz的带通滤波器BPF。该调谐器由于采用一些新型元、器件并采用了新的电路形式,所以性能较好。它的一些特点表现在:
1.AM(调幅)灵敏度提高了。我们采用的TA7640(IC\(_{2}\))是一块多功能集成电路,调幅波段的全部功能均由它担任。由于IC2的调幅混频器是一个高输入阻抗的双差分乘法器电路,比其它形式的混频电路输入阻抗高得多,所以可增加天线线圈次级线圈的圈数,使输入耦合系数提高,并与双差分乘法器的高阻抗输入特生相匹配。由于输入回路的传输系数提高了,调谐器的中波灵敏度则可优于0.7mV/m,短波灵敏度可优于125μV。
2.改善了AM波段的双信号选择性。所谓双信号选择性,就是在接收机选择性的测试方法中,为了模拟接收机在实际使用环境中的抗干扰效果,在接收信号频率的旁边人为地加上一个干扰信号。用此方法测得的选择性,就叫做双信号选择性。本文中,调谐器中频回路的形式采用二级单调谐中频变压器B\(_{1}\)2和新型的陶瓷元件465kH2滤波器CF2。AM中频回路串加CF2后,双信号选择性由原来二级单调谐的11~13dB提高到18dB。
3.FM波段的限噪灵敏度提高了。图1电路中,如果不设置由BG\(_{1}\)组成的中频预放级,则FM波段的限噪灵敏度仅取决于TA7335(IC1)集成电路的增益和TA7640的限幅电平。TA7640(IC\(_{2}\))的限幅电子是100μV,而IC1的变频增益只有20dB左右,因此,要使IC\(_{2}\)进入限幅,折算到天线端的输入电平必须大于10μV。这个水平显然是不理想的,为了保证调频波段的各项性能指标,必须提高鉴频器以前的电路增益。因此,在IC1输出端与IC\(_{2}\)FM中放输入端中间加入了一级由BG1组成的中频预放级。该级提供了近10dB的增益。另外,在高放输入回路接入了88~108MHz的带通滤波器BPF,使调频波段的抗干扰性能、中频和象频的扼制均得到保证。通过以上措施,使FM波段的限幅灵敏度达到3~5μV,信噪比达到58dB。
4.提高了FM波段的双信号选择性。随着调频广播电台的增多和各种工业干扰的增加,对FM波段的接收机的抗干扰性能也提出了新的要求,通常也用双信号选择性这项指标来衡量。
一般LC中频回路的调频中放电路,要实现等于或大于14dB的选择性指标是很不容易的。我们知道,在调频波段,要想获得较好的立体声分离度和频率响应,必须要有宽的通频带。LC选频在增加通带宽度的情况下会影响选择性指标。为此,本电路在中频回路串入10.7MHz的中频陶瓷滤波器,保证了双信号选择性可达到14dB以上的水平,而且调整方便。
5.采用了性能较好的立体声解码器。立体声解码器由TA7343组成,它具有分离度高(45dB)、立体声指示灯点灯灵敏度高(9mV)、失真度低(0.08%)的特点。分离度指标由集成电路内部电路保证,不需要制作者自行调整。解码器的输出端接有由C\(_{4}\)0~C47、R\(_{13}\)~R18组成的滤波电路,可滤除38kHz残余信号,以改善分离度。
6.电源。在调谐中,由于立体声解码器由单声道转为立体声时,电流会增大,引起调谐器的直流电源电压下降,调谐器增益跟着下降,AFC控制电平跟随下降,使变容管控制电压变化,导致调谐频率漂移,调谐器偏离了正确的调谐位置(偏调)。结果立体声指示灯亮灯后噪声和失真度增加。本电路针对以上情况增加了稳压电源部分,就克服了上述缺点,使调谐器工作的稳定性和背景噪声得到改善。
7.波段开关采用收录机专用的4×10旋转式波段开关。图1电路中,波段开关的接点位于FM波段。接点K\(_{1}\)-1在FM波段时接通天线回路,K1-2将天线的另一端经C\(_{1}\)和BPF送入IC1高放输入端(第1脚)。接点K\(_{1}\)-6用作为IC3的调频调幅开关。立体声解码器IC\(_{3}\)的停振控制电压由接点K1-10和立体声选择开关K\(_{2}\)-1控制。在接收调幅波段时,K1-10;将停振控制电压直接加到IC\(_{3}\)第7脚,使解码器停振,转为单声道工作状态。接点K1-3、K\(_{1}\)-4担任AM波段接收时天线及调谐面的切换。K1-7和K\(_{1}\)-8担任AM振荡回路的切换。接点K1-9在AM位置时接通旁路电容器C\(_{35}\)。
制作经验
图2为印刷电路板图。各电感元件的规格见表1及表2。集成电路各脚的电压值见表3。下面讲几点制作注意事项:




1.排版、布线要合理:调谐器的质量好坏除与电路程式有关外,还与电路的排线方式、元件的质量好坏及调试方法有关。其中排版、布线方式与调谐器质量关系很大,尤其是对FM的高频电路部分有明显的影响,它直接影响整机的灵敏度、信噪比及电路的稳定性。
在排版布线时必须处理好地线、电源线、信号线及输出输入端元件之间的关系。地线必须按电路的工作顺序排列,使各信号回路就近自成回路,防止各信号在公共地线通道上产生耦合。信号线的走线应尽可能短一些,并应使输入、输出信号线之间或前后级信号线之间的距离尽量远一些。电源线的走向及去耦应接由后级至前级的规律逐级排列、布置。本级的去耦电容必须在本级就近接地。
在排版及布线时有如下几个具体问题应引起注意:①FM高放和本振部分的电源去耦电容(图1中的C\(_{2}\) 、C3、C\(_{11}\)、C36)的接地位置对电路的信噪比及电路的稳定性影响很大, C\(_{2}\) 和C3必须直接接到 IC\(_{1}\)的第 2脚和高放调谐回路的地端之间。②本振部分的元件如L2 、C\(_{8}\) 、CA3、C\(_{A4}\)在印刷电路板上应该用地线围绕隔离,以防止它们与高放电路之间相互干扰。③去耦电容器C2 、C\(_{3}\)、C11、C\(_{36}\)连通高放和本振信号的通路,应选用高频特性好、温度系数稳定的高频瓷介电容器,不能采用分布电感大的卷绕式电容器,如涤纶、聚苯、电解电容器等。④去耦电容器可以多用几个,在直流馈电线上靠近各级交流回路的地端布置,以避免高频电流在馈电线上产生损耗或耦合,破坏电路的稳定性。去耦电容的布置是否正确对电路的背景噪声影响很大,应特别注意。
AM波段的频率较低,排版布线较容易解决。
2.元器件的选择、电路板的加工及焊接注意事项:
①所有电容器的质量要好,特别是高频部分的电容器应选用容量准确、温度系数稳定、损耗小的高频磁介电容器。
②调谐器的统调跟踪好坏,与调谐可变电容器电容量的同步误差关系很大,因此,可变电容器应选用电容量同步变化一致性好的,这样可使电路在各频率点上保证三点统调。
③电路板的腐蚀必须彻底,不允许有不必要的搭接现象,也不允许留有未腐蚀净的金属微粒。
④元件的引线的可焊性要好,焊接前可先在引线上上些锡,以避免假焊。
⑤电路板焊接必须清洁,特别是FM高频部分,电路板脏污以后将影响电路的增益,使灵敏度降低。因此所用助焊剂必须无腐蚀性,所用电路板基板的绝缘电阻应较大。
业余调试方法
在业余条件下可按如下步骤调试:
1.调AM波段中频:波段开关置于中波位置,调谐器输出端(R、L)经隔离线接到一个工作正常的扩音机上,将扩音机与调谐器均接通电源。转动可变电容器并移动磁棒线圈在磁棒上的位置,接收一个较强信号的电台,然后用无感螺丝刀分别调整B\(_{2}\)4磁心,使信号输出最大。中频变压器在出厂时一般均用仪器调整好,所以中频变压器的磁心只需作小范围调整。本调谐器使用了新型陶瓷滤波器(CF2),其固有谐振频率为465千赫,当B\(_{2}\)4谐振槽路的振荡频率等于CF2的固有频率时,信号输出幅度最大。CF2的使用除可改善中频通带特性外,也大大简化了在业余条件下的调试步骤。
2.FM中频的调整:先将振荡线圈L\(_{2}\)的圈距调整在约1.5厘米的位置,使频率覆盖基本接近要求。接通电源后旋动可变电容器,并拨动高效输出线圈L1的圈距,使之收到一个较强的调频广播电台(如果附近的电视频道是五频道时,则可接收此频道的电视伴音),然后用无感螺丝刀调整B\(_{1}\)3磁心,使信号输出幅度最大。由于FM中频通道接入了陶瓷滤波器CF1,所以同样能提高中频电路的性能并简化了调试手续。
3.AM波段高频调整:①调整频率范围。在业余情况下要想将频率范围调试得较准确是不容易的,只可做到基本满足要求。一般方法是,在频率的高、低端各接收一个已知的电台,频率低端可通过调B\(_{7}\)满足要求,频率高端可通过调Ca12来满足要求。调好以后,通过旋动可变电容器动片的角度,应满足频率范围要求。
②外差跟踪的调整。接收600千赫附近的一个电台,调整L\(_{6}\)在磁棒上的位置,使信号输出最大。然后接收频率为1500千赫附近的一个电台,调整Ca7使信号输出最大。反复调整二、三次,然后用磁棒及铜棒分别接近磁棒线圈,调谐器输出均应减小,说明外差跟踪调好了。
4.短波SW1高频调整:短波SW1的频率范围可通过调B\(_{6}\)(低端)和Ca11(高端)来达到目的;外差跟踪在低端可通过调L\(_{4}\)在磁棒上的位置达到要求,频率高端则可谓Ca6达到要求。具体的调试方法与AM高频调整相同,调频率范围时可找一部成品机对比,用检查可变电容器角度的办法粗略判断。
5.短波SW2高频调整:频率范围低端调B\(_{5}\)磁心,高端调Ca12;外差跟踪低端调L\(_{3}\)磁心,高端调Ca5。调整方法与SW1及AM高频调整相同。
6.FM高频调查:FM波段在中频调试过程中已粗略调好,高频调整实际上是根据当地调频广播或电视源道的频率,在低端和高端各接收一个电台或电视伴音信号,低端细调L\(_{1}\)圈距,高端调Ga2,务求调整到高、低端灵敏度最好。频率范围的调整可参考AM波段的调整方法。在业余条件下调试FM波段比较困难,但由于本电路采用了集成电路、带通滤波器及中频陶瓷滤波器等新元、器件,调整起来则比较方便了。
7.立体声解码器的调试:FM波段在中频和高频部分调试好以后,可接收附近的一个立体声调频电台信号,用螺丝刀调节W\(_{1}\),使立体声指示灯点亮。再继续往前调W1,直至立体声指示灯熄灭。然后将W\(_{1}\)调到亮灯与灭灯的中间位置,立体声解码器即调好了。TA7343的分离度由内部电路保障,不需调整。(广东新会音响电器厂设计科)